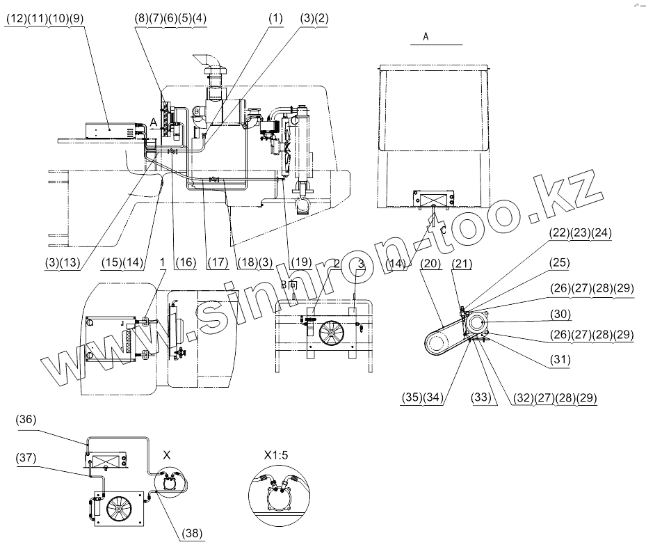
Каталог запасных частей к технике: Shantui SL-30W. SL30W Air Conditioner System (6BT5.9-C130)
1
2
3
(1)
(2)
(3)
(3)
(3)
(4)
(5)
(6)
(7)
(8)
(9)
(10)
(11)
(12)
(13)
(14)
(14)
(15)
(16)
(17)
(18)
(19)
(20)
(21)
(22)
(23)
(24)
(25)
(26)
(26)
(27)
(27)
(27)
(28)
(28)
(28)
(29)
(29)
(29)
(30)
(31)
(32)
(33)
(34)
(35)
(36)
(37)
(38)
| Позиция на иллюстрации | Заводской номер детали | Название детали | |
|---|---|---|---|
| 1 | ZL30G-17014 | Seal strip | |
| 2 | ZL30G-17023 | Left bracket | |
| 3 | ZL30G-17024 | Right bracket | |
| (1) | DYZN05.DG01-0300000 | Transition joints | |
| (2) | Ф16x1440 | Inlet pipe | |
| (3) | JB3618.1 -84 | Clip | |
| (4) | TSL05.DG07 | Condenser | |
| (5) | GB5783-86 | Bolt | |
| (6) | GB95-858 | Washer | |
| (7) | GB93-878 | Washer | |
| (8) | GB6170-86 | nut | |
| (9) | TSZW05.DG02 | Air condition evaporator | |
| (10) | GB5781-86 | Bolt | |
| (11) | GB95-858 | Washer | |
| (12) | GB93-878 | Washer | |
| (13) | ф16x1000 | Inlet pipe | |
| (14) | TSGX05010X | Air condition wire | |
| (15) | ZD5x250 | Nylon clamp | |
| (16) | TSZN05.DG01-0200000 | Water release switch | |
| (17) | ф16x1230 | Return water pipe | |
| (18) | ф16x1200 | Return water pipe | |
| (19) | DYZN05.DG01-000002 | Return water joint | |
| (20) | V13x1115 | Type belt | |
| (21) | TSPZ.SZa-0001 | Tension bolt | |
| (22) | GB 6170-86 | Nut | |
| (23) | GB 95-85 | Washer | |
| (24) | GB 93-87 | Washer | |
| (25) | TSPZ.SYb-0002 | Adjusting plate | |
| (26) | GB 5783-86 | Bolt | |
| (27) | GB 6170-86 | Nut | |
| (28) | GB 95-85 | Washer | |
| (29) | GB 93-87 | Washer | |
| (30) | DY5H14 | Compressor | |
| (31) | YSPZ.SYb-0001 | Transition plate | |
| (32) | GB 5783-86 | Bolt | |
| (33) | TSPZ.SYk-0100 | Base plate unit | |
| (34) | GB 5783-86 | Bolt | |
| (35) | GВ 93-87 | Washer | |
| (36) | TSGX05008D | Hose | |
| (37) | TSGX05007G2 | Hose | |
| (38) | TSGX05008G1 | Hose |
Содержащиеся в справочниках-каталогах запасные части и детали не предлагаются к продаже, а носят исключительно информационный характер