Каталог запасных частей к технике: Shantui SL-30W. Rear frame assembly (6ВТ5.9-С130)
1
2
3
4
5
6
7
8
9
9
10
11
12
13
14
15
(1)
(2)
(3)
(4)
(4)
(5)
(5)
(6)
(6)
(7)
(8)
(9)
(10)
(11)
(12)
(12)
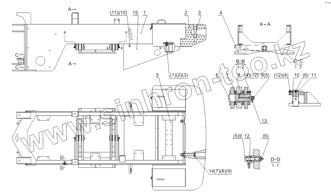
| Позиция на иллюстрации | Заводской номер детали | Название детали | |
|---|---|---|---|
| 1 | DG938-10100 | Frame | |
| 2 | DG938-10001 | Counter weight | |
| 3 | DG938-10002 | Draft shaft | |
| 4 | DG938-10300 | Auxiliary frame | |
| 5 | DG938-10500 | Oil cooler seat | |
| 6 | DG938-10600 | Auxiliary frame shaft | |
| 7 | DG938-10003 | Gasket | |
| 8 | DG938-10004 | Sleeve | |
| 9 | DG938-10005 | Joint bolt | |
| 10 | DG938-10006 | Washer | |
| 11 | DG938-10700 | Steering cylinder shaft | |
| 12 | DG938-10007 | Oil pipe | |
| 13 | DG938-10008 | Oil pipe | |
| 14 | DG938-10009 | Washer | |
| 15 | DG938-10400 | Hood | |
| (1) | GB5781-86 | Bolt | |
| (2) | GB93-87 | Washer | |
| (3) | GB6170-86 | nut | |
| (4) | GB5781-86 | Bolt | |
| (5) | JB982-77 | Washer | |
| (6) | GB1152-79 | Oil cup | |
| (7) | GB5780-86 | Bolt | |
| (8) | GB6170-86 | nut | |
| (9) | GB93-87 | Washer | |
| (10) | GB5783-86 | Bolt | |
| (11) | GB93-87 | Washer | |
| (12) | GB93-87 | Washer |
Содержащиеся в справочниках-каталогах запасные части и детали не предлагаются к продаже, а носят исключительно информационный характер