Каталог запасных частей к технике: Shantui SG18-3. WORK EQUIPMENT ASSY
1
2
3
3
3
3
4
5
6
7
8
9
10
11
12
13
14
14
15
15
16
16
17
17
18
19
20
21
22
22
22
22
22
23
23
23
23
23
23
24
25
26
27
28
29
29
30
31
32
33
33
33
34
34
35
36
36
37
38
39
40
41
41
42
42
43
43
44
44
45
45
46
46
47
47
48
48
49
49
50
50
51
51
51
52
52
53
53
53
54
54
54
54
55
56
56
56
57
57
58
58
59
60
61
62
63
63
64
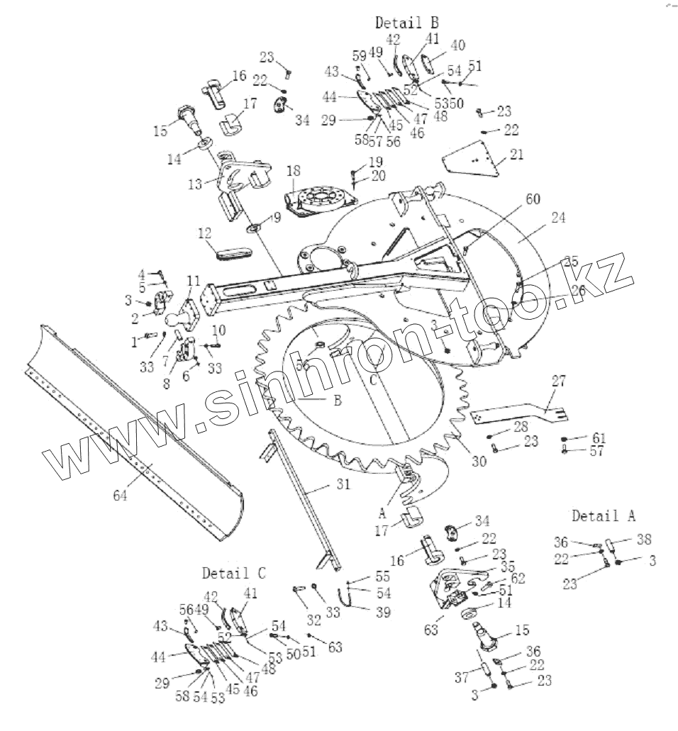
| Позиция на иллюстрации | Заводской номер детали | Название детали | |
|---|---|---|---|
| 1 | 01010-51680 | bolt | |
| 2 | 222-80-00026 | Seat, bracket | |
| 3 | 07020-01021 | Масленка | |
| 4 | 01253-71410 | Bolt | |
| 5 | 01643-31445 | Уплотнительная шайба | |
| 6 | 01580-11411 | Nut | |
| 7 | 04020-01224 | Pin | |
| 8 | 222-80-00025 | Support | |
| 9 | 222-80-00030 | Adjustment mats | |
| 10 | 01010-51675 | Bolt | |
| 11 | 222-80-14000 | Ball joint | |
| 12 | 222-80-00008 | Hose | |
| 13 | 222-80-08000 | Blade brace | |
| 14 | 222-80-00003 | Washer | |
| 15 | 222-80-00007 | Bolt | |
| 16 | 222-80-00028 | Bushing | |
| 17 | 222-80-00029 | Bushing | |
| 18 | 222-80-17000 | Turbine box | |
| 19 | 01252-72465 | Bolt | |
| 20 | 01602-22472 | Шайба | |
| 21 | 222-80-00031 | Plate | |
| 22 | 01643-31032 | Шайба | |
| 23 | 01010-51020 | Болт | |
| 24 | 222-80-11000 | Traction frame | |
| 25 | 01011-53090 | Bolt | |
| 26 | 01640-23045 | Шайба | |
| 27 | 222-80-00027 | Board | |
| 28 | 01642-21016 | Washer | |
| 29 | 01580-13024 | Nut | |
| 30 | 222-80-15000 | Rotating circle | |
| 31 | 222-80-16000 | Support plate | |
| 32 | 01010-51655 | Болт | |
| 33 | 01643-31645 | Шайба | |
| 34 | 222-80-00019 | Plate | |
| 35 | 222-80-06000 | Blade brace | |
| 36 | 04082-00106 | Retainer | |
| 37 | 222-80-00005 | Shaft | |
| 38 | 222-80-00002 | Shaft | |
| 39 | 222-80-00021 | U-clamp | |
| 40 | 222-80-00024 | Plate | |
| 41 | 222-80-00018 | Guide plate | |
| 42 | 222-80-00017 | Plate | |
| 43 | 222-80-00016 | Plate | |
| 44 | 222-80-10000 | Seat | |
| 45 | 222-80-00011 | Washer | |
| 46 | 222-80-00012 | Washer | |
| 47 | 222-80-00013 | Washer | |
| 48 | 222-80-00014 | Washer | |
| 49 | 01252-70816 | Bolt | |
| 50 | 01017-32420 | Bolt | |
| 51 | 01643-32460 | Уплотнительная шайба | |
| 52 | 222-80-00022 | Plate | |
| 53 | 01010-50820 | Болт | |
| 54 | 01643-30823 | Шайба | |
| 55 | 01598-10809 | Nut | |
| 56 | 01580-12016 | Nut | |
| 57 | 01010-51080 | Болт | |
| 58 | 222-80-00023 | Plate | |
| 59 | 04020-00822 | Pin | |
| 60 | 01010-51025 | Болт | |
| 61 | 01580-11008 | Гайка | |
| 62 | 01011-52430 | Болт | |
| 63 | 01580-12419 | Гайка | |
| 64 | 222-80-12000 | Blade |
Содержащиеся в справочниках-каталогах запасные части и детали не предлагаются к продаже, а носят исключительно информационный характер