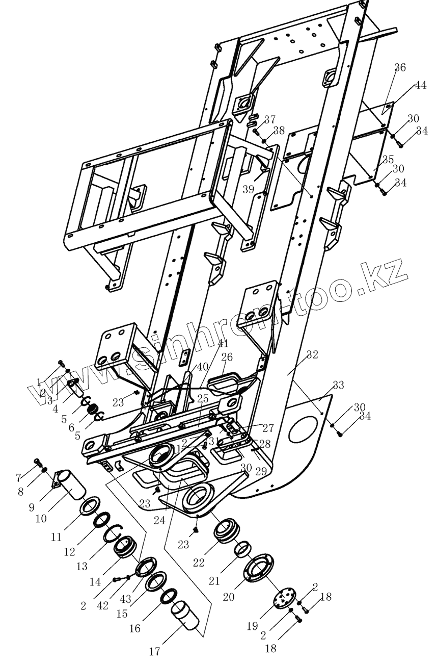
Каталог запасных частей к технике: Shantui SG18-3. MAIN FRAME
1
1
2
2
2
2
2
3
4
5
5
6
7
8
9
10
11
12
13
14
15
16
17
18
18
19
20
21
22
23
23
23
24
25
26
27
28
29
30
30
30
30
31
32
33
34
34
34
35
36
37
38
39
40
41
42
43
44
| Позиция на иллюстрации | Заводской номер детали | Название детали | |
|---|---|---|---|
| 1 | 01010-51230 | Болт | |
| 2 | 01643-31232 | Шайба | |
| 3 | 04082-00209 | Перегородка | |
| 4 | 222-30-00005 | Shaft | |
| 5 | 04065-06220 | Retainer | |
| 6 | GB9163-GE40ES | Joint bearing | |
| 7 | 01010-51640 | Болт | |
| 8 | 01643-31645 | Шайба | |
| 9 | 04082-00616 | Замковая прокладка вала | |
| 10 | 222-30-00006 | Shaft | |
| 11 | 222-30-00018 | Cover | |
| 12 | 222-30-00008 | Felt ring | |
| 13 | GB893.1-130 | Ring, snap | |
| 14 | GB9163-GE90ES | Joint bearing | |
| 15 | 222-30-00013 | Cover | |
| 16 | 222-30-00017 | Felt ring | |
| 17 | 222-30-00019 | Shaft | |
| 18 | 01010-51240 | Болт | |
| 19 | 222-30-00015 | Cover | |
| 20 | 222-30-00016 | Sleeve | |
| 21 | 222-30-00014 | Cover | |
| 22 | GB9163-GEG90ES | Joint bearing | |
| 23 | 07020-01021 | Масленка | |
| 24 | 222-30-00010 | Rubber ring | |
| 25 | 222-30-00021 | Guard plate | |
| 26 | 222-30-00012 | Rubber ring | |
| 27 | 222-30-00009 | Pin | |
| 28 | 222-30-03000 | Plate | |
| 29 | 04050-15050 | Pin, cotter | |
| 30 | 01643-31032 | Шайба | |
| 31 | 01010-51060 | Болт | |
| 32 | 222-30-06000 | Main frame | |
| 33 | 222-30-00020 | Guard plate | |
| 34 | 01010-51025 | Болт | |
| 35 | 222-30-00004 | Plate | |
| 36 | 222-30-00023 | Plate | |
| 37 | 01010-51455 | Болт | |
| 38 | 01643-31445 | Уплотнительная шайба | |
| 39 | 222-30-05000 | Oil tank bracket | |
| 40 | 222-30-08000 | Lubrication pipe | |
| 41 | 222-30-07000 | Lubrication pipe | |
| 42 | 01010-51245 | Болт | |
| 43 | 222-30-00022 | Plate | |
| 44 | 222-30-00002 | Plate |
Содержащиеся в справочниках-каталогах запасные части и детали не предлагаются к продаже, а носят исключительно информационный характер