Вернуться на главную
Поиск
Каталоги запчастей к технике
Спецтехника
Shantui
Shantui SG18-3
ENGINE MOUNTING AND ATTACHMENT
Каталог запасных частей к технике: Shantui SG18-3. ENGINE MOUNTING AND ATTACHMENT
zoom-in
zoom-out
enlarge
shrink
circle-right
circle-left
file-text2
info
cart
Тип техники
Не выбрано
Легковые автомобили
Грузовые автомобили и прицепы
Автобусы
Сельхозтехника
Спецтехника
Двигатели
Мототехника
Марка
Не выбрано
Ammann
BOMAG
CARMIX
CASE IH
Changlin
ChengGong
Dimex
Doosan
DYNAPAC
Foton
HAMM
Hidromek
Hitachi
Hyundai
JCB
JLG
John Deere
Komatsu
LIEBHERR
LiuGong
Lonking (LongGong)
Luneng
MANITOU
Mitsuber
New Holland
PENGPU
RM-Terex
SANY
SDLG
SEM
Shantui
Shehwa HBXG
Soosan
TIGARBO
VOGELE
Volvo
WAY
WIRTGEN
XCMG
XGMA
Xiamen
YTO
Yuchai
Zoomlion
Автокран
АЗСМ
Алтайлесмаш
Амкодор
АОМЗ
Атек
АТЗ
Балканкар Рекорд
БелАЗ
Беловеж
Борекс
Брянский Арсенал
Булат
ВЭКС
ГАЗ
Геомаш
Гидромаш
Донекс
Дормаш
Дормашина
Дорэлектромаш
ДЭЗ
ЕлАЗ
ЗЗГТ
Ижнефтемаш
Канаш-электрокар
КЗКТ
ККЗ
Клевер
Клинцовский автокрановый завод
КМЗ
КМЗ 1 Мая
Ковровец
Коммаш
Кранэкс
КЭЗ
КЭМЗ
ЛЗА
МАЗ
МЗИК
МЗКМ
МЗКТ
Михневский РМЗ
МоАЗ
Мозырский МЗ
МТЗ
ОЗП
Онежец
ПАО "ТЗА"
ППС Детва
Промтрактор
ПТЗ
Раскат
СпецАгрегат
ТВЭКС
ТТМ
УВЗ
Угличмаш
УЗТМ
ХТЗ
ЧЗКМ
ЧСДМ
ЧТЗ
ЭКСКО
ЭКСМАШ
ЮрМаш
Модель
Не выбрано
SD16 (2010)
SD16 (вариант) (2014)
SD16E (2010)
SD16L (2010)
SD22 (вариант) (2013)
SD32 (вариант) (2011)
Shantui SD10YE (2015)
Shantui SD16 (2008)
Shantui SD22 (2008)
Shantui SD23 (2003)
Shantui SD23 (вариант) (2013)
Shantui SD32 (2005)
Shantui SD42-3 (2008)
Shantui SG16-3 (2014)
Shantui SG18-3 (2014)
SL-30W (2010)
SL-50W (2013)
Каток SR12-5 (2013)
Каток SR14M-2 (2012)
Каток SR16 (2014)
Каток SR18 (2011)
Каток SR18M (2010)
Каток SR20M (2014)
Погрузчик SF15, SF18 (2010)
Погрузчик SF30 (2013)
Погрузчик SF45T (2013)
Погрузчик SF50/SF60/SF70 (2013)
Погрузчик вил. 2-2.5t (2010)
Схема
>
Не выбрано
ENGINE MOUNTING AND ATTACHMENT
AIR CLEANER
ENGINE MOUNTING AND ATTACHMENT
COOLING SYSTEM
RADIATOR
COOLING SYSTEM
RADIATOR
FUEL TANK AND PIPING
FUEL TANK AND PIPING
ENGINE CONTROL
ENGINE CONTROL
TRANSMISSION CASE AND ASSEMBLY
TRANSMISSION CASE
PART,TORQUE CONVERTER
OIL SUCTION PIPE ASSEMBLY
SENSOR ASSEMBLY
ENGINE CONNECTION ASSEMBLY
REFUELING PIPE ASSEMBLY
OIL FILTER ASSEMBLY
CLUTCH ASSEMBLY
CLUTCH ASSEMBLY
CLUTCH ASSEMBLY
P.T.O ASSEMBLY
P.T.O ASSEMBLY
HOUSING ASSEMBLY
CONTROL VALVE ASSEMBLY
INPUT ASSEMBLY
OUTPUT ASSEMBLY
CONTROL VALVE ASSEMBLY
TACHOMETER ASSEMBLY
IDLE WHEEL ASSEMBLY
SHUTDOWN BRAKE ASSEMBLY
PRESSURE VALVE ASSEMBLY
TRANSMISSION CASE AND ASSEMBLY
GEAR SHIFT CONTROL ASSY
Variable speed torque and pull-out pipe (Cummins)
Variable speed torque and pull-out line (Shangchai)
OIL CYLINDER ASSY
DRIVE SHAFT ASSY
PARKING BRAKE SYSTEM
REAR AXLE
REAR AXLE
SUPPORT DEVICE
DIFFERENTIAL ASSY
MAIN FRAME
MAIN FRAME
FRAME
BALANCE BOX
BRAKE ASSY
FRONT AXLE ASSY
Steering and tilting lines (without bypass valve)
Steering and tilting line (with bypass valve)
TILT OIL CYLINDER ASSY
STEERING OIL CYLINDER ASSY (L.H.)
STEERING OIL CYLINDER ASSY (R.H.)
TURNING OIL CYLINDER (L.H.)
TURNING OIL CYLINDER (R.H.)
TRAVELING BRAKE PIPING SYSTEM
COUNTERWEIGHT
COUNTERWEIGHT
HOOD ASSY
HOOD ASSY
TRANSMISSION CASE PTOTECT COVER ASSY
OIL TANK ASSY
HYDRAUTIC PIPING ASSY
BLADE LIFT AND TILT PIPING ASSY
BLADE TILT OIL CYLINDER ASSY
BLADE LIFTING OIL CYLINDER ASSY
ROTARY AND TILT PIPING ASSY
OIL CYLINDER ASSY
TILT OIL CYLINDER ASSY (R.H.)
TILT OIL CYLINDER ASSY (L.H.)
WORK EQUIPMENT CONTROL
WORK EQUIPMENT ASSY
BLADE
TURBINE BOX
WORK EQUIPMENT ASSY
BLADE
ELECTRICAL SYSTEM (FOR CUMMINS)
ELECTRICAL SYSTEM (FOR CUMMINS)
ELECTRICAL SYSTEM (FOR CUMMINS)
ELECTRICAL SYSTEM (FOR SDEC)
ELECTRICAL SYSTEM (FOR SDEC)
ELECTRICAL SYSTEM (FOR SDEC)
CAB ELECTRIC SYSTEM
TRACTION FRAME
OPERATORS SEAT
SEAT
CAB ASSY
CAB ASSY
CAB ASSY
CAB ASSY
AIR CONDITIONER ASSY
AIR CONDITIONER ASSY
LABEL PLATE ASSY
LABEL PLATE ASSY
CAB DECORATE
TOOL IN COMPANY WITH MACHINE
TOOL BOX
FRAME, FLOOR PLATE
TIRE PROTECTION SYSTEM
BLADE ASSY
OIL CYLINDER FOR FRONT MOLDBOARD
RIPPER ASSY
RIPPER PIPING ASSY
RIPPER OIL CYLINDER
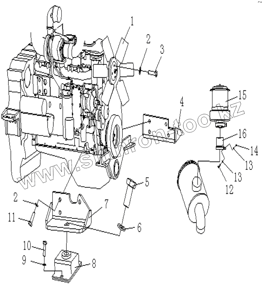
1
2
2
3
4
5
6
7
8
9
10
11
12
13
13
14
15
16
Позиция на иллюстрации
Заводской номер детали
Название детали
1
222-01-14000
Fan
2
01643-31232
Шайба
3
01011-51210
Болт
4
222-01-15000
Bracket
5
01010-51850
Болт
6
01643-31845
Шайба
7
222-01-16000
Support
8
222-01-07000
Damper
9
01602-21236
Рессорная шайба
10
01010-51225
Болт
11
01010-51230
Болт
12
01010-51050
Болт
13
01643-31032
Шайба
14
01580-11008
Гайка
15
263-01-32000
Prefilter
16
222-01-17000
Tube
Содержащиеся в справочниках-каталогах запасные части и детали не предлагаются к продаже, а носят исключительно информационный характер
Дополнительная информация
×
Название:
Номер:
Примечание: