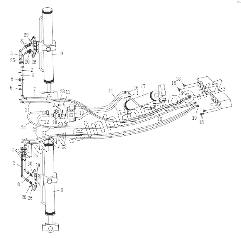
Каталог запасных частей к технике: Shantui SG18-3. BLADE LIFT AND TILT PIPING ASSY
1
1
2
2
2
3
3
4
5
6
7
8
8
9
9
10
11
12
13
14
15
16
16
17
18
18
18
19
19
20
20
20
21
22
23
24
25
25
26
26
26
27
28
29
29
30
| Позиция на иллюстрации | Заводской номер детали | Название детали | |
|---|---|---|---|
| 1 | 07002-12034 | O-ring | |
| 2 | 01643-32460 | Уплотнительная шайба | |
| 3 | 222-62-15000 | Hose | |
| 4 | 222-62-00002 | Nipple | |
| 5 | 222-62-00003 | Nipple | |
| 6 | 01583-52414 | Nut | |
| 7 | 222-62-03000 | Hose | |
| 8 | 222-62-20000 | Nipple | |
| 9 | 222-62-22000 | Blade lifting oil cylinder assy | |
| 10 | 222-62-00001 | Nipple | |
| 11 | 01643-31232 | Шайба | |
| 12 | 222-62-05000 | Hose | |
| 13 | 222-62-13000 | Hydraulic lock | |
| 14 | 222-62-10000 | Hose | |
| 15 | 222-62-09000 | Hose | |
| 16 | 222-62-12000 | Elbow | |
| 17 | 222-62-11000 | Tilt oil cylinder assy | |
| 18 | 222-62-01000 | Plug | |
| 19 | 222-62-02000 | Nipple | |
| 20 | 01010-50850 | Болт | |
| 21 | 222-62-06000 | Hose | |
| 22 | 222-62-07000 | Hose | |
| 23 | 222-62-08000 | Hose | |
| 24 | 222-62-04000 | Hose | |
| 25 | 222-62-16000 | Hose | |
| 26 | 01643-30823 | Шайба | |
| 27 | 222-62-00004 | Protect ring | |
| 28 | 01010-51275 | Болт | |
| 29 | 222-62-18000 | Plug | |
| 30 | 222-62-17000 | Balance valve |
Содержащиеся в справочниках-каталогах запасные части и детали не предлагаются к продаже, а носят исключительно информационный характер