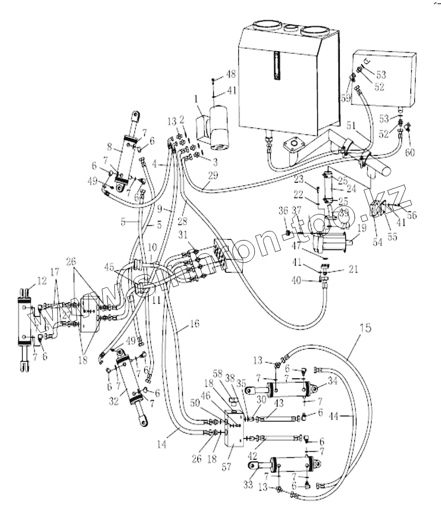
Каталог запасных частей к технике: Shantui SG16-3. STEERING AND TILT PIPING ASSY
1
2
3
4
5
5
6
6
6
6
6
6
6
6
6
6
6
6
7
7
7
7
7
7
7
7
7
7
7
7
7
7
8
9
10
11
12
13
13
13
14
15
16
17
18
18
18
19
20
21
22
23
24
25
25
26
26
27
28
29
30
31
32
33
34
35
36
37
38
39
40
41
41
41
42
43
44
45
46
47
48
49
49
50
51
52
52
53
53
54
55
56
57
58
59
60
| Позиция на иллюстрации | Заводской номер детали | Название детали | |
|---|---|---|---|
| 1 | 222-76-15000 | Redirector assy | |
| 2 | 07303-02028 | Gasket | |
| 3 | 222-76-00003 | Nipple | |
| 4 | 222-76-07000 | Hose | |
| 5 | 222-76-32000 | Hose | |
| 6 | 222-62-12000 | Elbow | |
| 7 | 07002-12034 | O-ring | |
| 8 | 222-76-28000 | Steering oil cylinder assy | |
| 9 | 222-76-06000 | Hose | |
| 10 | 222-76-09000 | Hose | |
| 11 | 222-76-08000 | Hose | |
| 12 | 222-76-02000 | Tilt oil cylinder assy | |
| 13 | 222-62-00001 | Nipple | |
| 14 | 222-76-01000 | Hose | |
| 15 | 222-76-12000 | Hose | |
| 16 | 222-76-23000 | Hose | |
| 17 | 222-76-03000 | Hose | |
| 18 | 07303-01825 | Gasket | |
| 19 | 222-76-19000 | Pump | |
| 20 | 07000-13042 | Кольцо | |
| 21 | 222-76-18000 | Oil tube | |
| 22 | 01643-31232 | Шайба | |
| 23 | 01010-51230 | Болт | |
| 24 | 07260-04111 | Hose | |
| 25 | 07281-00609 | Зажим | |
| 26 | 222-62-00005 | Nipple | |
| 27 | 222-63-16000 | Hydraulic lock | |
| 28 | 222-76-17000 | Hose | |
| 29 | 222-76-30000 | Hose | |
| 30 | 222-76-14000 | Elbow | |
| 31 | 222-62-02000 | Nipple | |
| 32 | 222-76-29000 | Steering oil cylinder assy | |
| 33 | 222-76-22000 | Turning oil cylinder | |
| 34 | 222-76-13000 | Turning oil cylinder | |
| 35 | 222-76-00002 | Washer | |
| 36 | 01580-11411 | Nut | |
| 37 | 01124-51435 | Stud | |
| 38 | 07002-11823 | O-ring | |
| 39 | 221-76-20000 | Oil tube | |
| 40 | 01010-51030 | Болт | |
| 41 | 01643-31032 | Шайба | |
| 42 | 222-76-10000 | Hose | |
| 43 | 222-76-11000 | Hose | |
| 44 | 222-76-21000 | Hose | |
| 45 | 222-76-00001 | Ring tube | |
| 46 | 01010-50845 | Болт | |
| 47 | 07000-13026 | O-ring | |
| 48 | 01010-51020 | Болт | |
| 49 | 07020-01021 | Масленка | |
| 50 | 01643-30823 | Шайба | |
| 51 | 222-76-31000 | Hose | |
| 52 | 222-76-00006 | Nipple | |
| 53 | 07303-03038 | Gasket | |
| 54 | 222-76-00005 | Rubber plate | |
| 55 | 222-76-00004 | Plate | |
| 56 | 01010-51035 | Болт | |
| 57 | 222-76-00008 | Valve block | |
| 58 | 222-76-00009 | Plug | |
| 59 | 222-76-00010 | Nipple | |
| 60 | 224-76-05000 | Nipple |
Содержащиеся в справочниках-каталогах запасные части и детали не предлагаются к продаже, а носят исключительно информационный характер