Каталог запасных частей к технике: Shantui SG16-3. COOLING SYSTEM
1
2
3
3
3
4
4
5
6
6
6
7
7
7
8
9
9
9
10
11
12
12
13
14
15
16
17
18
18
19
20
21
22
23
24
25
26
26
27
27
28
29
29
29
29
29
29
29
29
30
31
32
33
34
35
35
36
37
38
38
39
40
41
42
43
44
45
46
47
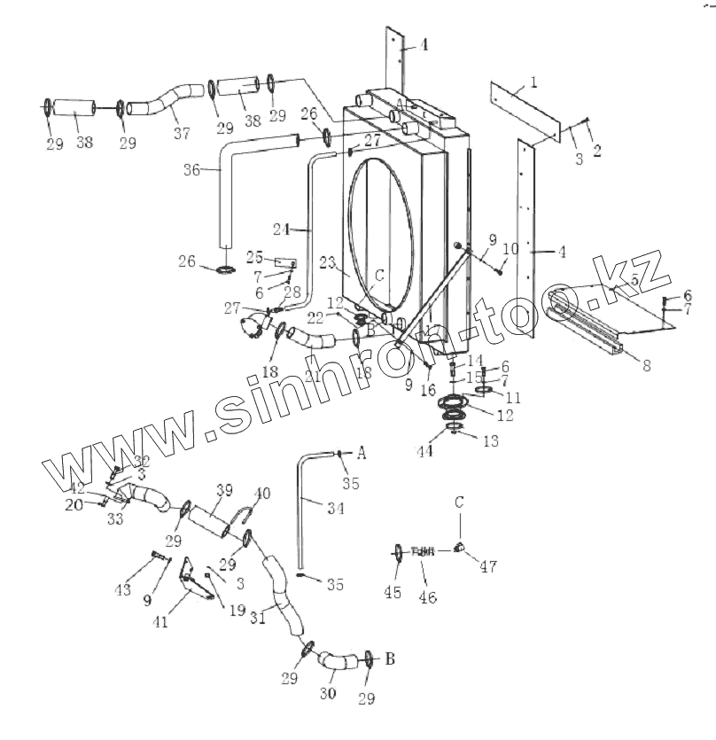
| Позиция на иллюстрации | Заводской номер детали | Название детали | |
|---|---|---|---|
| 1 | 222-03-10000 | Seal plate | |
| 2 | 01010-50816 | Болт | |
| 3 | 01643-30823 | Шайба | |
| 4 | 222-03-09000 | Seal plate | |
| 5 | 222-03-00011 | Plate | |
| 6 | 01010-51020 | Болт | |
| 7 | 01643-31032 | Шайба | |
| 8 | 222-03-00012 | Seal strip | |
| 9 | 01643-31232 | Шайба | |
| 10 | 01010-51225 | Болт | |
| 11 | 247-01-00005 | Washer | |
| 12 | 263-51-07000 | Shock absorber | |
| 13 | 01580-12016 | Nut | |
| 14 | 01011-52020 | Bolt | |
| 15 | 01643-32060 | Шайба | |
| 16 | 01010-51240 | Болт | |
| 17 | 222-03-00013 | Plate | |
| 18 | 07281-00809 | Зажим | |
| 19 | 01580-10806 | Гайка | |
| 20 | 01582-10806 | Nut | |
| 21 | 222-03-00009 | Intake pipe | |
| 22 | 01580-11210 | Гайка | |
| 23 | 222-03-08000 | Radiator | |
| 24 | 07261-02012 | Hose | |
| 25 | 08035-13010 | Clip | |
| 26 | 07281-00609 | Зажим | |
| 27 | 07281-00359 | clip | |
| 28 | 222-03-00010 | Nipple | |
| 29 | 222-03-11000 | T-clamp | |
| 30 | 222-03-00015 | Tube | |
| 31 | 222-03-00006 | Tube | |
| 32 | 01120-50885 | Stud | |
| 33 | 222-03-23000 | Air intake pipe | |
| 34 | 07260-00990 | Hose | |
| 35 | 07281-00197 | Зажим | |
| 36 | 222-03-00008 | Tube | |
| 37 | 222-03-00007 | Tube | |
| 38 | 222-03-00014 | Tube | |
| 39 | 222-03-00033 | Tube | |
| 40 | 224-03-00009 | U-clip | |
| 41 | 222-03-17000 | Bracket | |
| 42 | 01010-50885 | Bolt | |
| 43 | 01010-51230 | Болт | |
| 44 | 263-51-00008 | Regulation gasket | |
| 45 | 07303-03038 | Gasket | |
| 46 | 222-76-00006 | Nipple | |
| 47 | 224-76-05000 | Nipple |
Содержащиеся в справочниках-каталогах запасные части и детали не предлагаются к продаже, а носят исключительно информационный характер