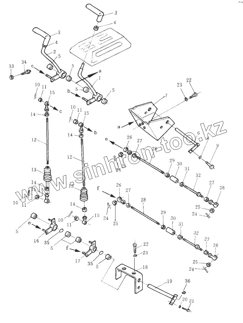
Каталог запасных частей к технике: Shantui SD32. STEERING CONTROL LEVER
1
2
3
3
4
4
5
5
5
5
5
5
5
6
7
8
9
10
10
10
10
11
11
11
11
12
12
13
13
14
14
14
14
15
15
15
15
16
17
18
19
20
21
22
22
23
23
24
24
24
24
25
25
25
25
26
26
26
26
27
27
27
27
28
28
29
29
30
30
31
31
32
32
33
34
35
35
36
| Позиция на иллюстрации | Заводской номер детали | Название детали | |
|---|---|---|---|
| 1 | 175-43-51111 | lever | |
| 2 | 175-43-51121 | lever | |
| 3 | 175-43-51131 | knob | |
| 4 | 175-43-51180 | nut | |
| 5 | 06120-02016 | Игольчатый подшипник | |
| 6 | 175-43-51211 | shaft | |
| 7 | 175-43-51191 | plate | |
| 8 | 01602-21030 | Шайба | |
| 9 | 01010-51025 | Болт | |
| 10 | 04050-12016 | Разводной штифт 2х16 | |
| 11 | 01590-10809 | Гайка | |
| 12 | 04245-40839 | rod | |
| 13 | 175-43-51220 | hose | |
| 14 | 01580-10806 | Гайка | |
| 15 | 113-43-23270 | end, rod | |
| 16 | 175-43-42640 | lever | |
| 17 | 175-43-42650 | lever | |
| 18 | 175-43-51231 | bracket | |
| 19 | 175-43-51241 | shaft | |
| 20 | 01602-21030 | Шайба | |
| 21 | 01010-51025 | Болт | |
| 22 | 01010-51225 | Болт | |
| 23 | 01643-31232 | Шайба | |
| 24 | 04050-13030 | Разводной штифт 3х30 | |
| 25 | 01593-11411 | nut | |
| 26 | 04250-41474 | end, rod | |
| 27 | 01582-11411 | Гайка | |
| 28 | 04245-41451 | rod | |
| 29 | 01508-21408 | Гайка | |
| 30 | 154-44-21650 | bushing | |
| 31 | 01582-11411 | Гайка | |
| 32 | 04248-31445 | rod | |
| 33 | 01580-11210 | Гайка | |
| 34 | 09311-31237 | Амортизационный болт | |
| 35 | 06122-02004 | Защитное кольцо подшипника | |
| 36 | 07020-00613 | Пресс-масленка |
Содержащиеся в справочниках-каталогах запасные части и детали не предлагаются к продаже, а носят исключительно информационный характер