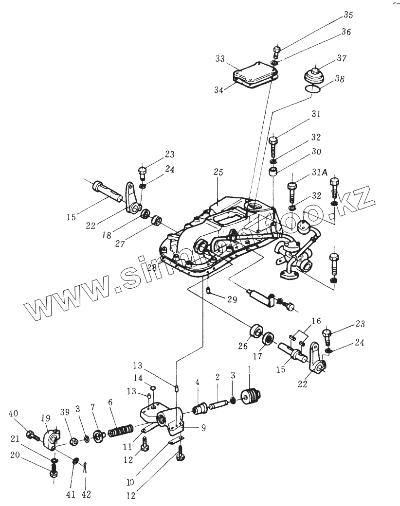
Каталог запасных частей к технике: Shantui SD32. BRAKE BOOSTER
1
2
3
3
4
6
7
9
9
10
11
12
12
13
13
14
15
15
15
16
17
18
19
20
21
22
22
22
23
23
24
24
25
25
26
27
28
29
30
31
31A
32
32
33
34
35
36
37
38
39
40
41
42
| Позиция на иллюстрации | Заводской номер детали | Название детали | |
|---|---|---|---|
| 1 | 175-33-28330 | piston | |
| 2 | 175-33-24441 | shaft | |
| 3 | 04064-02512 | Открытое кольцо | |
| 4 | 195-33-14341 | Распорное кольцо | |
| 6 | 170-33-13370 | Рессора | |
| 7 | 175-33-31310 | Упорное кольцо | |
| 9 | 175-33-28310 | body, valve L.H | |
| 9 | 175-33-28320 | body, valve R.H | |
| 10 | 154-33-21420 | Замковая пластина | |
| 11 | 154-33-21420 | Замковая пластина | |
| 12 | 01010-51255 | Болт | |
| 13 | 04020-01228 | Фиксирующий штифт | |
| 14 | 07000-02020 | Кольцо круглого сечения | |
| 15 | 154-33-21310 | Вал | |
| 15 | 175-33-26130 | shaft | |
| 16 | 04000-01030 | Шпонка | |
| 17 | 154-33-21340 | Сальник | |
| 18 | 154-33-21350 | Сальник | |
| 19 | 154-33-21150 | Рычаг | |
| 20 | 01010-51235 | Болт | |
| 21 | 01602-21236 | Рессорная шайба | |
| 22 | 175-33-26110 | lever | |
| 22 | 175-33-25991 | lever | |
| 23 | 01010-51245 | Болт | |
| 24 | 01602-21236 | Рессорная шайба | |
| 25 | 175-23-24378 | housing, brake, L.H | |
| 25 | 175-23-24388 | housing, brake, R..H | |
| 26 | 154-33-21320 | Втулка | |
| 27 | 154-33-21330 | Втулка | |
| 28 | 175-33-24415 | gasket | |
| 29 | 04020-01228 | Фиксирующий штифт | |
| 30 | 195-33-11220 | Втулка | |
| 31 | 01010-51260 | Болт | |
| 31A | 01010-51280 | Болт | |
| 32 | 01602-21236 | Рессорная шайба | |
| 33 | 175-33-24361 | end cover | |
| 34 | 175-33-24511 | gasket | |
| 35 | 01010-51235 | Болт | |
| 36 | 01602-21236 | Рессорная шайба | |
| 37 | 154-33-21142 | Колпак | |
| 38 | 07000-02095 | Кольцо | |
| 39 | 170-33-13330 | Ролик | |
| 40 | 04205-01645 | Палец | |
| 41 | 01641-01626 | washer | |
| 42 | 04050-14026 | Pin |
Содержащиеся в справочниках-каталогах запасные части и детали не предлагаются к продаже, а носят исключительно информационный характер