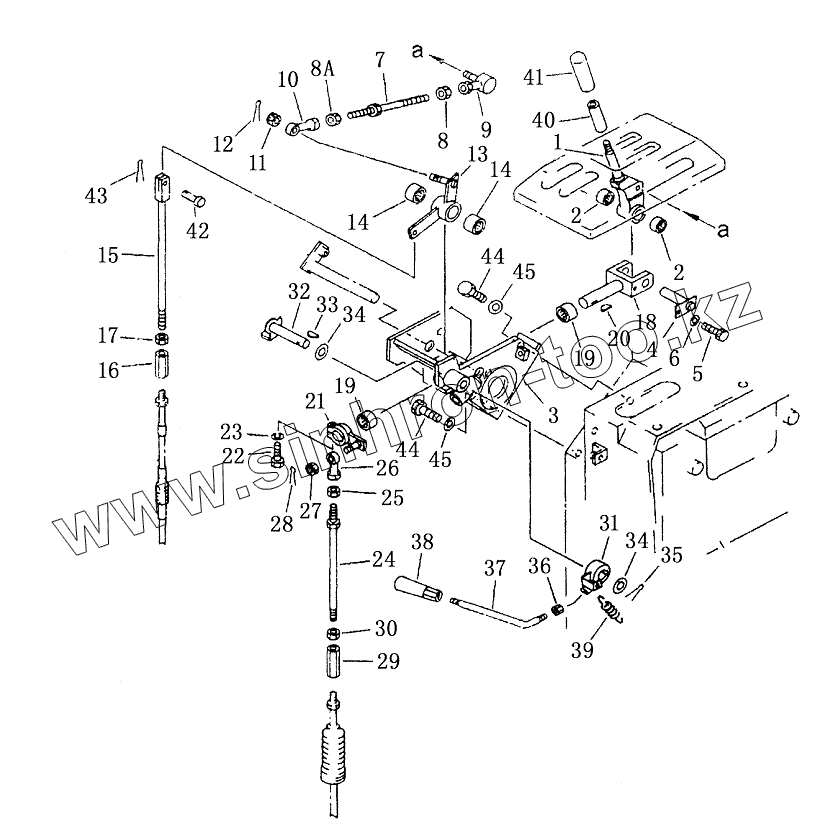
Каталог запасных частей к технике: Shantui SD23 (вариант). TRANSMISSION CONTROL LEVER
1
2
2
3
4
5
6
7
8
8A
9
10
11
12
13
14
14
15
16
17
18
19
19
20
21
22
23
24
25
26
27
28
29
30
31
32
33
34
34
35
36
37
38
39
40
41
42
43
44
44
45
45
| Позиция на иллюстрации | Заводской номер детали | Название детали | |
|---|---|---|---|
| 1 | 195-43-43150 | Рычаг | |
| 2 | 195-61-34120 | Подшипник | |
| 3 | 154-43-43130 | Опора | |
| 4 | 195-43-43170 | Палец | |
| 5 | 01010-50616 | Болт | |
| 6 | 01643-30623 | Прокладка | |
| 7 | 113-43-11530 | Винтовой шток | |
| 8 | 01580-10806 | Гайка | |
| 8A | 01508-40805 | Гайка | |
| 9 | 04256-00816 | Шаровое шарнирное соединение | |
| 10 | 04250-90847 | End bearing | |
| 11 | 01590-10809 | Гайка | |
| 12 | 04050-12015 | Разводной шплинт | |
| 13 | 154-43-43150 | Рычаг | |
| 14 | 195-43-43190 | Подшипник | |
| 15 | 195-43-41580 | Шток | |
| 16 | 144-43-51130 | Соединительная втулка | |
| 17 | 01508-20805 | Гайка | |
| 18 | 154-43-43210 | Вилка | |
| 19 | 195-43-43190 | Подшипник | |
| 20 | 04010-00519 | Стопор | |
| 21 | 154-43-43220 | Шток | |
| 22 | 01010-50830 | Болт | |
| 23 | 01602-20825 | Шайба | |
| 24 | 04248-31028 | Шток | |
| 25 | 01582-11008 | Гайка | |
| 26 | 04250-81056 | Откидной подшипник | |
| 27 | 01593-11008 | Гайка | |
| 28 | 04050-12018 | Разводной шплинт | |
| 29 | 178-43-12180 | Винтовая стяжная муфта | |
| 30 | 01508-21006 | Гайка М10х1.25 левая | |
| 31 | 195-43-43241A | Rocker | |
| 32 | 154-43-43260 | Палец | |
| 33 | 04010-00519 | Стопор | |
| 34 | 01640-21626 | Шайба | |
| 35 | 04050-14025 | Разводной шплинт | |
| 36 | 195-43-43370 | Гайка | |
| 37 | 195-43-43360 | Шток | |
| 38 | 09305-00800 | Ручка | |
| 39 | 195-43-43260 | Рессора | |
| 40 | 09361-01460 | Втулка | |
| 41 | 09304-01240 | Ручка | |
| 42 | 04205-10822 | Палец | |
| 43 | 04050-12015 | Разводной шплинт | |
| 44 | 01010-51225 | Болт | |
| 45 | 01643-31232 | Шайба |
Содержащиеся в справочниках-каталогах запасные части и детали не предлагаются к продаже, а носят исключительно информационный характер