Каталог запасных частей к технике: Shantui SD23 (вариант). THREE SHANK RIPPERRIPPER CYLINDER
1
2
3
3
3
3
4
5
6
7
8
9
10
11
12
13
14
15
16
17
18
19
19
20
20
21
21
22
22
23
23
23
23
24
25
26
26
26
27
27
28
29
30
30
31
31
32
32
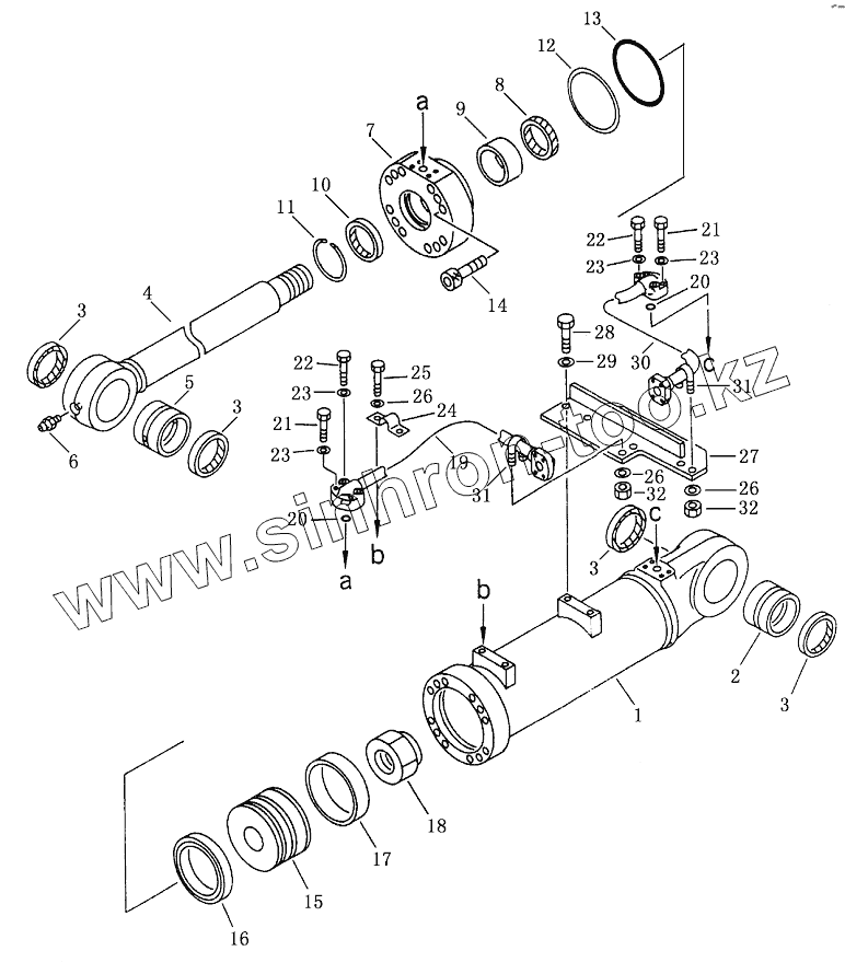
| Позиция на иллюстрации | Заводской номер детали | Название детали | |
|---|---|---|---|
| 154-63-X2091 | 154-63-X2091 | Ripper cylinder r.h | |
| 154-63-X2081 | 154-63-X2081 | Ripper cylinder l.h | |
| 154-63-02081 | 154-63-02081 | ripper cylinder ass'y | |
| 1 | 154-63-44141 | cylinder | |
| 2 | 154-63-42320 | Втулка | |
| 3 | 07145-00075 | Пылеулавливающее кольцо | |
| 4 | 154-63-44121 | rod | |
| 5 | 154-63-42420 | Втулка | |
| 6 | 07020-00000 | Масленка | |
| 7 | 707-27-14030 | head cylinder | |
| 8 | 707-51-70211 | pасking rоd | |
| 9 | 07177-07030 | bushing | |
| 10 | 144-63-95170 | sеаl dust | |
| 11 | 07179-12084 | ring snap | |
| 12 | 07146-02136 | ring back-up | |
| 13 | 07000-12135 | 0-ring | |
| 14 | 01252-31675 | bolt | |
| 15 | 707-36-14220 | piston | |
| 16 | 707-44-14180 | ring piston | |
| 17 | 07155-01435 | ring near | |
| 18 | 07165-15252 | nut | |
| 19 | 154-78-42161 | tube L. H. | |
| 19 | 154-78-42171 | tube R. H. | |
| 20 | 07000-13025 | Кольцо | |
| 21 | 01010-50835 | Болт | |
| 22 | 01010-50845 | Болт | |
| 23 | 01643-30823 | Шайба | |
| 24 | 07282-12288 | clamp | |
| 25 | 01010-51020 | Болт | |
| 26 | 01643-31032 | Шайба | |
| 27 | 707-88-11421 | bracket L. H. | |
| 27 | 701-88-11431 | bracket R. H. | |
| 28 | 01010-51230 | Болт | |
| 29 | 01643-31232 | Шайба | |
| 30 | 154-78-42141 | tube L. H. | |
| 30 | 154-78-42151 | tube R. H. | |
| 31 | 07283-22236 | clip | |
| 32 | 01599-01011 | Гайка |
Содержащиеся в справочниках-каталогах запасные части и детали не предлагаются к продаже, а носят исключительно информационный характер