Каталог запасных частей к технике: Shantui SD23 (вариант). IDLER
1
2
3
4
4
5
5
6
6
7
7
8
8
9
9
10
10
10
10
11
11
12
12
13
13
14
15
16
16
17
17
18
18
19
19
19
19
20
20
20
20
21
21
22
22
23
23
24
24
24
24
25
25
26
26
27
27
28
28
29
29
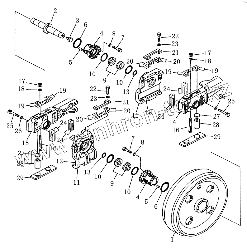
| Позиция на иллюстрации | Заводской номер детали | Название детали | |
|---|---|---|---|
| 150-30-22118 | 150-30-22118 | Направляющее колесо | |
| 170-30-13252 | 170-30-13252 | plate guide | |
| 01011-52020 | 01011-52020 | Bolt | |
| 154-30-12670 | 154-30-12670 | Прижимная пластина | |
| 154-30-12680 | 154-30-12680 | Shim, adjusting | |
| 154-30-43140 | 154-30-43140 | guide | |
| 170-30-91130 | 170-30-91130 | Фиксирующий штифт | |
| 155-30-16191 | 155-30-16191 | pushing inner | |
| 154-30-00770 | 154-30-00770 | idler assy | |
| 155-30-16202 | 155-30-16202 | Bushing аssу | |
| 1 | 154-30-23122 | Вал направляющего колеса | |
| 2 | 07052-31624 | Plug | |
| 3 | 17S-40H-00003 | plug | |
| 4 | 155-30-16182 | pushing outer | |
| 5 | 07000-02110 | Кольцо | |
| 6 | 01010-51235 | Болт | |
| 7 | 01602-21236 | Рессорная шайба | |
| 8 | 154-30-12271 | Герметичное кольцо | |
| 9 | 150-30-12220 | Кольцо | |
| 10 | 154-30-43130 | guide assy | |
| 11 | 154-30-43150 | plate welded | |
| 12 | 07000-02060 | Кольцо | |
| 13 | 154-30-43110 | suppose L.H. | |
| 14 | 154-30-43120 | suppose R.H. | |
| 15 | 154-30-12650 | Штифт | |
| 16 | 175-30-23180 | Гайка | |
| 17 | 01643-31645 | Шайба | |
| 18 | 154-30-12680 | Shim, adjusting | |
| 19 | 154-30-12690 | Shim, adjusting | |
| 20 | 154-30-12690 | Shim, adjusting | |
| 21 | 154-30-12660 | Винт | |
| 22 | 01643-31645 | Шайба | |
| 23 | 154-30-43160 | shim, adjusting | |
| 24 | 154-30-43170 | shim, adjusting | |
| 25 | 01643-32060 | Шайба | |
| 26 | 195-30-17960 | Прокладочная пластина | |
| 27 | 155-30-13230 | Резиновая шайба | |
| 28 | 175-30-24131 | Направляющая пластина | |
| 29 | 175-30-23130 | pedestal |
Содержащиеся в справочниках-каталогах запасные части и детали не предлагаются к продаже, а носят исключительно информационный характер