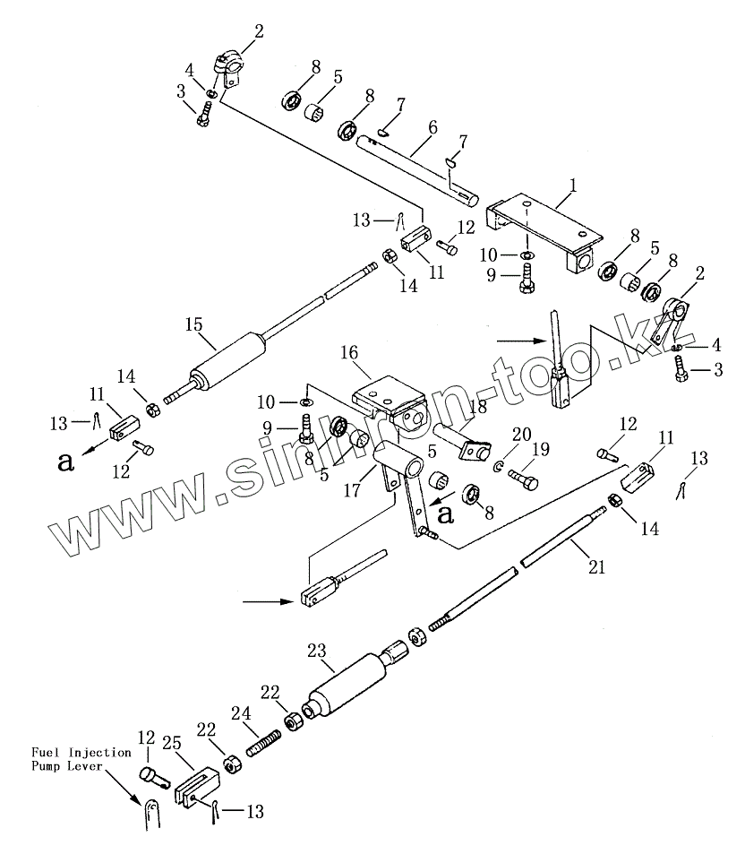
Каталог запасных частей к технике: Shantui SD23 (вариант). FUEL CONTROL LINKAGE
1
2
2
3
3
4
4
5
5
5
5
6
7
7
8
8
8
8
8
8
9
9
10
10
11
11
11
12
12
12
12
13
13
13
13
14
14
14
15
16
17
18
19
20
21
22
22
23
24
25
| Позиция на иллюстрации | Заводской номер детали | Название детали | |
|---|---|---|---|
| 1 | 17Y-05-11000 | Опора | |
| 2 | 17Y-05-10000 | Рычаг | |
| 3 | 01010-50830 | Болт | |
| 4 | 01602-20825 | Шайба | |
| 5 | GB290-82 | Шариковый игольчатый подшипник 37941/20 | |
| 6 | 154-43-44140 | Вал | |
| 7 | 04010-00519 | Стопор | |
| 8 | 06122-02004 | Защитное кольцо подшипника | |
| 9 | 01010-51230 | Болт | |
| 10 | 01643-31232 | Шайба | |
| 11 | 198-43-18170 | Вилка | |
| 12 | 04205-10822 | Палец | |
| 13 | 04050-12016 | Разводной штифт 2х16 | |
| 14 | 01582-11008 | Гайка | |
| 15 | 154-43-44162 | Штанга | |
| 16 | 17Y-05-05000 | Опора | |
| 17 | 17Y-05-06000 | Рычаг | |
| 18 | 17Y-05-04000 | Вал | |
| 19 | 01010-51016 | Болт | |
| 20 | 01602-21030 | Шайба | |
| 21 | 17Y-05-00014 | rod | |
| 22 | 01580-10806 | Гайка | |
| 23 | 09290-10000 | Абсорбер | |
| 24 | 04245-40806 | Тяговая штанга | |
| 25 | 04211-20844 | Вилка |
Содержащиеся в справочниках-каталогах запасные части и детали не предлагаются к продаже, а носят исключительно информационный характер