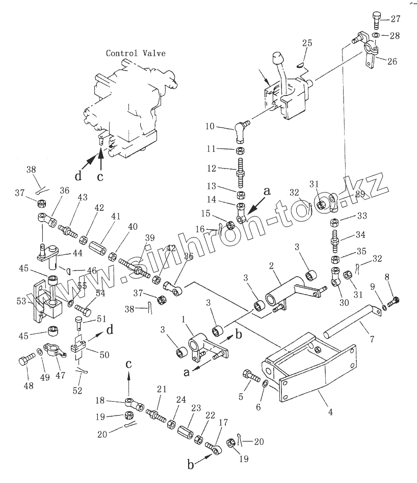
Каталог запасных частей к технике: Shantui SD23. BLADE CONTROL LINKAGE
1
2
3
3
3
3
4
5
6
7
8
9
10
11
12
13
14
15
16
17
18
19
19
20
20
21
22
23
24
25
26
27
28
29
30
31
31
32
32
33
34
35
36
36
37
37
38
38
39
40
41
42
42
43
44
45
45
46
47
48
49
50
51
52
53
54
55
| Позиция на иллюстрации | Заводской номер детали | Название детали | |
|---|---|---|---|
| 154-61-X4150 | 154-61-X4150 | blade control lever | |
| 1 | 154-61-75160 | lever | |
| 2 | 154-61-75150 | lever | |
| 3 | 195-61-34140 | bеаring nееdlе | |
| 4 | 154-61-75130 | bracket | |
| 5 | 01010-51230 | Болт | |
| 6 | 01643-31232 | Шайба | |
| 7 | 154-61-75140 | pin | |
| 8 | 01010-51025 | Болт | |
| 9 | 01643-31032 | Шайба | |
| 10 | 195-61-45420 | Шарнир шаровой | |
| 11 | 01582-11210 | Гайка | |
| 12 | 04248-31211 | rod | |
| 13 | 01508-21207 | Гайка | |
| 14 | 04250-91265 | Подшипник концевой | |
| 15 | 01593-11210 | Гайка | |
| 16 | 04050-13020 | Разводной шплинт | |
| 17 | 04252-31269 | end rod | |
| 18 | 04250-81265 | еnd rоd | |
| 19 | 01593-11210 | Гайка | |
| 20 | 04050-13020 | Разводной шплинт | |
| 21 | 154-61-75170 | rod | |
| 22 | 01508-21207 | Гайка | |
| 23 | 176-76-27550 | joint | |
| 24 | 01582-11210 | Гайка | |
| 25 | 04010-00519 | Стопор | |
| 26 | 154-61-75120 | lever | |
| 27 | 01010-50830 | Болт | |
| 28 | 01643-30823 | Шайба | |
| 29 | 04250-81265 | еnd rоd | |
| 30 | 04250-91265 | Подшипник концевой | |
| 31 | 01593-11210 | Гайка | |
| 32 | 04050-13020 | Разводной шплинт | |
| 33 | 01582-11210 | Гайка | |
| 34 | 175-61-13760 | rod | |
| 35 | 01508-21207 | Гайка | |
| 36 | 04250-81265 | еnd rоd | |
| 37 | 01593-11210 | Гайка | |
| 38 | 04050-13020 | Разводной шплинт | |
| 39 | 04248-31213 | rod | |
| 40 | 01508-21207 | Гайка | |
| 41 | 176-76-27550 | joint | |
| 42 | 01582-11210 | Гайка | |
| 43 | 154-61-75170 | rod | |
| 44 | 154-61-75220 | lever | |
| 45 | 195-61-45440 | Подшипник | |
| 46 | 04010-00519 | Стопор | |
| 47 | 154-61-75210 | lever | |
| 48 | 01010-50830 | Болт | |
| 49 | 01643-30823 | Шайба | |
| 50 | 04213-20625 | joint | |
| 51 | 04250-10618 | pin | |
| 52 | 04050-11612 | Pin cotter | |
| 53 | 154-61-75180 | bracket | |
| 54 | 01010-51225 | Болт | |
| 55 | 01643-31232 | Шайба |
Содержащиеся в справочниках-каталогах запасные части и детали не предлагаются к продаже, а носят исключительно информационный характер