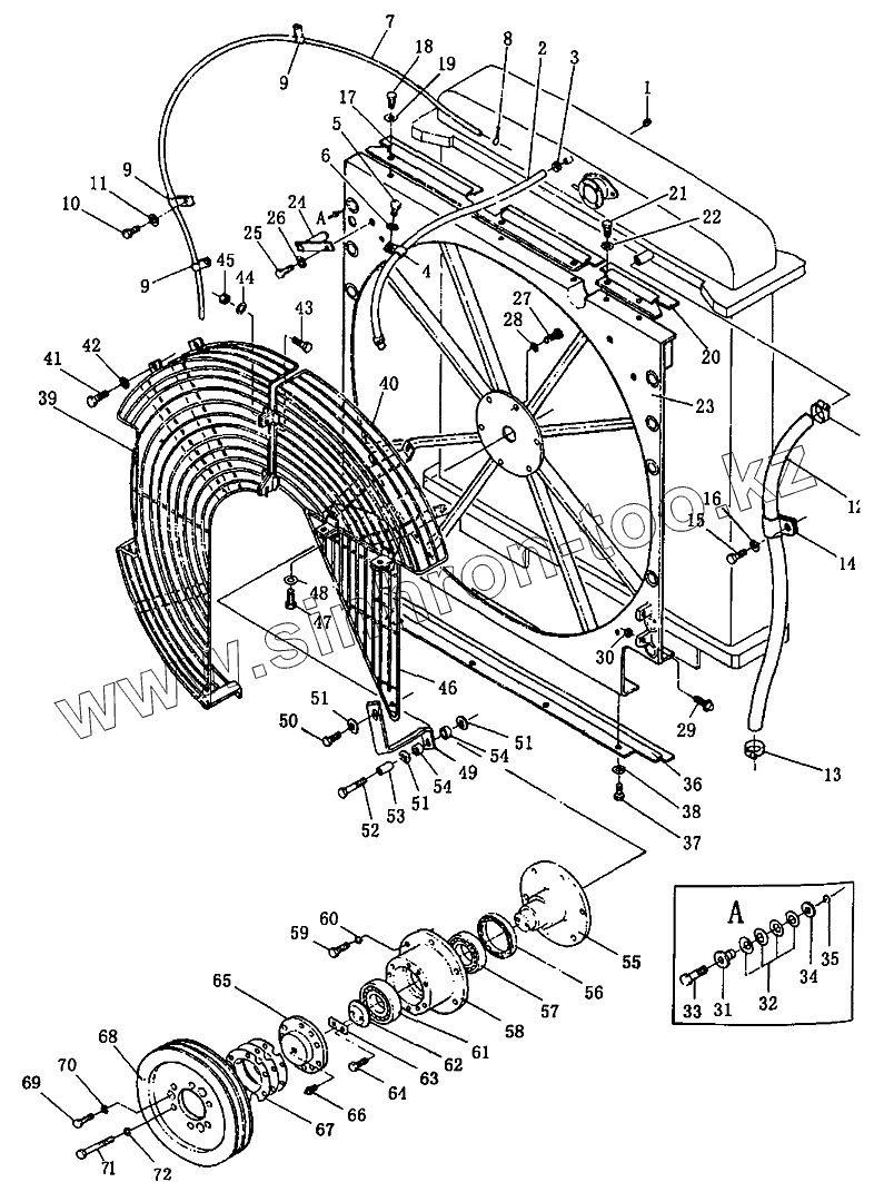
Каталог запасных частей к технике: Shantui SD22. Трубопроводы системы охлаждения
1
2
3
4
5
6
7
8
9
9
9
10
11
12
13
14
15
16
17
18
19
20
21
22
23
24
25
26
27
28
29
30
31
32
33
34
35
36
37
38
39
40
41
42
43
44
45
46
47
48
49
50
51
51
51
52
53
54
54
55
56
57
58
59
60
61
62
63
64
65
66
67
68
69
70
71
72
| Позиция на иллюстрации | Заводской номер детали | Название детали | |
|---|---|---|---|
| 1 | 01049-01012 | Заглушка 10 | |
| 2 | 154-03-11522 | Рукав | |
| 3 | 07281-00197 | Зажим | |
| 4 | 08036-01814 | Провододержатель | |
| 5 | 01010-51220 | Болт | |
| 6 | 01643-31232 | Шайба | |
| 7 | 195-03-13131 | Труба | |
| 8 | 04059-01010 | Железная проволока 19# | |
| 9 | 195-03-11690 | Зажим | |
| 10 | 01010-51220 | Болт | |
| 11 | 01043-31232 | Уплотнительная шайба | |
| 12 | 154-03-11535 | Рукав | |
| 13 | 07281-00419 | Зажим | |
| 14 | 195-03-11511 | Зажим | |
| 15 | 01010-51225 | Болт | |
| 16 | 01643-31232 | Шайба | |
| 17 | 154-03-13231 | Защитная насадка (левая верхняя) | |
| 18 | 01010-51225 | Болт | |
| 19 | 01643-31232 | Шайба | |
| 20 | 154-03-13270 | Защитная насадка (правая верхняя) | |
| 21 | 01010-51225 | Болт | |
| 22 | 01643-31232 | Шайба | |
| 23 | 154-03-12626 | Защитная опора | |
| 24 | 175-03-32710 | Палец | |
| 25 | 01010-51230 | Болт | |
| 26 | 01643-31232 | Шайба | |
| 27 | 01010-51235 | Болт | |
| 28 | 01602-21236 | Рессорная шайба | |
| 29 | 09311-31237 | Амортизационный болт | |
| 30 | 01580-11210 | Гайка | |
| 31 | 154-03-13180 | Втулка | |
| 32 | 175-54-27350 | Рессора | |
| 33 | 01010-51255 | Болт | |
| 34 | 01643-32060 | Шайба | |
| 35 | 175-04-28770 | Стопорное кольцо | |
| 36 | 154-03-12833 | Защитная насадка | |
| 37 | 01010-51020 | Болт | |
| 38 | 01643-31032 | Шайба | |
| 39 | 154-03-12644 | Сетка (левая) | |
| 40 | 154-03-12634 | Сетка (правая верхняя) | |
| 41 | 01010-51230 | Болт | |
| 42 | 01643-31232 | Шайба | |
| 43 | 01010-51230 | Болт | |
| 44 | 01643-31232 | Шайба | |
| 45 | 01580-11210 | Гайка | |
| 46 | 154-03-12653 | Сетка (правая нижняя) | |
| 47 | 01010-51230 | Болт | |
| 48 | 01643-31232 | Шайба | |
| 49 | 154-03-12871 | Суппорт | |
| 50 | 01010-51230 | Болт | |
| 51 | 124-54-26540 | Шайба | |
| 52 | 01010-51265 | Болт | |
| 53 | 170-03-13130 | Прокладка | |
| 54 | 154-03-12880 | Гнездо | |
| 55 | 154-03-С1110 | Вал | |
| 56 | 07011-10090 | Герметик | |
| 57 | 06040-06212 | Шариковый подшипник | |
| 58 | 154-03-С1120 | Корпус | |
| 59 | 01010-51235 | Болт | |
| 60 | 01602-21236 | Рессорная шайба | |
| 61 | 06040-06310 | Однорядный шариковый подшипник | |
| 62 | 195-03-11840 | Прижимная пластина | |
| 63 | 195-03-11850 | Стопорная прокладка | |
| 64 | 01010-51030 | Болт | |
| 65 | 155-03-11850 | Крышка | |
| 66 | 07020-0000 | Масленка | |
| 67 | 155-03-11880 | Уплотнительная прокладка | |
| 68 | 154-03-11981 | Шкив | |
| 69 | 01010-51030 | Болт | |
| 70 | 01602-21030 | Шайба | |
| 71 | 01016-51270 | Болт | |
| 72 | 01602-21236 | Рессорная шайба | |
| 154-03-C1001 | 154-03-C1001 | Радиатор |
Содержащиеся в справочниках-каталогах запасные части и детали не предлагаются к продаже, а носят исключительно информационный характер