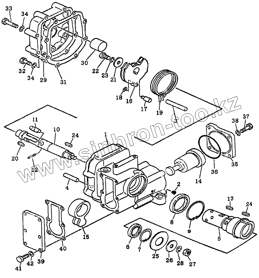
Каталог запасных частей к технике: Shantui SD22. Сервоклапан управления развалом и рыхлителем
1
2
3
4
5
6
7
8
9
10
11
12
13
14
15
16
17
18
19
20
21
22
23
24
24
25
26
27
28
29
30
31
32
33
34
34
35
36
37
38
39
40
41
42
| Позиция на иллюстрации | Заводской номер детали | Название детали | |
|---|---|---|---|
| 1 | 702-12-14000 | Сервоклапан | |
| 2 | 07043-00108 | Заглушка | |
| 3 | 702-12-12140 | Штифт | |
| 4 | 702-12-12150 | Штифт | |
| 5 | 702-12-14000 | Сервоклапан | |
| 6 | 702-12-12390 | Сальник | |
| 7 | 04065-04018 | Открытое кольцо | |
| 8 | 702-12-12410 | Сальник | |
| 9 | 04065-06020 | Открытое кольцо | |
| 10 | 702-12-14000 | Сервоклапан | |
| 11 | 702-12-12180 | Штифт | |
| 12 | 04025-00316 | Пружинный штифт | |
| 13 | 04000-00520 | Стопор | |
| 14 | 702-12-14000 | Сервоклапан | |
| 15 | 702-12-12210 | Рычаг | |
| 16 | 702-12-12451 | Предохранитель | |
| 17 | 702-12-12230 | Штифт | |
| 18 | 702-12-12240 | Открытое кольцо | |
| 19 | 702-12-12251 | Рессора | |
| 20 | 04000-00515 | Стопор | |
| 21 | 702-12-12420 | Шайба | |
| 22 | 01010-50816 | Болт | |
| 23 | 01602-20825 | Шайба | |
| 24 | 04000-00520 | Стопор | |
| 25 | 702-12-12280 | Шайба | |
| 26 | 702-12-12270 | Шайба | |
| 27 | 01580-11008 | Гайка | |
| 28 | 01602-21030 | Шайба | |
| 29 | 702-12-13220 | Крышка | |
| 30 | 702-12-13210 | Штифт | |
| 31 | 702-12-13140 | Уплотнительная прокладка | |
| 32 | 01010-50835 | Болт | |
| 33 | 01010-50845 | Болт | |
| 34 | 01602-20825 | Шайба | |
| 35 | 702-12-13160 | Крышка | |
| 36 | 07000-22070 | Кольцо | |
| 37 | 01010-50825 | Болт | |
| 38 | 01602-20825 | Шайба | |
| 39 | 702-12-13130 | Крышка | |
| 40 | 702-12-13150 | Уплотнительная прокладка | |
| 41 | 01010-50825 | Болт | |
| 42 | 01602-20825 | Шайба |
Содержащиеся в справочниках-каталогах запасные части и детали не предлагаются к продаже, а носят исключительно информационный характер