Вернуться на главную
Поиск
Каталоги запчастей к технике
Спецтехника
Shantui
Shantui SD22
Гидроцилиндр развала
Каталог запасных частей к технике: Shantui SD22. Гидроцилиндр развала
zoom-in
zoom-out
enlarge
shrink
circle-right
circle-left
file-text2
info
cart
Тип техники
Не выбрано
Легковые автомобили
Грузовые автомобили и прицепы
Автобусы
Сельхозтехника
Спецтехника
Двигатели
Мототехника
Марка
Не выбрано
Ammann
BOMAG
CARMIX
CASE IH
Changlin
ChengGong
Dimex
Doosan
DYNAPAC
Foton
HAMM
Hidromek
Hitachi
Hyundai
JCB
JLG
John Deere
Komatsu
LIEBHERR
LiuGong
Lonking (LongGong)
Luneng
MANITOU
Mitsuber
New Holland
PENGPU
RM-Terex
SANY
SDLG
SEM
Shantui
Shehwa HBXG
Soosan
TIGARBO
VOGELE
Volvo
WAY
WIRTGEN
XCMG
XGMA
Xiamen
YTO
Yuchai
Zoomlion
Автокран
АЗСМ
Алтайлесмаш
Амкодор
АОМЗ
Атек
АТЗ
Балканкар Рекорд
БелАЗ
Беловеж
Борекс
Брянский Арсенал
Булат
ВЭКС
ГАЗ
Геомаш
Гидромаш
Донекс
Дормаш
Дормашина
Дорэлектромаш
ДЭЗ
ЕлАЗ
ЗЗГТ
Ижнефтемаш
Канаш-электрокар
КЗКТ
ККЗ
Клевер
Клинцовский автокрановый завод
КМЗ
КМЗ 1 Мая
Ковровец
Коммаш
Кранэкс
КЭЗ
КЭМЗ
ЛЗА
МАЗ
МЗИК
МЗКМ
МЗКТ
Михневский РМЗ
МоАЗ
Мозырский МЗ
МТЗ
ОЗП
Онежец
ПАО "ТЗА"
ППС Детва
Промтрактор
ПТЗ
Раскат
СпецАгрегат
ТВЭКС
ТТМ
УВЗ
Угличмаш
УЗТМ
ХТЗ
ЧЗКМ
ЧСДМ
ЧТЗ
ЭКСКО
ЭКСМАШ
ЮрМаш
Модель
Не выбрано
SD16 (2010)
SD16 (вариант) (2014)
SD16E (2010)
SD16L (2010)
SD22 (вариант) (2013)
SD32 (вариант) (2011)
Shantui SD10YE (2015)
Shantui SD16 (2008)
Shantui SD22 (2008)
Shantui SD23 (2003)
Shantui SD23 (вариант) (2013)
Shantui SD32 (2005)
Shantui SD42-3 (2008)
Shantui SG16-3 (2014)
Shantui SG18-3 (2014)
SL-30W (2010)
SL-50W (2013)
Каток SR12-5 (2013)
Каток SR14M-2 (2012)
Каток SR16 (2014)
Каток SR18 (2011)
Каток SR18M (2010)
Каток SR20M (2014)
Погрузчик SF15, SF18 (2010)
Погрузчик SF30 (2013)
Погрузчик SF45T (2013)
Погрузчик SF50/SF60/SF70 (2013)
Погрузчик вил. 2-2.5t (2010)
Схема
>
Не выбрано
Защита оператора
Защита оператора
Кабина
Сиденье водителя
Защитные кожухи радиатора
Оградитель двигателя
Крылья
Суппорт
Каркас пола
Коробка аккумуляторной батареи
Нижний защитный настил
Маркировка
Двигательная установка
Передний суппорт
Маховик
Приводные шестерни
Ручной газ
Механизм подачи топлива
Топливный бак
Топливные трубопроводы
Воздухоочистительный фильтр
Выпускная труба и глушитель
Масляный трубопровод
Радиатор
Трубопроводы системы охлаждения
Вентилятор
Гидротрансформатор
Турбинный вал и ходовое колесо
Коробка передач
Шестерня и вал коробки передач (1/3)
Шестерня и вал коробки передач (2/3)
Шестерня и вал коробки передач (3/3)
Раздаточная коробка и шестерня
Клапан управления коробкой передач (1/3)
Клапан управления коробкой передач (2/3)
Клапан управления коробкой передач (3/3)
Рычаг управления коробкой передач
Тяга управления коробкой передач (1/3)
Тяга управления коробкой передач (2/3)
Тяга управления коробкой передач (3/3)
Насос коробки передач
Трубопроводы гидротрансформатора (1/2)
Трубопроводы гидротрансформатора (2/2)
Трубопроводы коробки передач
Раздаточная коробка
Карданный вал
Конечная передача и шестерня (1/2)
Конечная передача и шестерня (2/2)
Цепная шестерня и вал
Рама
Балансир
Тяговый стержень
Крышка рамы
Опора гидроцилиндра
Откатный механизм
Защитная камера опорного катка
Направляющее колесо
Опорный каток
Поддерживающий каток
Гусеничный трак (стандартный тип)
Гусеничный трак (смазочный тип)
Рычаг рулевого управления и основная стойка
Коническая шестерня и вал
Рулевое сцепление
Рычаг рулевого управления
Тяга рулевого и тормозного управления (1/2)
Тяга рулевого и тормозного управления (2/2)
Педаль тормоза
Тормозная лента и групповой привод
Тормоз
Тормозной усилитель
Педаль тормоза
Тормозной рычаг
Электрооборудование (1/2)
Электрооборудование (2/2)
Панель приборов
Реле и предохранители
Аккумулятор и релейный переключатель
Рулевой насос
Клапан рулевого управления
Главный клапан регулировки давления
Масляный фильтр тонкой очистки
Масляный фильтр грубой очистки
Трубопроводы рулевого управления (1/3)
Трубопроводы рулевого управления (2/3)
Трубопроводы рулевого управления (3/3)
Трубопроводы тормозной системы
Гидросистема
Гидросистема
Гидравлический насос
Гидробак (1/2)
Гидробак (2/2)
Гидравлический фильтр
Подъемник ножа куна и клапан управления развалом (1/2)
Подъемник ножа куна и клапан управления развалом (2/2)
Клапан управления рыхлителем (1/2)
Клапан управления рыхлителем (2/2)
Подъемный гидроцилиндр ножа (1/2)
Подъемный гидроцилиндр ножа (2/2)
Гидроцилиндр развала
Гидравлические трубопроводы (от бака к насосу)
Гидравлические трубопроводы (от бака к подъемному цилиндру)
Гидравлические трубопроводы (от бака к подъемному цилиндру)
Гидравлические трубопроводы (SD22S) (1/2)
Гидравлические трубопроводы (SD22S) (2/2)
Гидравлические трубопроводы (от бака к цилиндру развала) (1/2)
Гидравлические трубопроводы (от бака к цилиндру развала) (2/2)
Гидравлические трубопроводы (SD22S) (1/2)
Гидравлические трубопроводы (SD22S) (2/2)
Сервоклапан управления развалом и рыхлителем
Система трубопровода сервоклапана
Держатель рычага управления и гнездо клапана
Рычаг управления ножом куна
Рычаг управления рыхлителем
Механизм управления подъемником и рыхлителем
Механизм управления развалом
Механизм управления ножом
Сервоклапан управления подъемником
Подъемный гидроцилиндр рыхлителя с одиночной стойкой
Гидроцилиндр, регулирующий угол рыхлителя с одиночной стойкой
Гидроцилиндр, регулирующий угол рыхлителя с одиночной стойкой (левый)
Гидроцилиндр, регулирующий угол, рыхлителя с одиночной стойкой (правый)
Гидросистема рыхлителя с одиночной стойкой
Гидросистема рыхлителя с одиночной стойкой
Гидросистема рыхлителя с одиночной стойкой
Гидросистема рыхлителя с одиночной стойкой
Гидросистема рыхлителя с одиночной стойкой
U-образный отвал
Прямой отвал
Штанговый толкатель
Прямой отвал (SD22S)
Штанговый толкатель (SD22S)
Рыхлитель
Система трубопровода рыхлителя
Гидроцилиндр рыхлителя
Угловой отвал
Дугообразная рама
У-отвал
Рыхлитель с одиночной стойкой
Рычаг управления рыхлителем с одиночной стойкой
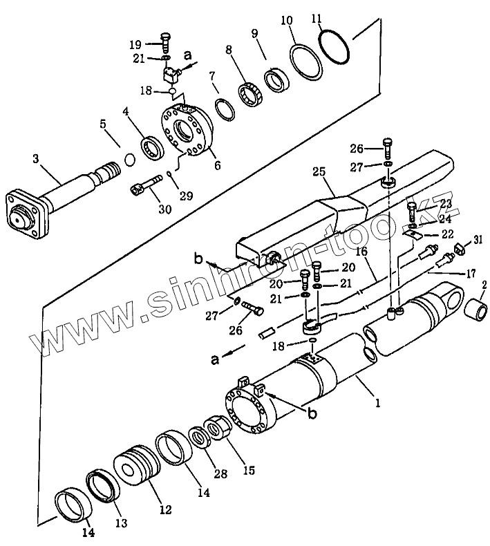
1
2
3
4
5
6
7
8
9
10
11
12
13
14
14
15
16
17
18
18
19
20
20
21
21
21
22
23
24
25
26
26
27
27
28
29
30
31
Позиция на иллюстрации
Заводской номер детали
Название детали
1
23Y-63В-01100
Корпус цилиндра
2
154-63-52760
Втулка
3
23Y-63В-01200
Поршневой шток
4
23Y-63В-01004
Пылеулавливающее кольцо
5
07000-13062
Кольцо
6
23Y-63В-01002
Голова цилиндра
7
23Y-63В-01005
Кольцо KY
8
23Y-63В-01300
Герметик
9
23Y-63В-01003
Направляющее кольцо
10
07146-05192
Защитное упорное кольцо
11
07000-15190
Кольцо
12
23Y-63В-01001
Поршень
13
23Y-63В-01400
Кольцо
14
23Y-63В-01006
Опорное кольцо
15
07165-16264
Гайка
16
154-63-52184
Труба
17
154-63-52284
Труба
18
07000-13030
Кольцо
19
01010-50860
Болт
20
01010-50845
Болт
21
01643-30823
Шайба
22
195-63-52871
Дугообразный зажим
23
01010-51225
Болт
24
01643-31232
Шайба
25
154-63-52684
Крышка
26
01010-51435
Болт
27
01643-31645
Шайба
28
154-63-52370
Шайба
29
01643-32060
Шайба
30
01010-52090
Болт
31
154-63-52890
Заглушка
Содержащиеся в справочниках-каталогах запасные части и детали не предлагаются к продаже, а носят исключительно информационный характер
Дополнительная информация
×
Название:
Номер:
Примечание: