Каталог запасных частей к технике: Shantui SD32 (вариант). FRAME, FLOOR PLATE
1
2
2
3
3
3
4
4
4
4
4
4
4
4
4
5
5
5
5
6
7
8
9
9
9
9
9
10
11
12
13
14
15
15
15
15
16
16
16
16
17
17
18
19
20
21
22
23
24
25
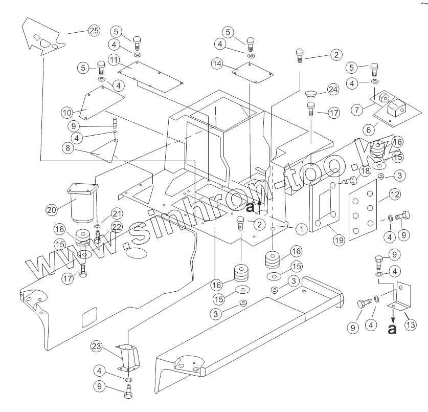
| Позиция на иллюстрации | Заводской номер детали | Название детали | |
|---|---|---|---|
| 1 | 171-51-04000 | floor frame | |
| 2 | 01011-52045 | Bolt | |
| 3 | 01580-12016 | Nut | |
| 4 | 01643-31032 | Шайба | |
| 5 | 01010-51035 | Болт | |
| 6 | 171-51-19000 | steadier | |
| 7 | 171-51-30000 | steadier | |
| 8 | 171-51-00001 | plate | |
| 9 | 01010-51025 | Болт | |
| 10 | 171-51-05000 | plate, cover | |
| 11 | 171-51-18000 | cover | |
| 12 | 171-51-00003 | plate | |
| 13 | 171-51-00002 | plate | |
| 14 | 171-51-13000 | cover | |
| 15 | 23Y-51B-00010 | Washer | |
| 16 | 23Y-51B-24000 | Damping seat | |
| 17 | 01011-52025 | Болт | |
| 18 | 01023-30610 | Screw | |
| 19 | 171-51-28000 | Cover plate | |
| 20 | 171-51-15000 | Bracket | |
| 21 | 01643-31232 | Шайба | |
| 22 | 01010-51230 | Болт | |
| 23 | 171-51-29000 | Bracket | |
| 24 | 171-51-00005 | Cap | |
| 25 | 171-51-33000 | Pad, Floor plate |
Содержащиеся в справочниках-каталогах запасные части и детали не предлагаются к продаже, а носят исключительно информационный характер