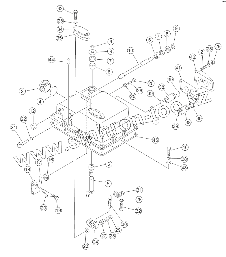
Каталог запасных частей к технике: Shantui SD22 (вариант). TRANSMISSION CONTROL VALVE (3/3)
1
2
3
4
5
6
6
6
7
7
8
8
9
9
10
12
16
17
18
19
20
21
22
23
24
25
25
26
27
28
28
28
28
28
29
29
30
31
32
32
34
35
38
38
39
39
39
39
40
41
44
45
46
48
| Позиция на иллюстрации | Заводской номер детали | Название детали | |
|---|---|---|---|
| 1 | 175-15-45510 | Крышка | |
| 2 | 01124-51025 | Двойной болт | |
| 3 | 07040-15223 | Заглушка | |
| 4 | 07002-15234 | O-ring | |
| 5 | 175-15-45560 | Рычаг | |
| 6 | GB290-HK2016 | Игольчатый подшипник | |
| 7 | 144-15-29110 | Сальник | |
| 8 | 175-15-45570 | Шайба | |
| 9 | 175-15-45580 | Открытое кольцо | |
| 10 | 175-15-45610 | Вал | |
| 12 | GB290-BK2016 | Bearing | |
| 16 | 175-15-45620 | Стопор | |
| 17 | 04050-03040 | Открытое кольцо | |
| 18 | 175-15-45630 | Рычаг | |
| 19 | 125-15-11530 | Болт | |
| 20 | 04059-11010 | Iron wire | |
| 21 | 175-15-45650 | Болт | |
| 22 | 07002-11223 | O-ring | |
| 23 | 175-15-45660 | Шайба | |
| 24 | 175-15-45690 | Рычаг | |
| 25 | 144-15-29120 | Ролик | |
| 26 | 144-15-25690 | Палец | |
| 27 | 175-15-45670 | Втулка | |
| 28 | 01602-21030 | Шайба | |
| 29 | 01580-11008 | Гайка | |
| 30 | 175-15-45710 | Рессора | |
| 31 | 175-15-45780 | Держатель | |
| 32 | 01010-51020 | Болт | |
| 34 | 175-15-45750 | Прокладочная пластина | |
| 35 | 175-15-45760 | Уплотнительная прокладка | |
| 38 | 175-15-45550 | Втулка | |
| 39 | 07000-73028 | Кольцо круглого сечения | |
| 40 | 175-15-45530 | Крышка | |
| 41 | 175-15-45540 | Уплотнительная прокладка | |
| 44 | 04020-00820 | Фиксирующий штифт | |
| 45 | 175-15-45520 | Уплотнительная прокладка | |
| 46 | 01010-51025 | Болт | |
| 48 | 01640-21016 | Шайба |
Содержащиеся в справочниках-каталогах запасные части и детали не предлагаются к продаже, а носят исключительно информационный характер