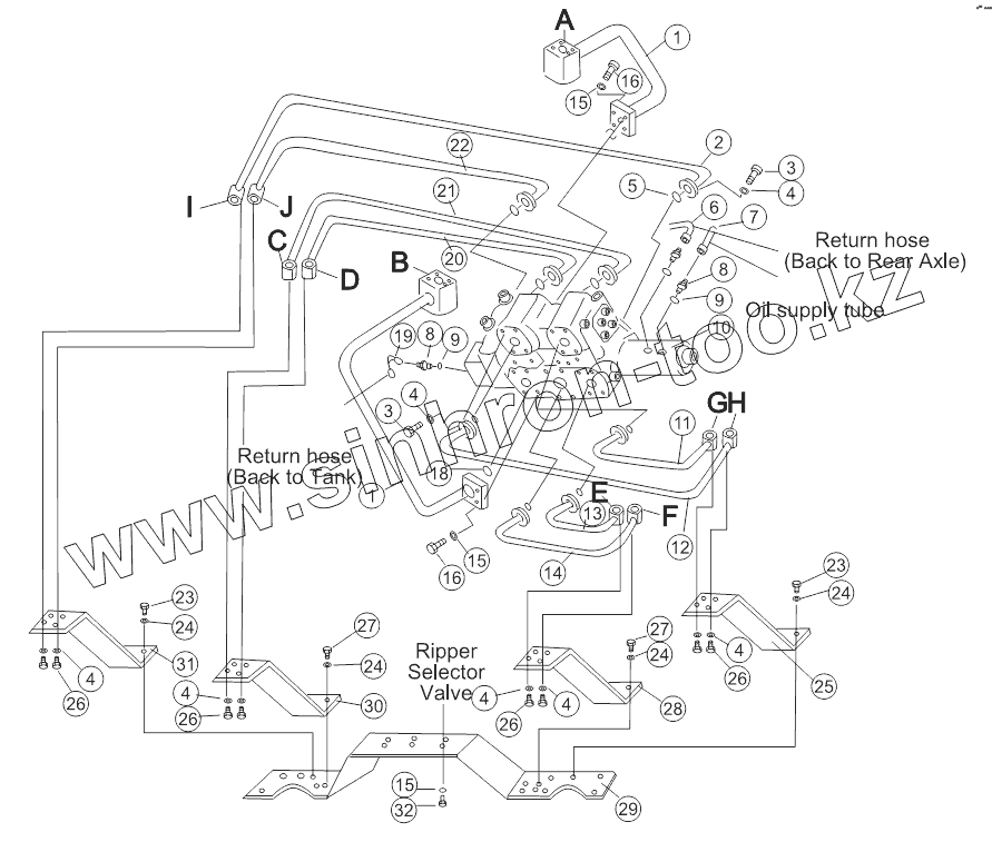
Каталог запасных частей к технике: Shantui SD22 (вариант). SINGLE GROUSER HYDRAULIC PIPING (4/5)
1
1
2
3
3
4
4
4
4
4
4
4
5
6
7
8
8
9
9
10
11
12
13
14
15
15
15
16
16
18
19
20
21
22
23
23
24
24
24
24
25
26
26
26
26
27
27
28
29
30
31
32
| Позиция на иллюстрации | Заводской номер детали | Название детали | |
|---|---|---|---|
| 1 | 23Y-89-12600 | Труба | |
| 2 | 23Y-89-12700 | Труба | |
| 3 | 01010-50830 | Болт | |
| 4 | 01602-20825 | Шайба | |
| 5 | 07000-13025 | Кольцо | |
| 6 | 07102-20322 | Труба | |
| 7 | 07112-00322 | Hose | |
| 8 | 23Y-89-10007 | Штуцер трубы | |
| 9 | JB1002-16 | Washer | |
| 10 | 23Y-89-13400 | Селекторный клапан | |
| 11 | 23Y-89-11300 | Труба | |
| 12 | 23Y-89-11400 | Труба | |
| 13 | 23Y-89-11200 | Труба | |
| 14 | 23Y-89-11100 | Труба | |
| 15 | 01602-21030 | Шайба | |
| 16 | 01010-51035 | Болт | |
| 18 | 07000-13032 | Кольцо | |
| 19 | 07102-20323 | Hose | |
| 20 | 23Y-89-13200 | Труба | |
| 21 | 23Y-89-13300 | Труба | |
| 22 | 23Y-89-12800 | Труба | |
| 23 | 01010-51250 | Болт | |
| 24 | 01602-21236 | Рессорная шайба | |
| 25 | 23Y-89-11600 | Держатель | |
| 26 | 01010-50825 | Болт | |
| 27 | 01010-51240 | Болт | |
| 28 | 23Y-89-11500 | Держатель | |
| 29 | 23Y-89-13100 | Держатель | |
| 30 | 23Y-89-12900 | Держатель | |
| 31 | 23Y-89-13000 | Держатель | |
| 32 | 01010-51025 | Болт |
Содержащиеся в справочниках-каталогах запасные части и детали не предлагаются к продаже, а носят исключительно информационный характер