Вернуться на главную
Поиск
Каталоги запчастей к технике
Спецтехника
Shantui
SD22 (вариант)
SINGLE GROUSER HYDRAULIC PIPING (1/5)
Каталог запасных частей к технике: Shantui SD22 (вариант). SINGLE GROUSER HYDRAULIC PIPING (1/5)
zoom-in
zoom-out
enlarge
shrink
circle-right
circle-left
file-text2
info
cart
Тип техники
Не выбрано
Легковые автомобили
Грузовые автомобили и прицепы
Автобусы
Сельхозтехника
Спецтехника
Двигатели
Мототехника
Марка
Не выбрано
Ammann
BOMAG
CARMIX
CASE IH
Changlin
ChengGong
Dimex
Doosan
DYNAPAC
Foton
HAMM
Hidromek
Hitachi
Hyundai
JCB
JLG
John Deere
Komatsu
LIEBHERR
LiuGong
Lonking (LongGong)
Luneng
MANITOU
Mitsuber
New Holland
PENGPU
RM-Terex
SANY
SDLG
SEM
Shantui
Shehwa HBXG
Soosan
TIGARBO
VOGELE
Volvo
WAY
WIRTGEN
XCMG
XGMA
Xiamen
YTO
Yuchai
Zoomlion
Автокран
АЗСМ
Алтайлесмаш
Амкодор
АОМЗ
Атек
АТЗ
Балканкар Рекорд
БелАЗ
Беловеж
Борекс
Брянский Арсенал
Булат
ВЭКС
ГАЗ
Геомаш
Гидромаш
Донекс
Дормаш
Дормашина
Дорэлектромаш
ДЭЗ
ЕлАЗ
ЗЗГТ
Ижнефтемаш
Канаш-электрокар
КЗКТ
ККЗ
Клевер
Клинцовский автокрановый завод
КМЗ
КМЗ 1 Мая
Ковровец
Коммаш
Кранэкс
КЭЗ
КЭМЗ
ЛЗА
МАЗ
МЗИК
МЗКМ
МЗКТ
Михневский РМЗ
МоАЗ
Мозырский МЗ
МТЗ
ОЗП
Онежец
ПАО "ТЗА"
ППС Детва
Промтрактор
ПТЗ
Раскат
СпецАгрегат
ТВЭКС
ТТМ
УВЗ
Угличмаш
УЗТМ
ХТЗ
ЧЗКМ
ЧСДМ
ЧТЗ
ЭКСКО
ЭКСМАШ
ЮрМаш
Модель
Не выбрано
SD16 (2010)
SD16 (вариант) (2014)
SD16E (2010)
SD16L (2010)
SD22 (вариант) (2013)
SD32 (вариант) (2011)
Shantui SD10YE (2015)
Shantui SD16 (2008)
Shantui SD22 (2008)
Shantui SD23 (2003)
Shantui SD23 (вариант) (2013)
Shantui SD32 (2005)
Shantui SD42-3 (2008)
Shantui SG16-3 (2014)
Shantui SG18-3 (2014)
SL-30W (2010)
SL-50W (2013)
Каток SR12-5 (2013)
Каток SR14M-2 (2012)
Каток SR16 (2014)
Каток SR18 (2011)
Каток SR18M (2010)
Каток SR20M (2014)
Погрузчик SF15, SF18 (2010)
Погрузчик SF30 (2013)
Погрузчик SF45T (2013)
Погрузчик SF50/SF60/SF70 (2013)
Погрузчик вил. 2-2.5t (2010)
Схема
>
Не выбрано
ENGINE AND ATTACHMENT MOUNTING (FOR ENGINE NT855)
ENGINE ACCESSORIES AND INSTALLATION (FOR ENGINE WD12)
EXHAUST PIPE AND MUFFLER (FOR ENGINE NT855)
FLYWHEEL HOUSING ASS'Y (FOR ENGINE NT855)
FLYWHEEL HOUSING ASS'Y (FOR ENGINE WD12)
POWER TAKE OFF
POWER TAKE OFF LUBRICATION TUBE
BRACKET (FOR ENGINE NT855)
AIR CLEANER AND CAP (FOR ENGINE NT855)
TRANSFER CASE PART
RADIATOR (FOR ENGINE NT855)
RADIATOR (FOR ENGINE WD12)
RADIATOR PIPING AND WIND BREAK (FOR ENGINE NT855)
RADIATOR PIPING AND WIND BREAK (FOR ENGINE WD12)
FAN
FUEL TANK
FUEL PIPING (FOR ENGINE NT855)
FUEL PIPING (FOR ENGINE WD12)
ACCELEROGRAPH CONTROLS
DECELERATOR PEDAL
FUEL CONTROL LINKAGE (FOR ENGINE NT855)
FUEL CONTROL LINKAGE (FOR ENGINE WD12)
UNIVERSAL JOINT
TORQUE CONVERTER HOUSING AND VALVE
TURBINE SHAFT AND GUIDE PULLEY
TRANSMISSION CASE
TRANSMISSION GEAR AND SHAFT (1/3)
TRANSMISSION GEAR AND SHAFT (2/3)
TRANSMISSION GEAR AND SHAFT (3/3)
TRANSMISSION OUTPUT DEVICE
TRANSMISSION CONTROL VALVE (1/3)
TRANSMISSION CONTROL VALVE (2/3)
TRANSMISSION CONTROL VALVE (3/3)
TRANSMISSION CONTROL LEVER
TRANSMISSION CONTROL LINKAGE (1/3)
TRANSMISSION CONTROL LINKAGE (2/3)
TRANSMISSION CONTROL LINKAGE (3/3)
TRANSMISSION PUMP
TORQUE CONVERTER PIPING (1/2) (FOR ENGINE NT855)
TORQUE CONVERTER PIPING (1/2) (FOR ENGINE WD12)
TORQUE CONVERTER PIPING (2/2)
GEAR SHIFT PIPING
FRAME (FOR ENGINE NT855)
FRAME (FOR ENGINE WD12)
BEVEL GEAR AND SHAFT
STEERING CLUTCH
BRAKE BAND AND LINKAGE
BREAK CASE COVER
BRAKE BOOSTER
FINAL DRIVE CASE AND GEAR (1/2)
FINAL DRIVE CASE AND GEAR (2/2)
SPROCKET AND SHAFT
STEERING CONTROL LEVER
STEERING AND BRAKE LINKAGE (1/2)
STEERING AND BRAKE LINKAGE (2/2)
BRAKE PEDAL
BRAKE PARKING LEVER
STEERING PUMP
STEERING VALVE
MAIN RELIEF VALVE
FINE OIL FILTER
COARSE OIL FILTER
STEERING PIPING (1/3)
STEERING PIPING (2/3)
STEERING PIPING (3/3)
BRAKE PIPING
PRESSURE MEASUREMENT PIPING
SUSPENDED SYSTEM
TRACK FRAME ASS'Y
TENSION DEVICE
TRACK FRAME COVER
TRACK ROLLER GUARD
TRACK ROLLER GUARD
TRACK ROLLER GUARD
FRONT IDLER
TRACK ROLLER
CARRIER ROLLER
TRACK ASS'Y
HOOD ASS'Y
HOOD ASS'Y
GUARD,SIDE (FOR ENGINE NT855)
GUARD,SIDE (FOR ENGINE WD12)
FENDER
FLOOR FRAME COVER
FLOOR FRAME
BATTERY COVER
BOTTOM GUARD PLATE ASS'Y (FOR ENGINE NT855)
BOTTOM GUARD PLATE ASS'Y (FOR ENGINE WD12)
OIL CYLINDER BRACKET
OIL CYLINDER BRACKET
OIL TANK (1/2)
OIL TANK (2/2)
HYDRAULIC FILTER
BLADE LIFT AND TILT CONTROL VALVE (1/2)
BLADE LIFT AND TILT CONTROL VALVE (2/2)
RIPPER CONTROL VALVE (1/2)
RIPPER CONTROL VALVE (2/2)
BLADE LIFT CYLINDER (1/2)
BLADE LIFT CYLINDER (2/2)
TILT OIL CYLINDER
PUMP PIPING
HYDRAULIC PIPING (TANK TO LIFT CYLINDER) (1/2)
HYDRAULIC PIPING (TANK TO LIFT CYLINDER) (2/2)
HYDRAULIC PIPING (TANK TO LIFT CYLINDER) (1/2)
HYDRAULIC PIPING (TANK TO LIFT CYLINDER) (2/2)
HYDRAULIC PIPING (TANK TO TILT CYLINDER) (1/2)
HYDRAULIC PIPING (TANK TO TILT CYLINDER) (2/2)
HYDRAULIC PIPING (TANK TO TILT CYLINDER) (1/2)
HYDRAULIC PIPING (TANK TO TILT CYLINDER) (1/2)
SERVO VALVE
SERVO VALVE PIPING
CONTROL LEVER BRACKET AND VALVE SEAT
RIPPER PIPING
RIPPER CYLINDER
SERVO VALVE
BLADE CONTROL LEVER
TILT CONTROL LINKAGE
BLADE CONTROL LINKAGE
RIPPER CONTROL LEVER
LIFT AND RIPPER CONTROL LINKAGE
RIPPER CONTROL LEVER
RIPPER LIFT CYLINDER (SD22,SD22E,SD22D)
RIPPER LIFT CYLINDER (SD22,SD22E,SD22D)
SINGLE GROUSER HYDRAULIC PIPING (1/5)
SINGLE GROUSER HYDRAULIC PIPING (2/5)
SINGLE GROUSER HYDRAULIC PIPING (3/5)
SINGLE GROUSER HYDRAULIC PIPING (4/5)
SINGLE GROUSER HYDRAULIC PIPING (5/5)
STRAIGHT TILT BLADE
STRAIGHT TILT BLADE
BLADE
U-BLADE
U-BLADE ASS'Y
PUNCHER
PUNCHER
ANGLE BLADE
C-FRAME
TRACTION FRAME
SCRAPER
RIPPER ASS'Y
RIPPER
ELECTRICAL SYSTEM (1/2) (FOR ENGINE NT855) (SD22, SD22D, SD22E, SD22S)
ELECTRICAL SYSTEM (1/2) (FOR ENGINE NT855) (SD22R)
ELECTRICAL SYSTEM (2/2) (FOR ENGINE NT855) (SD22, SD22D, SD22E, SD22S)
ELECTRICAL SYSTEM (2/2) (FOR ENGINE NT855) (SD22R)
ELECTRICAL SYSTEM (1/2) (FOR ENGINE WD12)
ELECTRICAL SYSTEM (2/2) (FOR ENGINE WD12)
INSTRUMENT BOX (FOR ENGINE NT855)
INSTRUMENT BOX (FOR ENGINE WD12)
RELAY AND FUSE BOX (FOR ENGINE NT855)
RELAY AND FUSE BOX (FOR ENGINE WD12)
BATTERY AND BATTERY RELAY
CAB ELECTRICAL SYSTEM
CAB ELECTRICAL SYSTEM
SEAT AND INSTALLATION
CANOPY, CANVAS
CAB ASSEMBLY
CAB ASSEMBLY
CAB (FOR ROPS)
FRAME, ROPS
CAB (FOR ROPS)
FRAME, ROPS
MARKS AND PLATES
PEDAL
ETHER STARTING DEVICE
LUBRICATING AND TRACK RECOIL SYSTEM
1
2
3
4
5
6
7
8
9
10
11
11
11
11
11
12
12
12
12
13
13
14
15
15
16
17
18
19
20
21
22
23
24
25
26
26
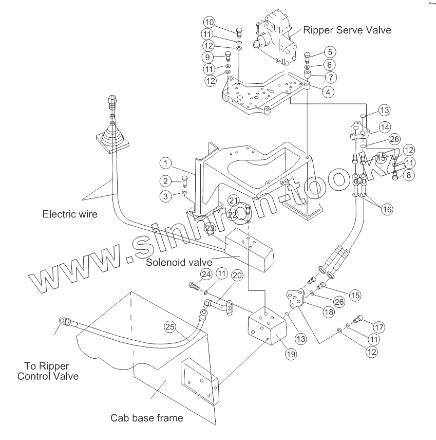
Позиция на иллюстрации
Заводской номер детали
Название детали
1
23Y-86B-05000
Держатель
2
01010-51645
Болт
3
01643-31645
Шайба
4
195-61-21230
Гнездо клапана
5
01010-51480
Болт
6
01643-31445
Уплотнительная шайба
7
198-21-12240
Зажим
8
01010-51030
Болт
9
01011-51045
Болт
10
01010-51040
Болт
11
01602-21030
Шайба
12
01643-31032
Шайба
13
07000-13022
O-ring
14
23Y-89B-00002
flange
15
07230-20210
Штуцер
16
07102-20204
Рукав
17
01011-51005
Болт
18
23Y-89B-00001
flange
19
171-86-04000
Гнездо клапана
20
23Y-89-12100
Штуцер
21
01252-70640
Screw
22
01602-20619
Рессорная шайба
23
171-86-05000
Электромагнитный клапан
24
01010-51025
Болт
25
07102-20306
Hose
26
07005-01412
Герметичная шайба
Содержащиеся в справочниках-каталогах запасные части и детали не предлагаются к продаже, а носят исключительно информационный характер
Дополнительная информация
×
Название:
Номер:
Примечание: