Каталог запасных частей к технике: Shantui SD16E. MAIN FRAME AND STEERING CASE SD16L
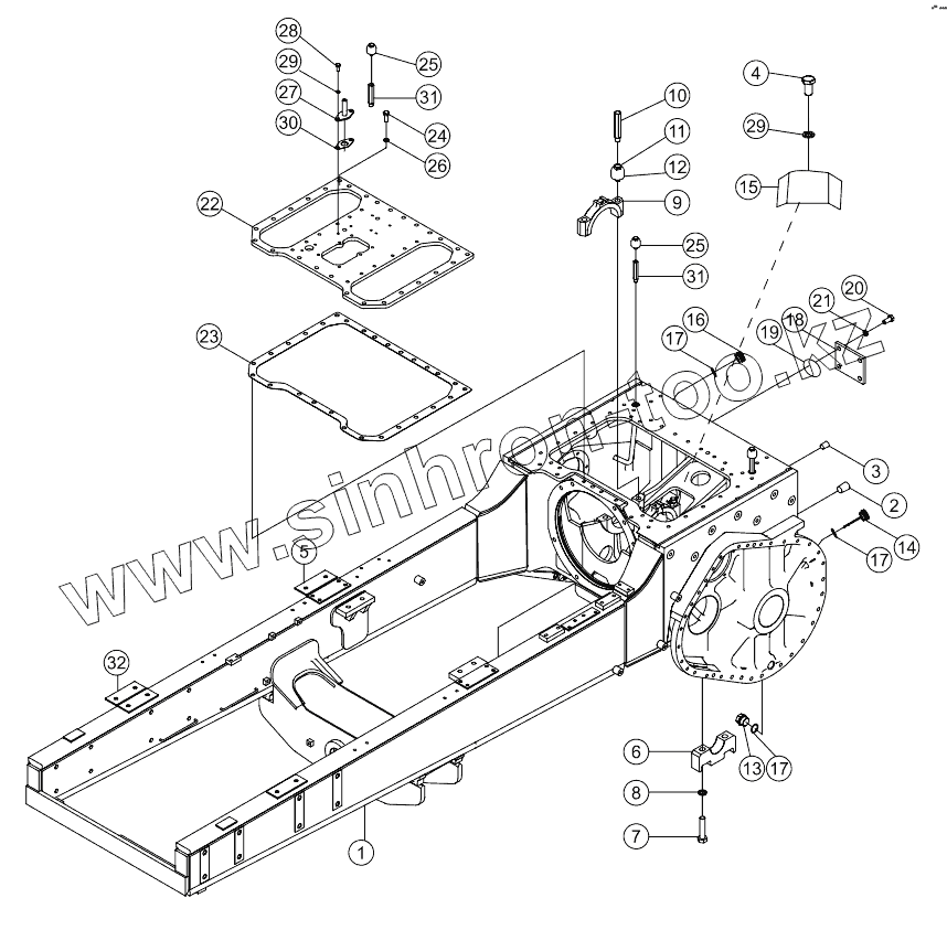
1
2
3
4
5
6
7
8
9
10
11
12
13
14
15
16
17
17
17
18
19
20
21
22
23
24
25
25
26
27
28
29
29
30
31
31
32
| Позиция на иллюстрации | Заводской номер детали | Название детали | |
|---|---|---|---|
| 1 | 16L-30D-10000 | Frame | |
| 2 | 07049-23321 | Plug, dust | |
| 3 | 07049-12418 | Plug, dust | |
| 4 | 01010-51016 | Болт | |
| 5 | 16L-52-30000 | Cover | |
| 6 | 16Y-30-00008 | Опора | |
| 7 | 01010-52295 | Болт | |
| 8 | 01602-22268 | Рессорная шайба | |
| 9 | 16Y-30-00004 | Крышка | |
| 10 | 16Y-30-00005 | Болт | |
| 11 | 01592-12226 | Nut | |
| 12 | 04050-05040 | Чека разводная | |
| 13 | 07044-13620 | Магнитная пробка | |
| 14 | 16Y-30-30000 | Шкала уровня масла | |
| 15 | 16Y-30-00007 | Крышка | |
| 16 | 16Y-30-40000 | Шкала уровня масла в сборе | |
| 17 | 07000-13032 | Кольцо | |
| 18 | 16Y-30-00006 | Крышка | |
| 19 | 07000-13110 | O-ring | |
| 20 | 01010-51630 | Болт | |
| 21 | 01602-21648 | Шайба | |
| 22 | 16Y-30-00003 | Крышка | |
| 23 | 16Y-30-00002 | Сальник | |
| 24 | 01010-51435 | Болт | |
| 25 | 07030-00252 | Аэратор | |
| 26 | 01602-21442 | Рессорная шайба | |
| 27 | 16Y-30-20000 | Основание сапуна | |
| 28 | 01010-51025 | Болт | |
| 29 | 01602-21030 | Шайба | |
| 30 | 16Y-30-00001 | Шайба | |
| 31 | 16Y-30-00009 | Трубка | |
| 32 | 16Y-30-00010 | Прокладка | |
| 33 | 16Y-30-00011 | Прокладка | |
| 34 | 01010-51230 | Болт | |
| 35 | 01602-21236 | Рессорная шайба | |
| 36 | 01640-21223 | Шайба 12 |
Содержащиеся в справочниках-каталогах запасные части и детали не предлагаются к продаже, а носят исключительно информационный характер