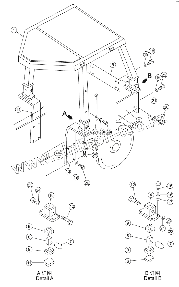
Каталог запасных частей к технике: Shantui SD16E. FRAME, ROPS AND MOUNTING
1
2
3
4
5
6
7
7
8
8
9
9
9
9
10
11
12
12
13
14
15
16
16
16
17
17
18
19
19
20
21
22
23
23
24
24
25
26
27
28
29
| Позиция на иллюстрации | Заводской номер детали | Название детали | |
|---|---|---|---|
| 1 | 16Y-59D-01000 | Frame, rops | |
| 2 | 16Y-59D-02000 | Bracket | |
| 3 | 16Y-59D-03000 | Bracket | |
| 4 | 23Y-57-17000 | Опора | |
| 5 | 16Y-59D-00003 | Plate | |
| 6 | 23Y-57-00045 | Опорный блок | |
| 7 | 23Y-57-00038 | Болт | |
| 8 | 23Y-57-00041 | Гнездо | |
| 9 | 23Y-57-00037 | Амортизационная прокладка | |
| 10 | 16Y-59D-04000 | Bracket | |
| 11 | 23Y-57-00042 | Block | |
| 12 | 23Y-57-00046 | Bolt | |
| 13 | 16Y-59D-00001 | Support | |
| 14 | 16Y-59D-00002 | Support | |
| 15 | 01010-82470 | Bolt | |
| 16 | 01643-32460 | Уплотнительная шайба | |
| 17 | 01602-22472 | Шайба | |
| 18 | 01010-82045 | Bolt | |
| 19 | 01643-32060 | Шайба | |
| 20 | 01010-81655 | Болт | |
| 21 | 01643-31645 | Шайба | |
| 22 | 01010-82465 | Болт | |
| 23 | 01580-12722 | Гайка | |
| 24 | 01643-32780 | Шайба | |
| 25 | 01010-82480 | Bolt | |
| 26 | 01010-82055 | Bolt | |
| 27 | 09420-01903 | Ручка | |
| 28 | 01010-81230 | Заглушка | |
| 29 | 01643-31232 | Шайба |
Содержащиеся в справочниках-каталогах запасные части и детали не предлагаются к продаже, а носят исключительно информационный характер