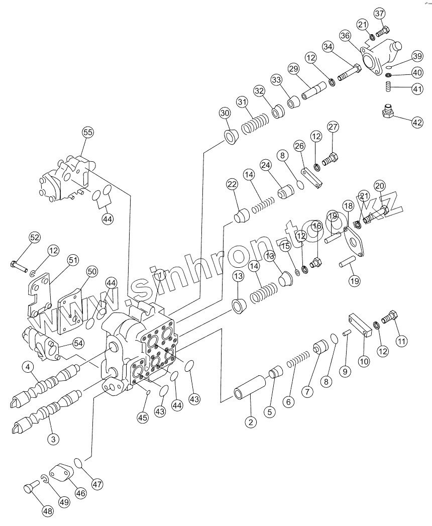
Каталог запасных частей к технике: Shantui SD16E. BLADE CONTROL VALVE
1
1
1
1
2
3
4
5
6
7
8
8
9
10
11
12
12
12
12
12
13
13
14
14
15
16
18
19
19
20
21
21
22
24
26
27
29
30
31
32
33
34
36
37
39
40
41
42
43
43
44
44
44
45
46
47
48
49
50
51
52
54
55
| Позиция на иллюстрации | Заводской номер детали | Название детали | |
|---|---|---|---|
| 1 | 16Y-60-05000 | Клапан в сборе | |
| 1 | 701-33-12006 | Control valve assy | |
| 1 | 701-33-32113 | Корпус | |
| 1 | 701-33-32005 | Корпус гидрораспределителя в сборе | |
| 2 | 701-33-32221 | Манжета | |
| 3 | 701-33-31480 | Стержень | |
| 4 | 701-33-31470 | Стержень | |
| 5 | 701-33-32130 | Золотник | |
| 6 | 701-33-32140 | Пружина | |
| 7 | 701-33-32152 | Седло | |
| 8 | 07000-13025 | Кольцо | |
| 9 | 04020-00514 | Фиксирующий штифт | |
| 10 | 701-33-32160 | Пластина | |
| 11 | 01010-51240 | Болт | |
| 12 | 01602-21236 | Рессорная шайба | |
| 13 | 701-33-31370 | Корпус подшипника | |
| 14 | 701-31-31130 | Пружина | |
| 15 | 701-33-31210 | Шайба | |
| 16 | 01010-51220 | Болт | |
| 18 | 701-33-46340 | Бак | |
| 19 | 701-33-31460 | Втулка | |
| 20 | 01010-51095 | Болт | |
| 21 | 01602-21030 | Шайба | |
| 22 | 701-33-31120 | Клапан | |
| 24 | 701-33-31150 | Гнездо | |
| 26 | 701-33-31160 | Прокладочная пластина | |
| 27 | 01010-51235 | Болт | |
| 29 | 701-31-31121 | Стопор | |
| 30 | 701-33-31380 | Защитное кольцо | |
| 31 | 701-33-31130 | Рессора | |
| 32 | 701-33-31390 | Втулка защитная | |
| 33 | 701-33-31281 | Втулка | |
| 34 | 701-33-31292 | Болт | |
| 36 | 701-33-31311 | Корпус внешний | |
| 37 | 01010-51030 | Болт | |
| 39 | 701-33-31320 | Шарик | |
| 40 | 701-33-31330 | Направляющая | |
| 41 | 701-33-31340 | Пружина | |
| 42 | 701-33-31350 | Пробка | |
| 43 | 07000-13045 | Кольцо | |
| 44 | 07000-13035 | Кольцо | |
| 45 | 07000-12015 | Кольцо | |
| 46 | 701-33-31360 | Крышка | |
| 47 | 07000-13040 | Кольцо | |
| 48 | 01010-51440 | Болт | |
| 49 | 01602-21442 | Рессорная шайба | |
| 50 | 701-33-32191 | Пластина | |
| 51 | 701-33-32240 | Пластина стопорная | |
| 52 | 01010-51260 | Болт | |
| 54 | 701-30-51002 | Главный предохранительный клапан | |
| 55 | 701-30-62002 | Клапан всасывающий в сборе |
Содержащиеся в справочниках-каталогах запасные части и детали не предлагаются к продаже, а носят исключительно информационный характер