Вернуться на главную
Поиск
Каталоги запчастей к технике
Спецтехника
Shantui
SD16 (вариант)
TRANSMISSION CASE, FRONT 16Y-15-001 V1.0
Каталог запасных частей к технике: Shantui SD16 (вариант). TRANSMISSION CASE, FRONT 16Y-15-001 V1.0
zoom-in
zoom-out
enlarge
shrink
circle-right
circle-left
file-text2
info
cart
Тип техники
Не выбрано
Легковые автомобили
Грузовые автомобили и прицепы
Автобусы
Сельхозтехника
Спецтехника
Двигатели
Мототехника
Марка
Не выбрано
Ammann
BOMAG
CARMIX
CASE IH
Changlin
ChengGong
Dimex
Doosan
DYNAPAC
Foton
HAMM
Hidromek
Hitachi
Hyundai
JCB
JLG
John Deere
Komatsu
LIEBHERR
LiuGong
Lonking (LongGong)
Luneng
MANITOU
Mitsuber
New Holland
PENGPU
RM-Terex
SANY
SDLG
SEM
Shantui
Shehwa HBXG
Soosan
TIGARBO
VOGELE
Volvo
WAY
WIRTGEN
XCMG
XGMA
Xiamen
YTO
Yuchai
Zoomlion
Автокран
АЗСМ
Алтайлесмаш
Амкодор
АОМЗ
Атек
АТЗ
Балканкар Рекорд
БелАЗ
Беловеж
Борекс
Брянский Арсенал
Булат
ВЭКС
ГАЗ
Геомаш
Гидромаш
Донекс
Дормаш
Дормашина
Дорэлектромаш
ДЭЗ
ЕлАЗ
ЗЗГТ
Ижнефтемаш
Канаш-электрокар
КЗКТ
ККЗ
Клевер
Клинцовский автокрановый завод
КМЗ
КМЗ 1 Мая
Ковровец
Коммаш
Кранэкс
КЭЗ
КЭМЗ
ЛЗА
МАЗ
МЗИК
МЗКМ
МЗКТ
Михневский РМЗ
МоАЗ
Мозырский МЗ
МТЗ
ОЗП
Онежец
ПАО "ТЗА"
ППС Детва
Промтрактор
ПТЗ
Раскат
СпецАгрегат
ТВЭКС
ТТМ
УВЗ
Угличмаш
УЗТМ
ХТЗ
ЧЗКМ
ЧСДМ
ЧТЗ
ЭКСКО
ЭКСМАШ
ЮрМаш
Модель
Не выбрано
SD16 (2010)
SD16 (вариант) (2014)
SD16E (2010)
SD16L (2010)
SD22 (вариант) (2013)
SD32 (вариант) (2011)
Shantui SD10YE (2015)
Shantui SD16 (2008)
Shantui SD22 (2008)
Shantui SD23 (2003)
Shantui SD23 (вариант) (2013)
Shantui SD32 (2005)
Shantui SD42-3 (2008)
Shantui SG16-3 (2014)
Shantui SG18-3 (2014)
SL-30W (2010)
SL-50W (2013)
Каток SR12-5 (2013)
Каток SR14M-2 (2012)
Каток SR16 (2014)
Каток SR18 (2011)
Каток SR18M (2010)
Каток SR20M (2014)
Погрузчик SF15, SF18 (2010)
Погрузчик SF30 (2013)
Погрузчик SF45T (2013)
Погрузчик SF50/SF60/SF70 (2013)
Погрузчик вил. 2-2.5t (2010)
Схема
>
Не выбрано
ENGINE WD10 MOUNTING AND ATTACHMENT 16Y-01D-001 V1.0
FLYWHEEL HOUSING ASSY (1/3) 16Y-02B-A11 V1.0
FLYWHEEL HOUSING ASSY (2/3) 16Y-02B-A12 V1.0
FLYWHEEL HOUSING ASSY (3/3) 16Y-02B-A13 V1.0
RADIATOR PIPING 16Y-03B-001 V1.0
RADIATOR MOUNTING PARTS 16Y-03B-002 V1.0
FUEL TANK 16Y-04D-001 V1.0
FUEL PIPING 16Y-04D-002 V1.0
FUEL CONTROL LEVER 16Y-05D-001 V1.0
FUEL CONTROL LEVER 16Y-05D-002 V1.0
DECELERATOR PEDAL 16Y-05D-003 V1.0
SC11 ENGINE MOUNTING AND ATTACHMENT 16Y-01A-001 V1.0
FLYWHEEL HOUSING ASSY (1/3) 16Y-02A-A11 V1.0
FLYWHEEL HOUSING ASSY (2/3) 16Y-02A-A12 V1.0
FLYWHEEL HOUSING ASSY (3/3) 16Y-02B-A13 V1.0
RADIATOR PIPING 16Y-03A-001 V1.0
RADIATOR WIND BREAK 16Y-03A-002 V1.0
FUEL TANK 16Y-04CA-001 V1.0
FUEL PIPING 16Y-04CA-002 V1.0
FUEL CONTROL 16Y-05CA-001 V1.0
FUEL CONTROL 16Y-05CA-002 V1.0
DECELERATOR PEDAL 16Y-05CA-003 V1.0
TORQUE CONVERTER HOUSING 16Y-11-001 V1.0
TURBINE AND STATOR ASSY 16Y-11-002 V1.0
TORQUE CONVERTER SUCTION PIPE 16Y-11-003 V1.0
VALVE 16Y-11-301 V1.0
OIL SCAVENGER PUMP ASSY 16Y-11-401 V1.0
UNIVERSAL JOINT ASSY 16Y-12-001 V1.0
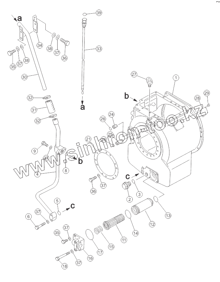
TRANSMISSION CASE, FRONT 16Y-15-001 V1.0
TRANSMISSION REAR CASE, REAR 16Y-15-002 V1.0
FORWARD CLUTCH 16Y-15-003 V1.0
BACKWARD CLUTCH 16Y-15-004 V1.0
1ST CLUTCH 16Y-15-005 V1.0
2ND AND 3RD CLUTCH 16Y-15-006 V1.0
BEVEL GEAR AND SHAFT 16Y-16-001 V1.0
STEERING CLUTCH 16Y-16-002 V1.0
BRAKING BOOSTER 16Y-17-001 V1.0
BRAKE BAND AND LINKAGES16Y-17-002 V1.0
FINAL DRIVE CASE AND SPROCKET WHEEL 16Y-18-001 V1.0
FINAL DRIVE CASE AND SPROCKET WHEEL 16L-18-001 V1.0 - MODEL SD16L
FINAL DRIVE GEAR 16Y-18-002 V1.0
FINAL DRIVE GEAR 16L-18-002 V1.0V - MODEL SD16L
FINAL DRIVE AND WHEEL HUB 16Y-18-003 V1.0
FINAL DRIVE AND WHEEL HUB 16L-18-003 V1.0
GEAR SHIFT CONTROL 16Y-25C-001 V1.0
STEERING CONTROL LEVER 16Y-26C-001 V1.0
BRAKE LOCK LEVER 16Y-26C-002 V1.0
BRAKE PEDAL 16Y-26C-003 V1.0
STEERING BRAKE LINKAGE 16Y-26C-004 V1.0
TRANSMISSION PIPING 16Y-75-001 V1.0
TORQUE CONVERTER PIPING 16Y-75-002 V1.0
OIL COOLER PIPING 16Y-75-003 V1.0
TRANSMISSION CONTROL VALVE 16Y-75-101 V1.0
TRANSMISSION CONTROL VALVE 16Y-75-102 V1.0
TRANSMISSION CONTROL VALVE COVER 16Y-75-103 V1.0
TRANSMISSION CONTROL VALVE LEVER 16Y-75-104 V1.0
LUBICATING VALVE 16Y-75-201 V1.0
SHIFT FINE FILTER 16Y-75-231 V1.0
GEAR SHIFT OIL PUMP 16Y-75-241 V1.0
STEERING CLUTCH PIPING 16Y-76D-001 V1.0
SWITCHING VALVE AND SAFETY VALVE PIPING 16Y-76D-002 V1.0
OIL COOLER PIPING 16Y-76D-003 V1.0
OIL COOLER PIPING 16Y-76A-001 V1.0
STEERING PUMP 16Y-76-061 V1.0
STEERING VALVE 16Y-76-221 V1.0
SAFETY VALVE 16Y-76-231 V1.0
COOLER 16Y-76D-011 V1.0
PRESSURE MEASUREMENT PIPING 16Y-76B-001 V1.0
TRACK FRAME ASSY 16Y-40-001 V1.0
TRACK FRAME ASSY 16L-40-A11 V1.0
TRACK FRAME ASSY 16L-40-A12 V1.0
TRACK FRAME ASSY 16Y-40-A21 V1.0
TRACK FRAME COVER 16Y-40-002 V1.0
TRACK FRAME COVER 16Y-40-A22 V1.0 - MODEL SD16E
TRACK FRAME COVER 16L-40-A13 V1.0 - MODEL SD16L
RECOIL SPRING 16Y-40-003 V1.0
FRONT IDLER 16Y-40-031 V1.0
CARRIER ROLLER 16Y-40-061 V1.0
TRACK ROLLER 16Y-40-091 V1.0
TRACK ROLLER DOUBLE FLANGES 16Y-40-101 V1.0
TRACK ASSY 16Y-41-001 V1.0
TRACK ASSY 16L-41-001 V1.0 - MODEL SD16L
TRACK ASSY 16Y-41E-001 V1.0 - MODEL SD16E
MAIN FRAME AND STEERING CASE (WITH WD10 ENGINE)(WITH STANDARD CAB) 16Y-30-A11 V1.0
MAIN FRAME AND STEERING CASE (WITH WD10 ENGINE)(WITH ROPS CAB) 16Y-30-A21 V1.0
MAIN FRAME AND STEERING CASE (WITH SC11 ENGINE)(WITH STANDARD CAB) 16Y-30-B11 V1.0
MAIN FRAME AND STEERING CASE (WITH WD10 ENGINE)(WITH STANDARD CAB) 16Y-30-B21 V1.0
MAIN FRAME AND STEERING CASE (WITH WD10 ENGINE)(WITH STANDARD CAB) 16L-30-A11 V1.0 - MODEL SD16L
MAIN FRAME AND STEERING CASE (WITH WD10 ENGINE)(WITH ROPS CAB) 16L-30-A21 V1.0 - MODEL SD16L
MAIN FRAME AND STEERING CASE (WITH SC11 ENGINE)(WITH STANDARD CAB) 16L-30-B11 V1.0 - MODEL SD16L
MAIN FRAME AND STEERING CASE (WITH WD10 ENGINE)(WITH STANDARD CAB) 16L-30-B21 V1.0 - MODEL SD16L
EQUALIZER BAR 16Y-31-001 V1.0
EQUALIZER BAR 16L-31-001 V1.0
FRONT HOOD WITH STRAIGHT TILT BLADE OR U- BLADE 16Y-50-A11 V1.0
FRONT HOOD WITH STRAIGHT TILT BLADE OR U- BLADE 16L-50-A11 V1.0
FRONT HOOD WITH STRAIGHT TILT BLADE OR U- BLADE 16L-50-B11 V1.0
FRONT HOOD WITH ANGLE BLADE 16Y-50-A21 V1.0
FRONT HOOD (WITH SC11 ENGINE) WITH ANGLE BLADE 16Y-50-B21 V1.0
GUARD AND FRAME (WITH WD10 ENGINE) WITH STRAIGHT TILT BLADE OR U- BLADE 16Y-50-A12 V1.0
GUARD AND FRAME (WITH WD10 ENGINE) WITH STRAIGHT TILT BLADE OR U- BLADE 16L-50-A12 V1.0
GUARD AND FRAME (WITH WD10 ENGINE) WITH STRAIGHT TILT BLADE OR U- BLADE 16L-50-B12 V1.0
GUARD AND FRAME (WITH WD10 ENGINE) WITH ANGLE BLADE 16Y-50-A22 V1.0
GUARD AND FRAME (WITH SC11 ENGINE) WITH ANGLE BLADE 16Y-50-B22 V1.0
FENDER (WITH STANDARD CAB AND TRACTION FRAME) 16Y-51-A11 V1.0
FENDER (WITH STANDARD CAB AND TRACTION FRAME) 16L-51-A11 V1.0 - MODEL SD16L
FENDER (WITH ROPS CAB AND TRACTION FRAME) 16L-51-A21 V1.0
FENDER (WITH STANDARD CAB )(WITH RIPPER OR HYDRAULIC WINCH) 16Y-51-A21 V1.0
FENDER (WITH ROPS CAB AND TRACTION FRAME) 16Y-51-A31 V1.
FENDER (WITH ROPS CAB )(WITH RIPPER OR HYDRAULIC WINCH) 16Y-51-A41 V1.0
FENDER (WITH CANOPY, CANVAS AND TRACTION FRAME) 16Y-51-A51 V1.0
FENDER (WITH CANOPY, CANVAS )(WITH RIPPER OR HYDRAULIC WINCH) 16Y-51-A61 V1.0
THE BEAM OF FENDER (WITH STANDARD CAB AND TRACTION FRAME) 16Y-51-A12 V1.0
THE BEAM OF FENDER (WITH STANDARD CAB AND TRACTION FRAME) 16L-51-A12 V1.0 - MODEL SD16L
THE BEAM OF FENDER (WITH ROPS CAB AND TRACTION FRAME) 16L-51-A22 V1.0
THE BEAM OF FENDER (WITH STANDARD CAB)(WITH RIPPER OR HYDRAULIC WINCH) 16Y-51-A22 V1.0
THE BEAM OF FENDER (WITH ROPS CAB AND TRACTION FRAME) 16Y-51-A32 V1.0
THE BEAM OF FENDER (WITH ROPS CAB)(WITH RIPPER OR HYDRAULIC WINCH) 16Y-51-A42 V1.0
THE BEAM OF FENDER (WITH CANOPY, CANVAS AND TRACTION FRAME) 16Y-51-A52 V1.0
THE BEAM OF FENDER (WITH CANOPY, CANVAS)(WITH RIPPER OR HYDRAULIC WINCH) 16Y-51-A62 V1.0
FLOOR FRAME AND GUARD (WITH STANDARD CAB AND TRACTION FRAME) 16Y-51-A13 V1.0
FLOOR FRAME AND GUARD (WITH STANDARD CAB AND TRACTION FRAME) 16L-51-A13 V1.0
FLOOR FRAME AND GUARD (WITH ROPS CAB AND TRACTION FRAME) 16L-51-A23 V1.0 - MODEL SD16L
FLOOR FRAME AND GUARD (WITH STANDARD CAB)(WITH RIPPER OR HYDRAULIC WINCH) 16Y-51-A23 V1.0
FLOOR FRAME AND GUARD (WITH ROPS CAB AND TRACTION FRAME) 16Y-51-A33 V1.0
FLOOR FRAME AND GUARD (WITH ROPS CAB)(WITH RIPPER OR HYDRAULIC WINCH) 16Y-51-A43 V1.0
FLOOR FRAME AND GUARD (WITH CANOPY, CANVAS AND TRACTION FRAME) 16Y-51-A53 V1.0
FLOOR FRAME AND GUARD (WITH CANOPY, CANVAS)(WITH RIPPER OR HYDRAULIC WINCH) 16Y-51-A63 V1.0
THE PLATE OF FLOOR FRAME (WITH STANDARD CAB AND TRACTION FRAME) 16Y-51-A14 V1.0
THE PLATE OF FLOOR FRAME (WITH STANDARD CAB AND TRACTION FRAME) 16L-51-A14 V1.0 - MODEL SD16L
THE PLATE OF FLOOR FRAME (WITH STANDARD CAB AND TRACTION FRAME) 16L-51-A24 V1.0 - MODEL SD16L
THE PLATE OF FLOOR FRAME (WITH STANDARD CAB)(WITH RIPPER OR HYDRAULIC WINCH) 16Y-51-A24 V1.0
FLOOR FRAME AND GUARD (WITH ROPS CAB)(WITH RIPPER OR HYDRAULIC WINCH) 16Y-51-A34 V1.0
THE PLATE OF FLOOR FRAME (WITH ROPS CAB)(WITH RIPPER OR HYDRAULIC WINCH) 16Y-51-A44 V1.0
THE PLATE OF FLOOR FRAME (WITH CANOPY, CANVAS AND TRACTION FRAME) 16Y-51-A54 V1.0
THE PLATE OF FLOOR FRAME (WITH CANOPY, CANVAS)(WITH RIPPER OR HYDRAULIC WINCH) 16Y-51-A64 V1.0
BOTTOM GUARD PLATE 16Y-52-A11 V1.0
BOTTOM GUARD PLATE 16L-52-A11 V1.0
GUARD ASSY (WITH WD10 ENGINE) 16Y-54-A11 V1.0
GUARD ASSY (WITH WD10 ENGINE) (WITH SIDE GUARD) 16Y-54-A21 V1.0
GUARD ASSY (WITH SC11 ENGINE) 16Y-54-B11 V1.0
GUARD ASSY (WITH WD10 ENGINE) (WITH SIDE GUARD) 16Y-54-A21 V1.0
GUARD ASSY (WITH SC11 ENGINE) (WITH SIDE GUARD) 16Y-54-B21 V1.0
TOP COVER ASSY 16L-54-A11 V1.0 - MODEL SD16L
TOP COVER ASSY 16L-54-B11 V1.0 - MODEL SD16L
GUARD ASSY (WITH WD10 ENGINE)(WITH SIDE GUARD) 16Y-54-A21 V1.0
SIDE GUARD ASSY 16L-54-B21 V1.0
OIL CYLINDER BRACKET 16Y-85-001 V1.0
TRACTION FRAME 16Y-32-001 V1.0
STRAIGHT TILT BLADE 16Y-80-001 V1.0
STRAIGHT TILT FRAME 16Y-80-002 V1.0
ANGLE BLADE 16Y-81-001 V1.0
U-FRAME 16Y-81-002 V1.0
STRAIGHT TILT BLADE 16L-80-001 V1.0
STRAIGHT TILT FRAME 16L-80-002 V1.0
RIPPER 16Y-84-001 V1.0
INSIDE OF HYDRAULIC OIL TANK (1/2) 16Y-60-A11 V1.0
OUTSIDE OF HYDRAULIC OIL TANK(2/2) 16Y-60-A12 V1.0
BLADE CONTROL VALVE (1/2) 16Y-60-051 V1.0
BLADE CONTROL VALVE (2/2) 16Y-60-052 V1.0
RIPPER CONTROL VALVE 16Y-60-111 V1.0
HYDRAULIC PUMP 16Y-61-011 V1.0
IMPLEMENT PUMP SYSTEM PIPING ASSY 16Y-61-A11 V1.0
IMPLEMENT PUMP SYSTEM PIPING ASSY WITH WINCH 16Y-61-A21 V1.0
BLADE LIFT PIPING (INSIDE, WITH WD10 ENGINE) 16Y-62D-001 V1.0
BLADE LIFT PIPING (INSIDE, WITH SC11 ENGINE) 16Y-62CA-001 V1.0
BLADE LIFT PIPING (INSIDE, WITH SC11 ENGINE) 16L-62CA-001 V1.0 - MODEL SD16L
BLADE LIFT PIPING (INSIDE, WITH WD10 ENGINE) 16L-62CD-001 V1.0 - MODEL SD16L
BLADE LIFT PIPING (INSIDE) 16Y-62ED-001 V1.0 - MODEL SD16E
BLADE LIFT PIPING (OUTSIDE, WITH WD10 ENGINE) 16Y-62D-002 V1.0
BLADE LIFT PIPING (OUTSIDE, WITH SC11 ENGINE) 16Y-62CA-002 V1.0
BLADE LIFT PIPING (OUTSIDE, WITH SC11 ENGINE) 16L-62CA-002 V1.0
BLADE LIFT PIPING (OUTSIDE, WITH WD10 ENGINE) 16L-62CD-002 V1.0 - MODEL SD16L
BLADE LIFT PIPING (OUTSIDE) 16Y-62ED-002 V1.0
LIFT OIL CYLINDER (L.H.) 16Y-62-501 V1.0
LIFT OIL CYLINDER (R.H.) 16Y-62-601 V1.0
LIFT OIL CYLINDER (L.H.) 16Y-62E-101 V1.0 - MODEL SD16E
LIFT OIL CYLINDER (R.H.) 16Y-62E-201 V1.0 - MODEL SD16E
BLADE LIFT CYLINDER(R.H.) 16L-62C-101 V1.0 - MODEL SD16L
BLADE LIFT CYLINDER(L.H.) 16L-62C-201 V1.0 - MODEL SD16L
TILT PIPING ASSY INSIDE 16Y-63-001 V1.0
TILT PIPING ASSY INSIDE 16L-63-001 V1.0
TILT PIPING ASSY INSIDE 16Y-63E-001 V1.0 - MODEL SD16E
TILT PIPING ASSY INSIDE 16Y-63-002 V1.0
TILT PIPING ASSY OUTSIDE 16L-63-002 V1.0 - MODEL SD16L
TILT PIPING ASSY OUTSIDE 16Y-63E-002 V1.0
TILT OIL CYLINDER ASSY 16Y-63-131 V1.0
RIPPER PIPING INSIDE 16Y-64-001 V1.0
RIPPER PIPING OUTSIDE 16Y-64-002 V1.0
RIPPER OIL CYLINDER 16Y-84-601 V1.0
BLADE CONTROL LEVER WITH STRAIGHT TILT BLADE OR U- BLADE 16Y-86-A11 V1.0
BLADE CONTROL LINKAGE WITH STRAIGHT TILT BLADE OR U- BLADE 16Y-86-A12 V1.0
BLADE CONTROL LEVER WITH ANGLE BLADE 16Y-86-A21 V1.0
BLADE CONTROL LINKAGE WITH ANGLE BLADE 16Y-86-A22 V1.0
RIPPER CONTROL LINKAGE (1/2) 16Y-87C-001 V1.0
RIPPER CONTROL LINKAGE (2/2) 16Y-87C-002 V1.0
CAB ELECTRIC SYSTEM 16Y-08E-001 V1.0
CAB ELECTRIC SYSTEM 16Y-08E-A01 V1.0
FRONT HOOD ELECTRICAL SYSTEM 16Y-07C-005 V1.0
EGINE ELECTRICAL SYSTEM 16Y-07C-004 V1.0
EGINE ELECTRICAL SYSTEM 16Y-07CA-004 V1.0
INSTRUMENT BOX 16Y-07C-003 V1.0
INSTRUMENT BOX 16Y-07D-003 V1.0
INSTRUMENT D2210-00010 V1.0
INSTRUMENT D2210-00090 V1.0
FLOOR PLATE ELECTRICAL SYSTEM 16Y-07C-001 V1.0
FLOOR PLATE ELECTRICAL SYSTEM 16Y-07D-001 V1.0
ACCUMULATOR 16Y-07C-002 V1.0
OPERATOR'S SEAT ASSEMBLY 16Y-53C-001 V1.0
CAB MAIN PARTS 16Y-56C-001 V1.0
CAB MAIN PARTS 16Y-56D-001 V1.0
CAB MAIN PARTS 16Y-56E-001 V1.0
CAB MAIN PARTS 16Y-56E-A01 V1.0
DOOR WINDOW LOCK 16Y-56C-002 V1.0
DOOR WINDOW LOCK 16Y-56D-002 V1.0
DOOR WINDOW LOCK 16Y-56E-002 V1.0
DOOR WINDOW LOCK 16Y-56E-A02 V1.0
CAB ATTACHMENT 16Y-56C-003 V1.0
CAB ATTACHMENT 16Y-56E-003 V1.0
FRAME, ROPS AND MOUNTING 16Y-59D-001 V1.0
CAB INTERIOR 16Y-91E-001 V1.0
MARKS AND PLATES 16Y-90C-001 V1.0
MARKS AND PLATES 16L-90-001 V1.0 - MODEL SD16L
MARKS AND PLATES 16Y-90E-001 V1.0 - MODEL SD16E
WORM WIND SYSTEM 16Y-58R-001 V1.0
AIR CONDITIONER SYSTEM (WITH WD10 ENGINE) 16Y-58C-001 V1.0
AIR CONDITIONER SYSTEM (WITH WD10 ENGINE) 16Y-58CA-001 V1.0
TORQUE CONVERTER REPAIR PACKAGE 16Y-11-00000P010
TRANSMISSION REPAIR PACKAGE 16Y-15-00000P010
RECOIL CYLINDER REPAIR PACKAGE 16Y-40-11000P010
BLADE LIFT CYLINDER REPAIR PACKAGE 16Y-62-50000P010
TILT OIL CYLINDER REPAIR PACKAGE 16Y-63-13000P010
RIPPER OIL CYLINDER REPAIR PACKAGE 16Y-84-60000P010
CABLE PACKAGE
1
2
3
4
5
6
8
9
11
12
13
14
15
16
17
18
21
24
25
26
26
27
28
29
30
31
32
32
33
34
35
35
36
36
37
37
37
37
37
37
37
38
38
39
Позиция на иллюстрации
Заводской номер детали
Название детали
1
16Y-15-00001
Картер коробки передач
2
07044-13620
Магнитная пробка
3
07002-13634
Кольцо
4
16Y-15-02100
Трубка
5
07000-13028
O-ring
6
01010-51060
Болт
8
07000-13035
Кольцо
9
01010-51030
Болт
11
16Y-15-07000
Сердечник фильтра магнитный
12
16Y-15-08000
Корпус фильтра
13
07000-13045
Кольцо
14
07000-12075
O-ring
15
16Y-15-00087
Пружина
16
16Y-15-00086
Крышка
17
07000-72090
O-ring
18
01010-51090
Болт
21
16Y-15-00005
Пластина
24
16Y-15-00021
Гильза
25
16Y-15-00020
Гильза
26
07000-72018
Кольцо
27
04530-02035
Bolt, hoisting eye
28
16Y-15-00074
Шильдик
29
04418-03060
Заклепка
30
16Y-15-02200
Трубка
31
07260-04111
Hose
32
07281-00549
Зажим рукава
33
16Y-15-02300
Шкала уровня масла
34
16Y-15-02400
Plate
35
01010-51025
Болт
36
01010-51035
Болт
37
01602-21030
Шайба
38
01643-31032
Шайба
39
07002-02434
Кольцо
Содержащиеся в справочниках-каталогах запасные части и детали не предлагаются к продаже, а носят исключительно информационный характер
Дополнительная информация
×
Название:
Номер:
Примечание: