Каталог запасных частей к технике: Shantui SD16. STEERING BRAKE
1
2
3
3
4
5
6
7
8
9
10
10
10
11
12
13
14
15
15
16
16
16
17
18
19
19
20
20
21
22
23
24
25
26
26
27
28
29
30
31
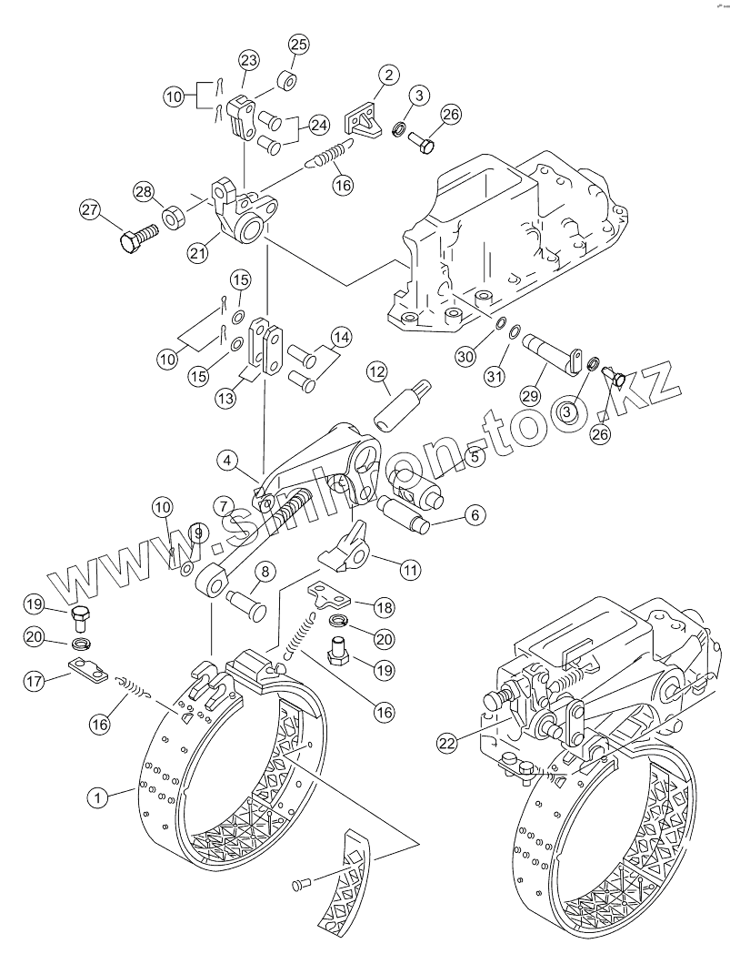
| Позиция на иллюстрации | Заводской номер детали | Название детали | |
|---|---|---|---|
| 1 | 16Y-17-04000 | Лента тормозная в сборе | |
| 2 | 16Y-17-00008 | Кронштейн | |
| 3 | 01602-21030 | Шайба | |
| 4 | 16Y-17-00024 | Рычаг | |
| 5 | 16Y-17-00030 | Ось | |
| 6 | 16Y-17-00032 | Ось | |
| 7 | 16Y-17-00025 | Болт регулировочный | |
| 8 | 16Y-17-00033 | Палец | |
| 9 | 01640-21626 | Шайба | |
| 10 | 04050-14028 | Разводной шплинт | |
| 11 | 16Y-17-00018 | Наконечник | |
| 12 | 16Y-17-06000 | Гайка регулировочная | |
| 13 | 16Y-17-00023 | Пластина | |
| 14 | 04205-01848 | Палец | |
| 15 | 16Y-17-00027 | Шайба | |
| 16 | 16Y-17-00005 | Пружина | |
| 17 | 16Y-17-05000 | Гнездо пружины | |
| 18 | 16Y-17-01000 | Гнездо пружины | |
| 19 | 01010-51425 | Болт | |
| 20 | 01602-21442 | Рессорная шайба | |
| 21 | 16Y-17-00019 | Рычаг левый | |
| 22 | 16Y-17-00020 | Рычаг правый | |
| 23 | 16Y-17-00026 | Вилка | |
| 24 | 04205-01638 | Палец | |
| 25 | 16Y-17-00031 | Ролик | |
| 26 | 01010-51025 | Болт | |
| 27 | 16Y-17-00002 | Болт | |
| 28 | 01583-12012 | Гайка | |
| 29 | 16Y-17-02000 | Ось | |
| 30 | 07000-13022 | O-ring | |
| 31 | 07000-13025 | Кольцо |
Содержащиеся в справочниках-каталогах запасные части и детали не предлагаются к продаже, а носят исключительно информационный характер