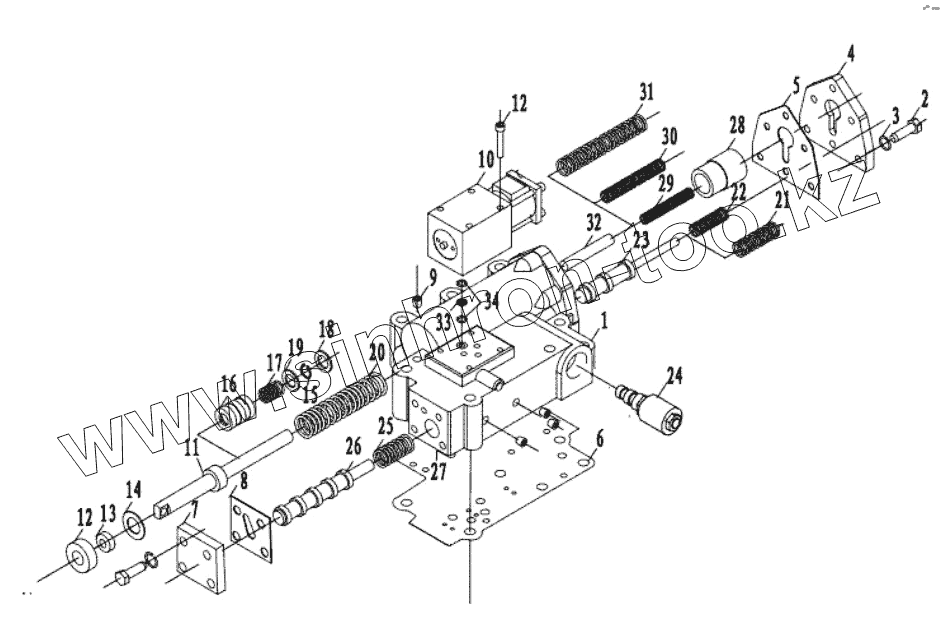
Каталог запасных частей к технике: Shantui Погрузчик SF50/SF60/SF70. ELECTRO-HYDRAULIC CONTROL VALVE
1
2
3
4
5
6
7
8
9
10
11
12
12
13
14
15
16
17
18
19
20
21
22
23
24
25
26
27
28
29
30
31
32
33
34
| Позиция на иллюстрации | Заводской номер детали | Название детали | |
|---|---|---|---|
| 1 | 10В-01 | Valve | |
| 2 | M8X25 | Bolt | |
| 3 | Washer8 | Washer, spring | |
| 4 | 10B-03 | Cover plate | |
| 5 | 10B-10 | Gasket | |
| 6 | 10B-11 | Gasket | |
| 7 | 10B-04 | Plate | |
| 8 | 10B-12 | Gasket | |
| 9 | ZG1/8 | Plug | |
| 10 | 34E-10XY-24 | Solenoid valve | |
| 11 | 10B-05 | Valve pole | |
| 12 | WDF-03 | Oil-ring cover | |
| 13 | 14X25X10 | Cover | |
| 14 | 10B-06 | Washer | |
| 15 | Clip12 | Clip | |
| 16 | WDF-04 | Stuff | |
| 17 | WDF-06 | Compensation spring | |
| 18 | 13X20X2 | Washer | |
| 19 | 10B-07 | Washer | |
| 20 | 10B-14-6 | Reset-spring | |
| 21 | 10B-14-5 | Adjust spring | |
| 22 | 10B-14-4 | Adjust spring | |
| 23 | 10B-10 | Gasket | |
| 24 | 23DC-A-24 | Solenoid valve | |
| 25 | 10B-14-7 | Shift spring | |
| 26 | 10B-09 | Speed shaft | |
| 27 | Pin8X20 | Pin | |
| 28 | 10B-08 | Plug | |
| 29 | 10B-14-3 | Spring | |
| 30 | 10B-14-2 | Spring | |
| 31 | 10B-14-1 | Spring | |
| 32 | Pin10X80 | Pin | |
| 33 | 10A-11 | Filter | |
| 34 | 8.75X1.8 | O-ring |
Содержащиеся в справочниках-каталогах запасные части и детали не предлагаются к продаже, а носят исключительно информационный характер