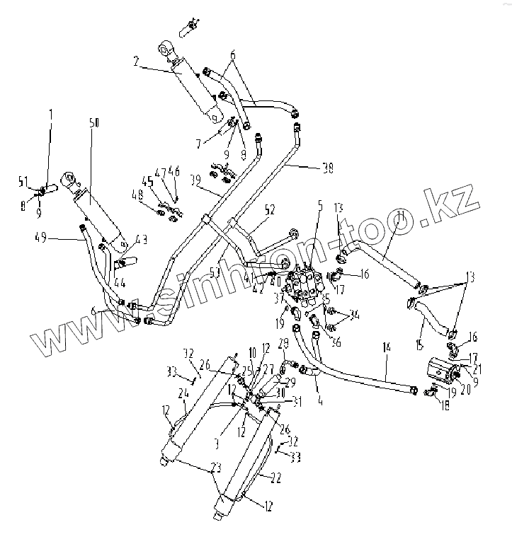
Каталог запасных частей к технике: Shantui Погрузчик SF45T. WORKING PIPELINE ASSY
1
2
3
4
5
6
6
7
8
8
9
9
9
10
11
12
12
12
12
12
13
13
14
15
16
16
17
17
18
19
19
20
21
22
23
24
25
26
26
27
28
29
30
31
32
32
33
33
34
35
36
37
38
39
40
41
42
43
44
45
46
47
48
49
50
51
52
53
| Позиция на иллюстрации | Заводской номер детали | Название детали | |
|---|---|---|---|
| 1 | 416-62-01000 | Pin | |
| 2 | 416-62-02000 | Tilt cylinder | |
| 3 | 411-62-00004 | Joint | |
| 4 | 416-62-03000 | Hose | |
| 5 | 416-62-04000 | Valve | |
| 6 | 416-62-05000 | Hose | |
| 7 | 416-62-08000 | Pin | |
| 8 | 01010-51020 | Болт | |
| 9 | 01643-31032 | Шайба | |
| 10 | 416-62-00002 | Hose | |
| 11 | 416-62-00003 | Hose | |
| 12 | 07280-01620 | Хомут | |
| 13 | 07280-05026 | Хомут | |
| 14 | 416-62-09000 | Hose | |
| 15 | 416-62-00004 | Hose | |
| 16 | 416-62-10000 | Joint | |
| 17 | 07002-13334 | O-ring | |
| 18 | 416-62-11000 | Joint | |
| 19 | 07000-13022 | O-ring | |
| 20 | 416-62-12000 | Pump | |
| 21 | 01010-51035 | Болт | |
| 22 | 416-62-00005 | Hose | |
| 23 | 416-62-13000 | Upgrade cylinder | |
| 24 | 416-62-00006 | Hose | |
| 25 | 416-62-00007 | Joint | |
| 26 | 07000-13025 | Кольцо | |
| 27 | 416-62-14000 | Hose | |
| 28 | 418-62-22000 | Joint | |
| 29 | 416-62-15000 | Flow regulator | |
| 30 | 416-62-16000 | Joint | |
| 31 | 411-62-00005 | Band | |
| 32 | 08034-20834 | Clamp | |
| 33 | 416-62-00009 | Joint | |
| 34 | 418-62-00012 | O-ring | |
| 35 | 416-62-17000 | Joint | |
| 36 | 416-62-18000 | Joint | |
| 37 | 416-62-06000 | Hose | |
| 38 | 416-62-07000 | Hose | |
| 39 | 411-62-00006 | Mat ,Absorption of vibration | |
| 40 | 01010-51260 | Болт | |
| 41 | 01643-31232 | Шайба | |
| 42 | 01580-01210 | Гайка | |
| 43 | 07020-01021 | Масленка | |
| 44 | 07023-00612 | Oil cup cover | |
| 45 | 418-62-00017 | Plate | |
| 46 | 01016-30814 | Bolt | |
| 47 | 01643-30823 | Шайба | |
| 48 | 418-62-00018 | Washer | |
| 49 | 416-62-19000 | Hose | |
| 50 | 416-62-20000 | Tilt cylinder | |
| 51 | 01010-51235 | Болт | |
| 52 | 416-62-23000 | Hose | |
| 53 | 416-62-24000 | Hose |
Содержащиеся в справочниках-каталогах запасные части и детали не предлагаются к продаже, а носят исключительно информационный характер