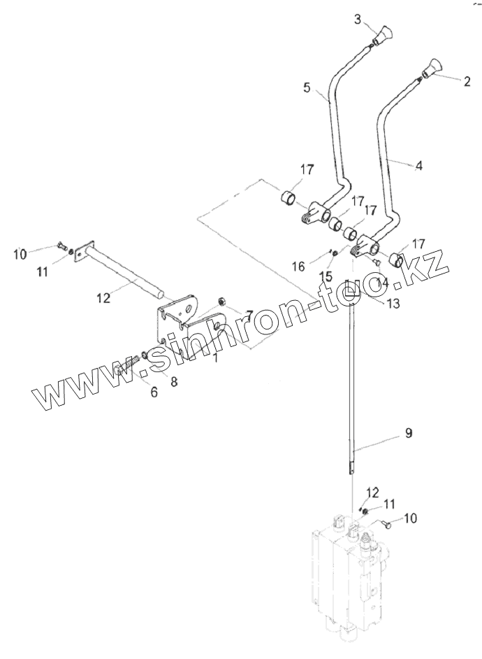
Каталог запасных частей к технике: Shantui Погрузчик SF45T. WORK EQUIPMENT CONTROL ASSY
1
2
3
4
5
6
7
8
9
10
10
11
11
12
12
13
14
15
16
17
17
17
17
| Позиция на иллюстрации | Заводской номер детали | Название детали | |
|---|---|---|---|
| 1 | 416-86-00001 | Bracket | |
| 2 | 411-86-02000 | knob, lift | |
| 3 | 411-86-04000 | knob, tilt | |
| 4 | 416-86-01000 | Lever, lift | |
| 5 | 416-86-02000 | Lever, tilt | |
| 6 | 01010-51030 | Болт | |
| 7 | 01580-11008 | Гайка | |
| 8 | 01643-31032 | Шайба | |
| 9 | 416-86-03000 | Link | |
| 10 | 01010-50612 | Болт | |
| 11 | 01643-30623 | Прокладка | |
| 12 | 416-86-04000 | Shaft | |
| 13 | 416-86-00002 | Plate | |
| 14 | 04205-10826 | Pin | |
| 15 | 01641-20812 | Шайба | |
| 16 | 04050-12012 | Pin, cotter | |
| 17 | 09350-01620 | bushing |
Содержащиеся в справочниках-каталогах запасные части и детали не предлагаются к продаже, а носят исключительно информационный характер