Каталог запасных частей к технике: Shantui Каток SR20M. MAIN CLUTCH CONTROL
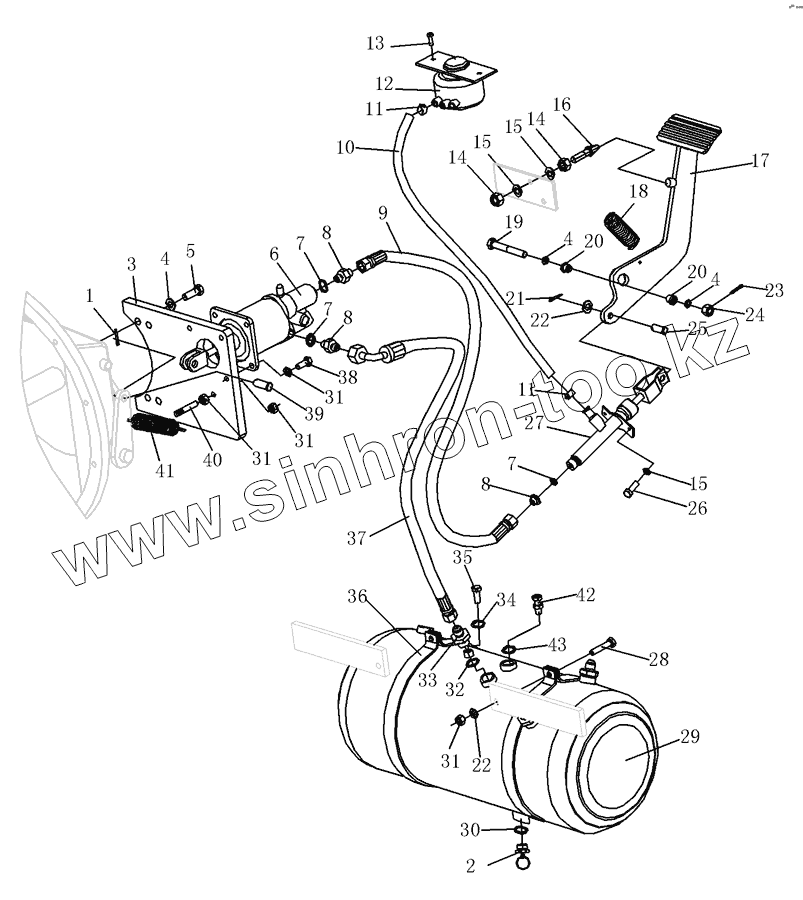
1
2
3
4
4
4
5
6
7
7
7
8
8
8
9
10
11
11
12
13
14
14
15
15
15
16
17
18
19
20
20
21
22
22
23
24
25
26
27
28
29
30
31
31
31
31
32
33
34
35
36
37
38
39
40
41
42
43
| Позиция на иллюстрации | Заводской номер детали | Название детали | |
|---|---|---|---|
| 1 | 04050-14022 | Разводной шплинт | |
| 2 | 263-20-14000 | Valve | |
| 3 | 263-20-00005 | Plate | |
| 4 | 01643-31232 | Шайба | |
| 5 | 01050-51250 | Bolt | |
| 6 | 263-20-11000 | Clutch booster | |
| 7 | 07005-01412 | Герметичная шайба | |
| 8 | 263-20-00003 | Adapter | |
| 9 | 263-20-09000 | Hose | |
| 10 | 263-20-00008 | Hose | |
| 11 | 07281-00229 | Hose clip | |
| 12 | 263-20-02000 | Grease cup | |
| 13 | 01220-40612 | Screw | |
| 14 | 01580-10806 | Гайка | |
| 15 | 01643-30823 | Шайба | |
| 16 | 263-20-04000 | Cushion bolt | |
| 17 | 263-20-03000 | Plate | |
| 18 | 263-20-00007 | Spring | |
| 19 | 01013-51225 | Bolt | |
| 20 | 263-20-00009 | Bush | |
| 21 | 04050-13018 | Разводной шплинт | |
| 22 | 01643-31032 | Шайба | |
| 23 | 04050-13022 | Разводной шплинт | |
| 24 | 01590-11215 | Гайка | |
| 25 | 04205-11028 | Палец | |
| 26 | 01010-50825 | Болт | |
| 27 | 263-20-05000 | Clutch pump | |
| 28 | 01010-51050 | Болт | |
| 29 | 263-20-12000 | Inflator | |
| 30 | 07005-02216 | Seal gasket | |
| 31 | 01580-11008 | Гайка | |
| 32 | 07005-01212 | Gasket | |
| 33 | 263-77-00002 | Adapter | |
| 34 | 07005-01012 | Уплотнительная прокладка | |
| 35 | GB/T5786 | Bolt | |
| 36 | 263-20-00006 | Bracket | |
| 37 | 263-20-01000 | Hose | |
| 38 | 01010-51025 | Болт | |
| 39 | 04205-11432 | Pin shaft | |
| 40 | 263-20-00002 | Pin | |
| 41 | 263-20-00001 | Spring | |
| 42 | 263-20-13000 | Valve | |
| 43 | 07005-01612 | Gasket |
Содержащиеся в справочниках-каталогах запасные части и детали не предлагаются к продаже, а носят исключительно информационный характер