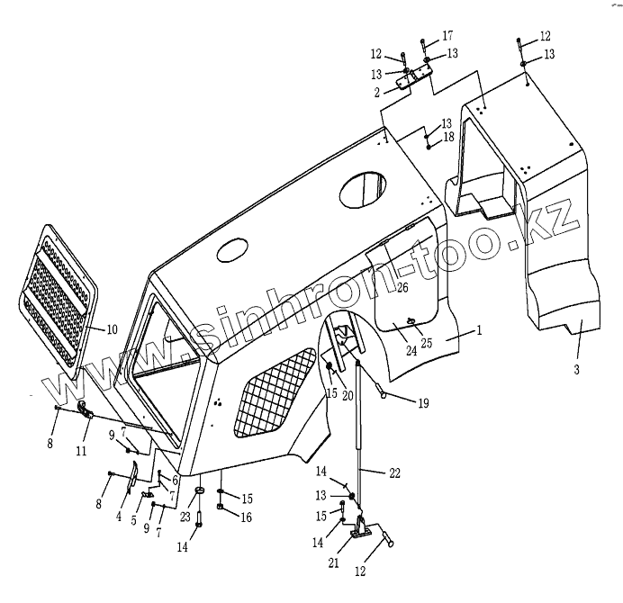
Каталог запасных частей к технике: Shantui Каток SR18. HOOD ASSY
1
2
3
4
5
6
7
7
7
8
8
9
9
10
11
12
12
12
13
13
13
13
13
14
14
14
15
15
15
16
17
18
19
20
21
22
23
24
25
26
| Позиция на иллюстрации | Заводской номер детали | Название детали | |
|---|---|---|---|
| 1 | 254-50-01000 | Engine hood | |
| 2 | 263-50-03000 | Hinge | |
| 3 | 254-50-02000 | Cover assy | |
| 4 | 263-50-05000 | Lock | |
| 5 | 263-50-00005 | Plate | |
| 6 | 01010-50612 | Болт | |
| 7 | 01643-30623 | Прокладка | |
| 8 | 01010--50625 | Bolt | |
| 9 | 01598-10608 | Nut | |
| 10 | 254-50-01200 | Grid | |
| 11 | 263-50-07000 | Knob | |
| 12 | 01010-50840 | Болт | |
| 13 | 01643-30823 | Шайба | |
| 14 | 01010-51025 | Болт | |
| 15 | 01643-31032 | Шайба | |
| 16 | 01580-11008 | Гайка | |
| 17 | 01010-50835 | Болт | |
| 18 | 01580-10806 | Гайка | |
| 19 | 04205-01050 | Pin shaft | |
| 20 | 04050-03036 | Cotter pin | |
| 21 | 253-50-05000 | Bracket | |
| 22 | 254-50-04000 | Spring | |
| 23 | 263-50-00001 | Rubber cushion | |
| 24 | 254-50-01002 | Door | |
| 25 | 263-50-01300 | Lock | |
| 26 | QB/T3874-L=65 | Hinge |
Содержащиеся в справочниках-каталогах запасные части и детали не предлагаются к продаже, а носят исключительно информационный характер