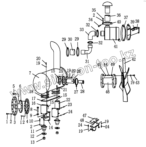
Каталог запасных частей к технике: Shantui Каток SR18. ENGINE MOUNTING AND ATTACHMENT
1
1
2
2
2
2
3
4
5
6
7
8
9
10
11
12
13
14
15
15
15
16
17
18
19
19
19
19
19
20
21
21
22
23
24
24
24
25
26
27
28
29
29
30
31
32
32
33
34
35
36
37
38
39
40
41
42
43
44
45
46
47
48
49
| Позиция на иллюстрации | Заводской номер детали | Название детали | |
|---|---|---|---|
| 1 | 01010-51030 | Болт | |
| 2 | 01643-31032 | Шайба | |
| 3 | 254-01-00008 | Plate | |
| 4 | 254-01-00012 | Dish | |
| 5 | 01252-71030 | Screw | |
| 6 | 254-01-10000 | Coupling | |
| 7 | 254-01-06000 | Muffler | |
| 8 | 01011-52035 | Bolt | |
| 9 | 01643-32060 | Шайба | |
| 10 | 01010-51025 | Болт | |
| 11 | 254-01-01000 | Damper | |
| 12 | 254-01-00001 | Plate | |
| 13 | 01580-12016 | Nut | |
| 14 | 254-01-05000 | Bracket | |
| 15 | 01580-11210 | Гайка | |
| 16 | 254-01-00006 | Plate | |
| 17 | 254-01-00007 | Plate | |
| 18 | 244-01-00003 | Washer | |
| 19 | 01643-31232 | Шайба | |
| 20 | 01010-51250 | Болт | |
| 21 | 01010-51240 | Болт | |
| 22 | 254-01-00009 | Plate | |
| 23 | 01010-51245 | Болт | |
| 24 | 01010-51230 | Болт | |
| 25 | 244-01-00004 | Washer | |
| 26 | 254-01-02000 | Exhaust pipe | |
| 27 | 254-01-03000 | Clamp | |
| 28 | 254-01-04000 | Nipple | |
| 29 | 07281-00909 | Зажим | |
| 30 | 254-01-00002 | Tube | |
| 31 | 254-01-00010 | Tube | |
| 32 | 07281-01279 | Clamp | |
| 33 | 254-01-00003 | Tube | |
| 34 | 01010-51040 | Болт | |
| 35 | 01580-11008 | Гайка | |
| 36 | 254-01-00013 | Barrel | |
| 37 | 254-01-09000 | Clamp | |
| 38 | 01643-30823 | Шайба | |
| 39 | 01010-50820 | Болт | |
| 40 | 254-01-00014 | Clamp | |
| 41 | 254-01-08000 | Air cleaner assy | |
| 42 | 254-01-00005 | Fan | |
| 43 | 01010-51220 | Болт | |
| 44 | 01124-50835 | Stud | |
| 45 | 01602-20825 | Шайба | |
| 46 | 254-01-00004 | Shaft | |
| 47 | 254-01-00011 | Spacer | |
| 48 | 254-01-07000 | Damper | |
| 49 | 01580-10806 | Гайка |
Содержащиеся в справочниках-каталогах запасные части и детали не предлагаются к продаже, а носят исключительно информационный характер