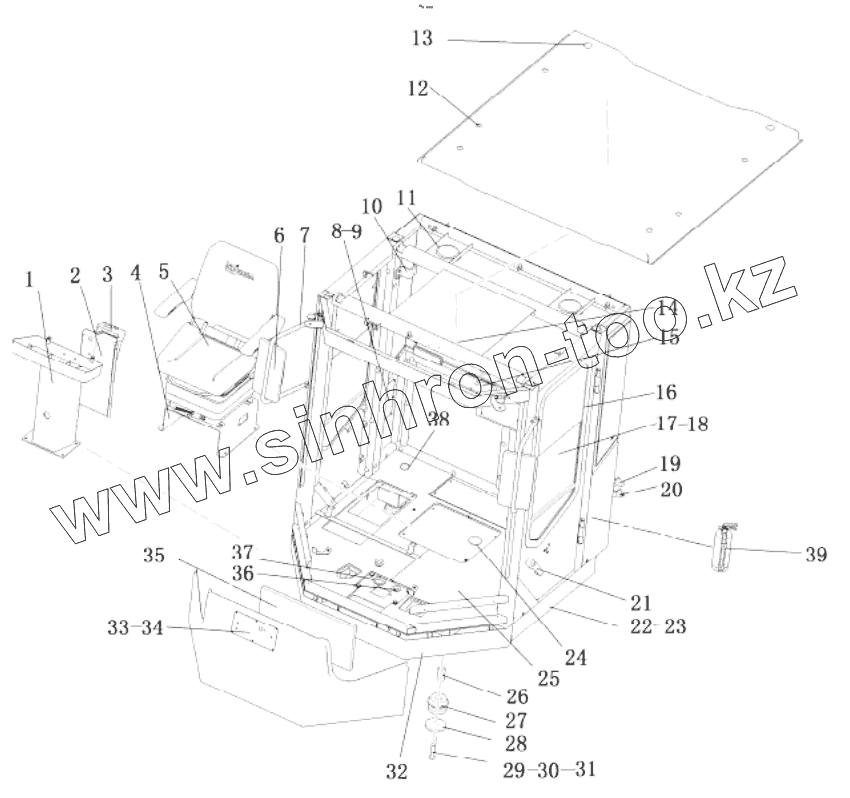
Каталог запасных частей к технике: SEM655D. Cab AssembIСѓ
1
2
3
4
5
6
7
8
9
10
11
12
13
14
15
16
17
18
19
20
21
22
23
24
25
26
27
28
29
30
31
33
34
35
36
37
38
39
39
| Позиция на иллюстрации | Заводской номер детали | Название детали | |
|---|---|---|---|
| 1 | Z52718027 | Console bracket assembly | |
| 2 | Z3A00422600 | Pedestal cover | |
| 3 | Z5B05312100 | Cover | |
| 4 | W48000449 | Seat | |
| 5 | Z52718024 | Bracket of seat | |
| 6 | W110000370 | Rearview mirror | |
| 7 | Z3A00413200 | Blacket of rearview mirror | |
| 8 | W300600700B | Window shade | |
| 9 | Z3A705003 | Fresh air sealing plate assembly | |
| 10 | Z320041090 | Coat hook | |
| 11 | Z52718035 | Z52718035 | |
| 12 | Z3A00401100 | Rubber cover i | |
| 13 | Z3A00401800 | Rubber cover | |
| 14 | Z52718023 | Seal cover of radio | |
| 15 | W101400000A | Inner mirror | |
| 16 | Z010201030 | Door seal | |
| 17 | W48000493 | Window in door | |
| 18 | W48000494 | Window in door | |
| 19 | Z3A00403900 | Buffer | |
| 20 | W102200000A | Door hold back | |
| 21 | W110022600 | Left lock | |
| 22 | Z5B71011500 | Left board assembly | |
| 23 | Z5B71012700 | Right board assembly | |
| 24 | Z52725001 | Seal sleeve | |
| 25 | Z52718033 | Floor piilow | |
| 26 | Z3A00420000 | Lining | |
| 27 | W105000000A | Cab mount | |
| 28 | Z3A00420100 | Flat washer | |
| 29 | B040810037 | Bolt | |
| 30 | B050332018 | Nut | |
| 31 | B060412003 | Washer | |
| 33 | Z5B710173 | Retaining plate | |
| 34 | Z5B71016100 | Front gasket | |
| 35 | Z5B71016200 | Front sponge | |
| 36 | Z3A00422300 | Gear lever seal sleeve | |
| 37 | Z320050080 | Grommet | |
| 38 | Z3A00403300 | Rubber cover iii | |
| 39 | W110022310 | Fire extinguisher |
Содержащиеся в справочниках-каталогах запасные части и детали не предлагаются к продаже, а носят исключительно информационный характер