Каталог запасных частей к технике: SEM650B. TRANSMISSION ASSEMBLY
NZ51021023200
NZ51021023200
NZ51021023200
NZ51021023200
NZ51021030200
NZ51021030200
NZ51021030200
NZ51021030200
NZ51021028200
NZ51021028200
NZ51021028200
NZ51021028200
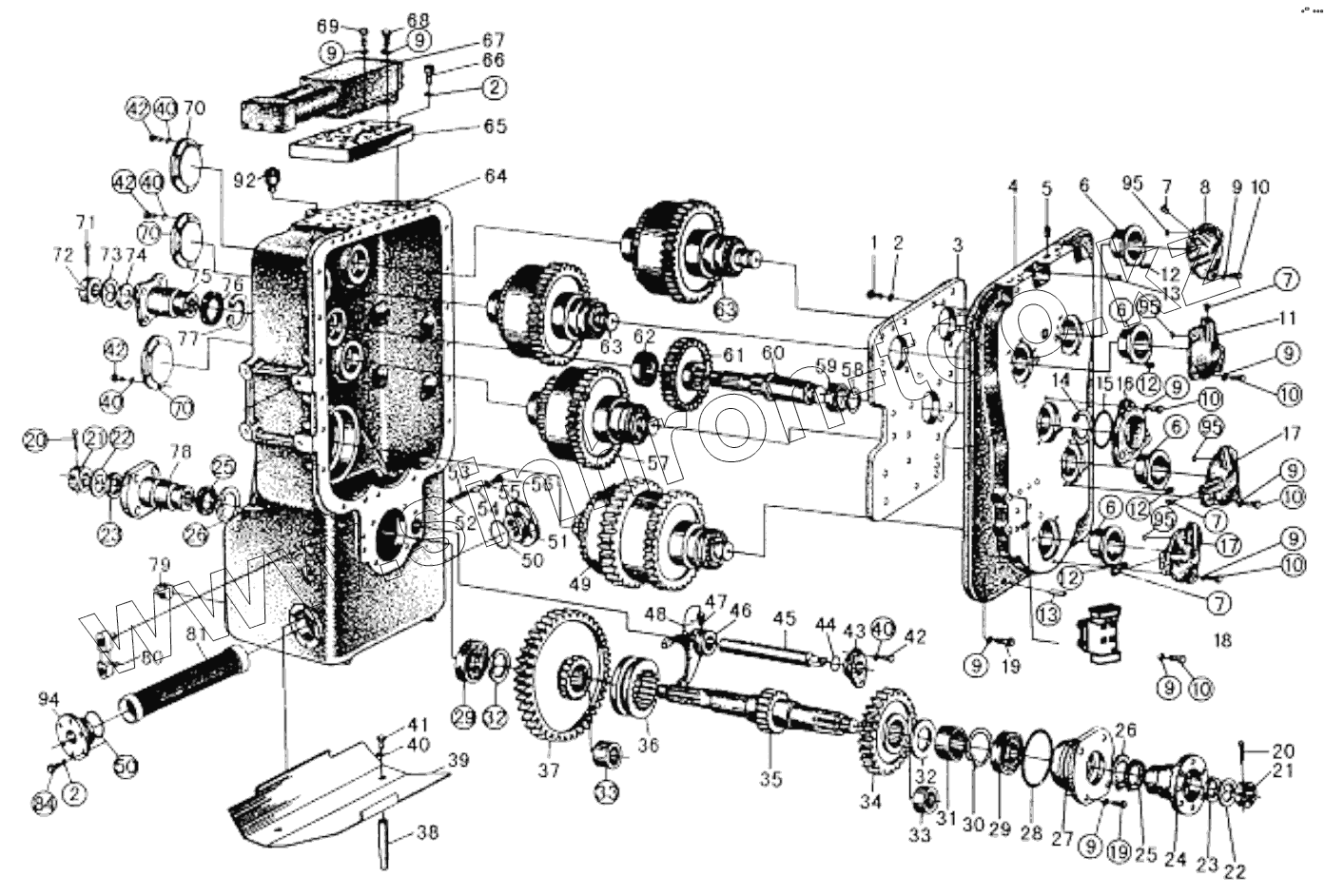
1
2
2
2
3
4
5
6
6
6
6
7
7
7
7
8
9
9
9
9
9
9
9
9
9
9
10
10
10
10
10
10
11
12
12
12
12
13
13
14
15
16
17
17
18
19
19
20
20
21
21
22
22
23
23
24
25
25
26
26
27
28
29
29
30
31
32
32
33
33
34
35
36
37
38
39
40
40
40
40
40
41
42
42
42
42
43
44
45
46
47
48
49
50
50
51
52
53
54
55
56
57
58
59
60
61
62
63
63
64
65
66
67
68
69
70
70
70
71
72
73
74
75
76
77
78
79
80
81
92
94
95
95
95
95
| Позиция на иллюстрации | Заводской номер детали | Название детали | |
|---|---|---|---|
| NZ51021023200 | NZ51021023200 | Filler cap assembly | |
| NZ51021030200 | NZ51021030200 | Filler cap assembly | |
| NZ51021028200 | NZ51021028200 | Filler cap assembly | |
| 1 | B040911016 | Bolt | |
| 2 | B060111003 | Lock washer | |
| 3 | Z510210260 | Oil sealing board | |
| 4 | Z510210220 | Transmission cover | |
| 5 | B110200104 | Thread plug | |
| 6 | Z510210270 | Sleeve | |
| 7 | B110400108 | Thread plug | |
| 8 | Z510210282 | Filler cap | |
| 9 | B060111203 | Lock washer | |
| 10 | B040911225 | Bolt | |
| 11 | Z510210302 | Filler cap | |
| 12 | B010510810 | Screw | |
| 13 | B080121630 | Pin | |
| 14 | B120639000 | Lock ring | |
| 15 | B160130975 | O-ring | |
| 16 | Z510210290 | Input shaft cover | |
| 17 | Z510210232 | Oil filler cap | |
| 18 | NZ51021090000 | Control valve | |
| 19 | B040911230 | Bolt | |
| 20 | B080210070 | Spilt pin | |
| 21 | Z510210400 | Nut | |
| 22 | Z510210140 | Clamping plates | |
| 23 | Z510210150 | O-ring | |
| 24 | Z510210200 | Front output connecting flange | |
| 25 | B160240003 | Skeleton type oil seal | |
| 26 | B070159503 | Snap ring | |
| 27 | Z510210190 | Bearing seat | |
| 28 | B160141750 | O-ring | |
| 29 | B120330001 | Bearing | |
| 30 | B070150011 | Snap ring | |
| 31 | Z510210210 | Sleeve | |
| 32 | Z510210160 | Apron | |
| 33 | Z510210411 | H/L speed gear shaft sleeve | |
| 34 | Z510210180 | Gear | |
| 35 | Z510210130 | Output shaft | |
| 36 | Z510210170 | Joint sleeve | |
| 37 | Z510210110 | Gear | |
| 38 | Z510211030 | Support column | |
| 39 | Z510211040 | Oil retainer | |
| 40 | B060110802 | Lock washer | |
| 41 | B040910812 | Bolt | |
| 42 | B040910820 | Bolt | |
| 43 | Z510210380 | Small flange | |
| 44 | B160120190 | O-ring | |
| 45 | Z510210340 | Puling rod | |
| 46 | Z510210330 | Yoke | |
| 47 | Z510210350 | Screw | |
| 48 | W110002140 | Iron wire | |
| 49 | NZ51021060000 | Clutch | |
| 50 | B160140710 | O-ring | |
| 51 | Z510210880 | Right flange of filter | |
| 52 | B120711000 | Steel ball | |
| 53 | Z200020860 | Spring | |
| 54 | B080121040 | Pin | |
| 55 | Z510210370 | Spacer | |
| 56 | Z510210360 | Thread plug | |
| 57 | NZ51021058000 | Clutch | |
| 58 | B070214002 | Snap ring | |
| 59 | B121134023 | Bearing | |
| 60 | Z510210050 | Input shaft | |
| 61 | Z510210080 | Input gear | |
| 62 | B120144529 | Bearing | |
| 63 | NZ51021043000 | Clutch | |
| 64 | Z510210010 | Housing | |
| 65 | Z510210320 | Oil-through board | |
| 66 | B010411030 | Screw | |
| 67 | Z510210640 | Accumulator | |
| 68 | B040911230 | Bolt | |
| 69 | B040811260 | Bolt | |
| 70 | Z510210030 | Cover | |
| 71 | B080210545 | Spilt | |
| 72 | Z200020480 | Nut | |
| 73 | Z510210060 | Clamping plate | |
| 74 | Z510210070 | O-ring | |
| 75 | Z510210040 | Input connecting flange | |
| 76 | B160240001 | Skeleton type oil seal | |
| 77 | B070159003 | Snap ring | |
| 78 | Z520100010 | Rear output connecting flange | |
| 79 | Z640060320 | Thread plug | |
| 80 | W110001540 | Oil indicator | |
| 81 | Z510210890 | Filter screen asy | |
| 92 | Z320471040 | Breath tool | |
| 94 | Z510210870 | Left flange of oil filter | |
| 95 | B160120140 | O-ring |
Содержащиеся в справочниках-каталогах запасные части и детали не предлагаются к продаже, а носят исключительно информационный характер