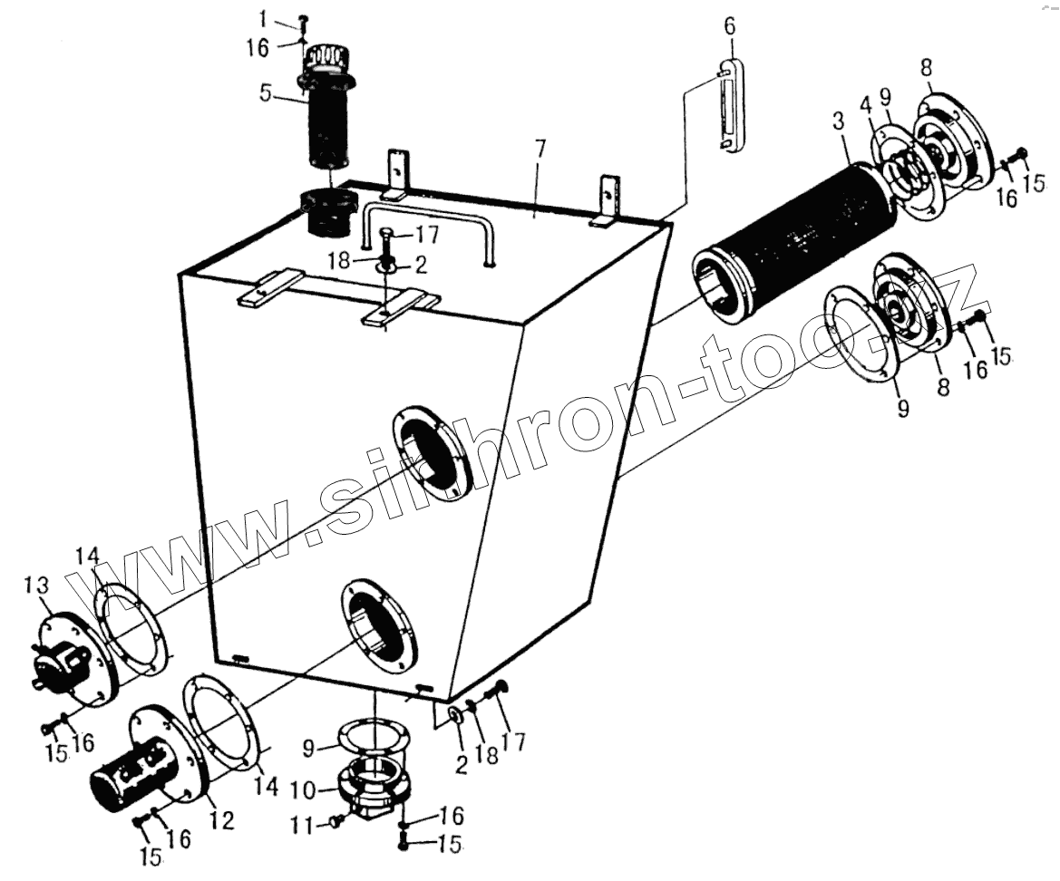
Каталог запасных частей к технике: SEM650B. ENGINE OIL TANK ASSEMBLY
NZ5B0200010000
NZ5B0200010000
1
2
2
3
4
5
6
7
8
8
9
9
9
10
11
12
13
14
14
15
15
15
15
15
16
16
16
16
16
16
17
17
18
18
| Позиция на иллюстрации | Заводской номер детали | Название детали | |
|---|---|---|---|
| NZ5B0200010000 | NZ5B0200010000 | Engin oil tank assembly | |
| 1 | B040910816 | Bolt | |
| 2 | B060112005 | Washer | |
| 3 | W110005640 | Return oil screen | |
| 4 | Z320200041 | Spring | |
| 5 | W380000000A | Oil filler screen | |
| 6 | W110021281 | Oil indicator | |
| 7 | Z5B02000100 | Engine oil tank | |
| 8 | Z320200050 | Screen cover | |
| 9 | Z320200060 | Sealing | |
| 10 | Z5A01300400 | Cleaning port flange | |
| 11 | Z640060320 | Thread plug | |
| 12 | Z5B02001000 | Suction connector assembly | |
| 13 | Z5A20000600 | Oil return connector assembly | |
| 14 | Z5B02000900 | Sealing spacer | |
| 15 | B040910820 | Bolt | |
| 16 | B060110802 | Lock washer | |
| 17 | B040912030 | Bolt | |
| 18 | B060412003 | Washer |
Содержащиеся в справочниках-каталогах запасные части и детали не предлагаются к продаже, а носят исключительно информационный характер