Каталог запасных частей к технике: SEM616B. Electrical system
1
1
1
1
1
1
1
1
1
1
1
1
1
1
1
1
1
1
1
1
1
1
1
1
1
1
1
1
1
1
1
1
1
1
1
1
1
2
2
2
2
2
2
2
2
2
2
2
2
2
2
2
2
2
2
2
2
2
2
2
2
2
2
2
2
2
2
2
2
2
2
2
2
2
2
2
2
2
2
2
2
2
2
2
2
2
3
3
3
3
3
4
4
4
4
5
5
6
6
6
6
7
8
8
8
8
8
9
9
9
10
11
11
11
11
12
12
12
12
12
13
14
15
15
15
15
16
16
16
16
16
17
17
17
17
17
18
19
20
20
20
22
23
24
25
26
27
28
29
30
31
32
33
34
35
36
37
38
39
40
41
42
43
44
45
46
47
48
49
50
50
50
50
51
52
53
54
55
56
57
57
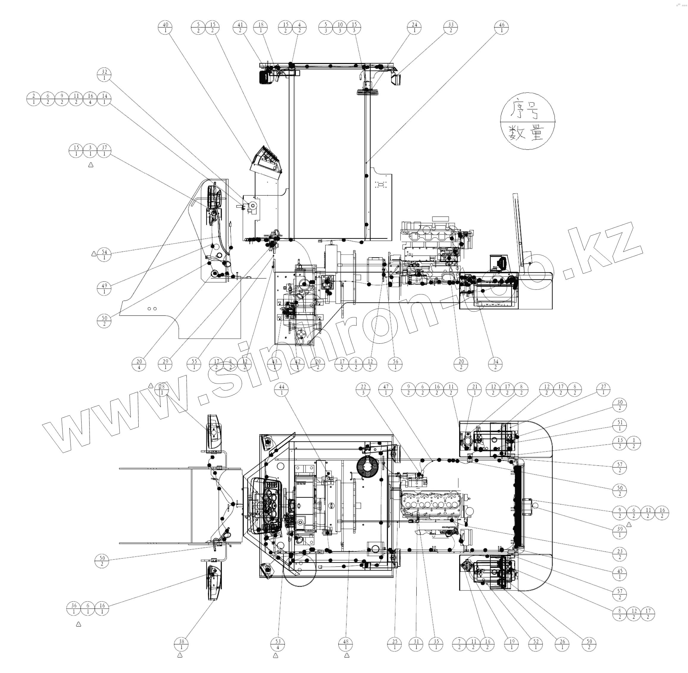
| Позиция на иллюстрации | Заводской номер детали | Название детали | |
|---|---|---|---|
| 1 | B010710420 | Screw | |
| 2 | B010710520 | Screw | |
| 3 | B010710610 | Screw | |
| 4 | B010710616 | Bolt | |
| 5 | B040910620 | Bolt | |
| 6 | B040910820 | Bolt | |
| 7 | B040910835 | Bolt | |
| 8 | B040911020 | Bolt | |
| 9 | B050330807 | Nut | |
| 10 | B060110602 | Lock washer | |
| 11 | B060110802 | Lock washer | |
| 12 | B060111003 | Lock washer | |
| 13 | B060410402 | Washer | |
| 14 | B060410501 | Washer | |
| 15 | B060410602 | Washer | |
| 16 | B060410802 | Washer | |
| 17 | B060411002 | Washer | |
| 18 | W110000590 | Dome lamp | |
| 19 | W110000620 | Main power switch | |
| 20 | W110023590 | Clip | |
| 22 | W370000070 | Cover | |
| 23 | W370000070A | Sensing plug for temperature | |
| 24 | W370000160B | Fan | |
| 25 | W370000670B | Pipe for engine oil pressure meter | |
| 26 | W370000700B | Left rear combined lamp | |
| 27 | W370000710B | Right rear combined lamp | |
| 28 | W370001910B | Front combine lamp | |
| 29 | W370400000 | Pressure switch for brake indicate | |
| 30 | W46000044 | Negative boot | |
| 31 | W46000046 | Connect for engine oil pipe | |
| 32 | W46000058 | Windshield wiper group | |
| 33 | W46000090 | Work light | |
| 34 | W46000094 | Battery | |
| 35 | W46000146 | Joints | |
| 36 | W46000168 | Monotone horn | |
| 37 | W46000176 | Really | |
| 38 | W46000177 | Front combined lamp | |
| 39 | W370000770B | Backup alarm | |
| 40 | W46000202 | Dash panel | |
| 41 | W46000190 | Anti-fog lamp TCMD | |
| 42 | W46000192 | Press ion selection valve | |
| 43 | W46000193 | Switch of reverse lamp pressure | |
| 44 | Z110100090 | Joints | |
| 45 | Z1B02100400 | Battery negative wire | |
| 46 | Z1B021010 | Ceiling harness | |
| 47 | Z1B02100500 | Battery wire for starter | |
| 48 | Z1B021008 | Rear frame harness | |
| 49 | Z1B553002 | Newfane’s | |
| 50 | Z320210020 | Cover for harness | |
| 51 | Z320210061 | Battery connect cable | |
| 52 | Z3A02101700 | Battery negative cable | |
| 53 | Z3B550006 | Operating light connect line group 1 | |
| 54 | Z3B550008 | Horn connecting line component | |
| 55 | Z520210320 | Battery cable | |
| 56 | Z520210330 | Battery cable | |
| 57 | Z5A02102200 | Cover for harness |
Содержащиеся в справочниках-каталогах запасные части и детали не предлагаются к продаже, а носят исключительно информационный характер