Каталог запасных частей к технике: SDLG LGB680. GEAR BOX AND FITTINGS
1
2
3
4
5
6
7
8
9
10
11
11
11
11
12
12
12
12
12
13
13
14
15
16
16
16
17
17
17
17
17
17
18
19
19
20
21
22
23
23
24
25
26
26
27
28
28
29
30
31
32
33
34
35
36
37
38
38
39
40
41
42
43
44
45
46
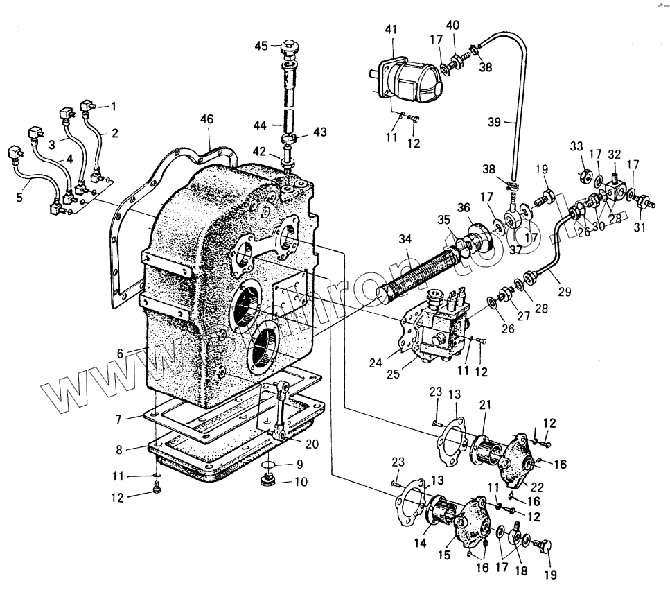
| Позиция на иллюстрации | Заводской номер детали | Название детали | |
|---|---|---|---|
| 1 | BD05-00024 | CONNECTOR | |
| 2 | BD05-08000 | HOSE | |
| 3 | BD05-09000 | HOSE | |
| 4 | BD05-10000 | HOSE | |
| 5 | BD05-11000 | HOSE | |
| 6 | BD05-00001 | TANK | |
| 7 | BD05-00013 | SEALING | |
| 8 | BD05-00012 | OIL PAN | |
| 9 | 07044-12412А | PLUG | |
| 10 | 07002-02434 | O-RING | |
| 11 | 01602-11030 | WASHER 10 | |
| 12 | 01010-31025 | BOLT М10Х25 | |
| 13 | BD05-03004 | SEALING | |
| 14 | BD05-03001 | SLEEVE | |
| 15 | BD05-03002 | COVER | |
| 16 | 07043-00108 | PLUG | |
| 17 | JB982-77 | WASHER | |
| 18 | ZL15C-20000 | CONNECTOR | |
| 19 | ZL15B-00001 | BOLT | |
| 20 | YWZ-80T | OIL CLEVEL METRE | |
| 21 | BD05-04001 | COVER | |
| 22 | BD05-04001 | COVER | |
| 23 | BD05-03003 | SCREW | |
| 24 | BD05-00025 | SEALING | |
| 25 | ZL10.5.5 | TRANSMISSION CONTROL VALVE ASSY | |
| 26 | JB982-77 | WASHER | |
| 27 | GB-4 | CONNECTOR | |
| 28 | 07000-01008 | O-RING | |
| 29 | JF300-81WWAWI-1250 | HOSE | |
| 30 | ZL15A-00015 | CONNECTOR | |
| 31 | ZL15C-00005 | CONNECTOR | |
| 32 | ZL15C-30000 | CONNECTOR | |
| 33 | ZL15A-00013 | NUT | |
| 34 | BD05-13000 | OIL FILTER | |
| 35 | BD05-00026 | SEAL SPACER | |
| 36 | BD05-00027 | PLUG | |
| 37 | ZL15B-01000 | CONNECTOR | |
| 38 | 07281-00289 | CLAMP | |
| 39 | HG4-761-74 | HOSE 19X1000 | |
| 40 | ZL15C-00004 | CONNECTOR | |
| 41 | CBC250FLX | GEAR PUMP | |
| 42 | BD05-00022 | CONNECTOR | |
| 43 | 07281-00489 | CLAMP | |
| 44 | 07260-02645 | HOSE | |
| 45 | BD05-00021 | COVER | |
| 46 | ZL15-00006 | SEALING |
Содержащиеся в справочниках-каталогах запасные части и детали не предлагаются к продаже, а носят исключительно информационный характер