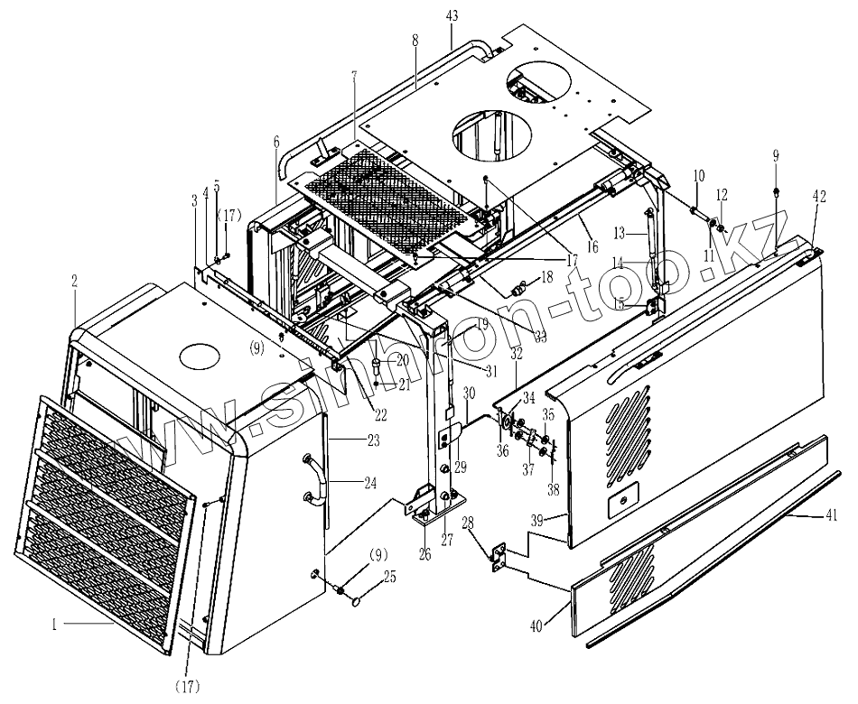
Каталог запасных частей к технике: SDLG LG969. HOOD OF DIESEL ENGINE ASSEMBLY
1
2
3
4
5
6
7
8
9
9
9
10
11
12
13
14
15
16
17
17
17
18
19
20
21
22
23
24
25
26
27
28
29
30
31
32
33
34
35
36
37
38
39
40
41
42
43
| Позиция на иллюстрации | Заводской номер детали | Название детали | |
|---|---|---|---|
| 1 | 2933001485 | WINDOW RIBBING | |
| 2 | 2933001056 | REAR HOOD | |
| 3 | 2933000187 | RUBBER PLATE | |
| 4 | 2933000188 | PRESS PLATE | |
| 5 | 4015000197 | WASHER | |
| 6 | 2933000012 | LEFT SIDE DOOR | |
| 7 | 2933000016 | CLERESTORY | |
| 8 | 2933000968 | UP HOOD | |
| 9 | 4011000560 | BOLT | |
| 10 | 4011000151 | BOLT | |
| 11 | 4015000181 | WASHER | |
| 12 | 4013000016 | NUT | |
| 13 | 2933001462 | PNEUMATIC SPRING | |
| 14 | 2933000007 | FRONT BRACKET | |
| 15 | 2933000009 | FRONT LOCK PLATE | |
| 16 | 2933000006 | UP BRACKET | |
| 17 | 4011000447 | BOLT | |
| 18 | 4030000306 | GREAST NIPPLE | |
| 19 | 2933000003 | REAR BRACKET | |
| 20 | 2933000151 | PAD BLOCK | |
| 21 | 4013000007 | NUT | |
| 22 | 2933000011 | LEFT HOOD | |
| 23 | 4030000296 | DIP RUBBER BAR | |
| 24 | 2933000189 | HANDRIAL | |
| 25 | 2933000020 | RUBBER COVER | |
| 26 | 4011000146 | BOLT | |
| 27 | 2933000154 | RUBBER PAD | |
| 28 | 2933000153 | HINGE | |
| 29 | 2933000019 | REAR LOCK PLATE | |
| 30 | 2933000017 | SHORT LINK | |
| 31 | 2933000018 | SHORT LINK | |
| 32 | 2933000013 | RIGHT LONG LINK | |
| 33 | 2933000014 | LEFT LONG LINK | |
| 34 | 4015000162 | Washer | |
| 35 | 4015000207 | WASHER | |
| 36 | 4016000119 | PIN | |
| 37 | 2933000024 | TURN PLATE | |
| 38 | 4016000114 | PIN | |
| 39 | 2933000005 | RIGHT SIDE DOOR | |
| 40 | 2933000010 | RIGHT HOOD | |
| 41 | 4030000295 | DIP RUBBER BAR | |
| 42 | 2933001384 | RIGHT UPPER HANDRALL | |
| 43 | 2933001382 | LEFT UPPER HANDRALL |
Содержащиеся в справочниках-каталогах запасные части и детали не предлагаются к продаже, а носят исключительно информационный характер