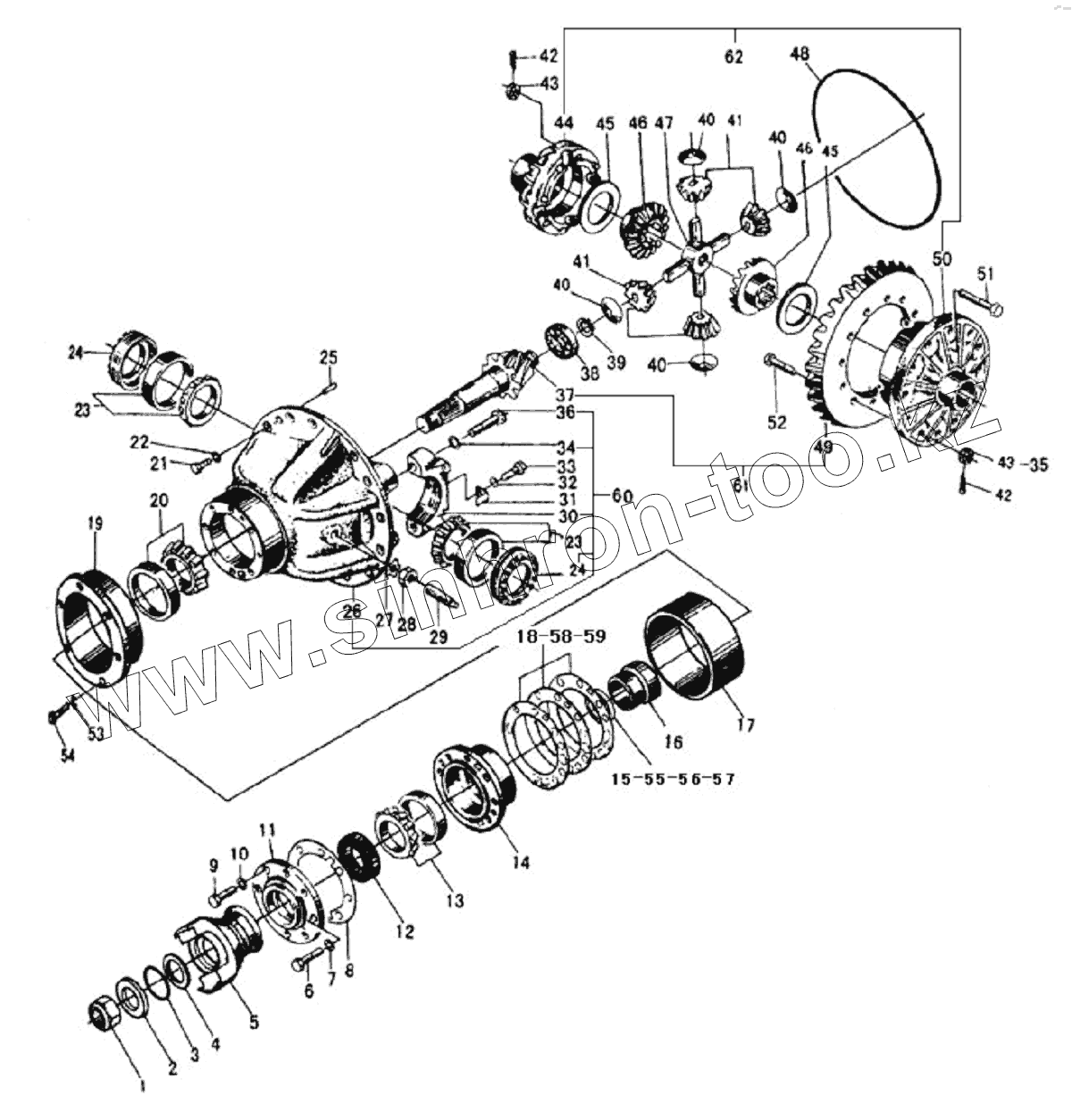
Каталог запасных частей к технике: SDLG LG968. REAR AXLE MAIN DRIVE ASSEMBLY
1
2
3
4
5
6
7
8
9
10
11
12
13
14
15
16
17
18
19
20
21
22
23
23
24
24
25
26
27
28
29
30
31
32
33
34
35
36
37
38
39
40
40
40
40
41
41
42
42
43
43
44
45
45
46
46
47
48
49
50
51
52
53
54
55
56
57
58
59
60
61
62
| Позиция на иллюстрации | Заводской номер детали | Название детали | |
|---|---|---|---|
| 1 | 4013000066 | NUT | |
| 2 | 29070000221 | Washer | |
| 3 | 4030000035 | O-RING GB3452.1-53x5.30G | |
| 4 | 29070000241 | RETAINER RING | |
| 5 | 29070000231 | INPUT FLANGE | |
| 6 | 4011000067 | BOLT | |
| 7 | 4015000027 | WASHER | |
| 8 | 29070000261 | GASKET | |
| 9 | 4011000186 | BOLT | |
| 10 | 4015000026 | WASHER | |
| 11 | 29070000251 | SEALING COVER | |
| 12 | 4030000049 | OIL SEAL | |
| 13 | 4021000030 | BEARING | |
| 14 | 29070000271 | BEARING SEAT | |
| 15 | 29070000181 | SPACER | |
| 16 | 29070000281 | SHAFT SLEEVE | |
| 17 | 29090000051 | SLEEVE | |
| 18 | 29070000151 | ADJUSTING SHIM | |
| 19 | 29090000061 | BUSHING | |
| 20 | 4021000032 | BEARING | |
| 21 | 4011000494 | BOLT M16x1.5x45EpZn-8.8 | |
| 22 | 4015000098 | WASHER GB93-16-65Mn | |
| 23 | 4021000036 | BEARING | |
| 24 | 29070000351 | ADJUSTING NUT | |
| 25 | 4016000124 | PIN | |
| 26 | 29070000321 | CARRIER | |
| 27 | 29070000311 | LOCKING LEAF | |
| 28 | 4013000052 | NUT | |
| 29 | 29070000301 | BOLT | |
| 30 | 29070000391 | CAGE | |
| 31 | 29070000401 | LOCKING LEAF | |
| 32 | 4015000025 | Washer | |
| 33 | 4011000597 | BOLT | |
| 34 | 29070001301 | WASHER | |
| 35 | 29070009511 | WASHER | |
| 36 | 29070009521 | BOLT | |
| 37 | 29090000071 | SPIRAL BEVEL GEAR PINION | |
| 38 | 4021000027 | BEARING | |
| 39 | 4015000020 | RING SNAP | |
| 40 | 29070000331 | WASHER THRUST | |
| 41 | 29070000341 | GEAR PINION | |
| 42 | 29070000461 | PIN | |
| 43 | 4013000198 | NUT | |
| 44 | 29070000431 | LEFT CASE DIFFERENTIAL MECHANISM | |
| 45 | 29070000381 | HALF AXLE GEAR SPACER | |
| 46 | 29070000371 | HALF AXLE GEAR | |
| 47 | 29070000411 | CROSS AXLE | |
| 48 | 4041000019 | O-RING LGB308-430x3.5 | |
| 49 | 29090000081 | LARGE SPRIAL BEVELGEAR | |
| 50 | 29070000361 | RIGHT CASE DIFFERENTIAL MECHANISM | |
| 51 | 29070009491 | BOLT | |
| 52 | 29070009501 | BOLT | |
| 53 | 4015000098 | WASHER GB93-16-65Mn | |
| 54 | 4011000244 | BOLT GB5786-M16x1.5x50EpZn-8.8 | |
| 55 | 29070000191 | SPACER | |
| 56 | 29070000201 | SPACER | |
| 57 | 29070000211 | SPACER | |
| 58 | 29070000161 | ADJUSTING SHIM | |
| 59 | 29070000171 | ADJUSTING SHIM | |
| 60 | 2050900104 | CARRIER ASSEMBLY-371102 | |
| 61 | 2050900110 | REAR SPIRAL BEVEL GEAR PINION | |
| 62 | 2050900079 | LEFT , RIGHT CASE DIFFERENTIAL MECHANISM |
Содержащиеся в справочниках-каталогах запасные части и детали не предлагаются к продаже, а носят исключительно информационный характер