Вернуться на главную
Поиск
Каталоги запчастей к технике
Спецтехника
SDLG
LG968
DIESEL ENGINE SYSTEM
Каталог запасных частей к технике: SDLG LG968. DIESEL ENGINE SYSTEM
zoom-in
zoom-out
enlarge
shrink
circle-right
circle-left
file-text2
info
cart
Тип техники
Не выбрано
Легковые автомобили
Грузовые автомобили и прицепы
Автобусы
Сельхозтехника
Спецтехника
Двигатели
Мототехника
Марка
Не выбрано
Ammann
BOMAG
CARMIX
CASE IH
Changlin
ChengGong
Dimex
Doosan
DYNAPAC
Foton
HAMM
Hidromek
Hitachi
Hyundai
JCB
JLG
John Deere
Komatsu
LIEBHERR
LiuGong
Lonking (LongGong)
Luneng
MANITOU
Mitsuber
New Holland
PENGPU
RM-Terex
SANY
SDLG
SEM
Shantui
Shehwa HBXG
Soosan
TIGARBO
VOGELE
Volvo
WAY
WIRTGEN
XCMG
XGMA
Xiamen
YTO
Yuchai
Zoomlion
Автокран
АЗСМ
Алтайлесмаш
Амкодор
АОМЗ
Атек
АТЗ
Балканкар Рекорд
БелАЗ
Беловеж
Борекс
Брянский Арсенал
Булат
ВЭКС
ГАЗ
Геомаш
Гидромаш
Донекс
Дормаш
Дормашина
Дорэлектромаш
ДЭЗ
ЕлАЗ
ЗЗГТ
Ижнефтемаш
Канаш-электрокар
КЗКТ
ККЗ
Клевер
Клинцовский автокрановый завод
КМЗ
КМЗ 1 Мая
Ковровец
Коммаш
Кранэкс
КЭЗ
КЭМЗ
ЛЗА
МАЗ
МЗИК
МЗКМ
МЗКТ
Михневский РМЗ
МоАЗ
Мозырский МЗ
МТЗ
ОЗП
Онежец
ПАО "ТЗА"
ППС Детва
Промтрактор
ПТЗ
Раскат
СпецАгрегат
ТВЭКС
ТТМ
УВЗ
Угличмаш
УЗТМ
ХТЗ
ЧЗКМ
ЧСДМ
ЧТЗ
ЭКСКО
ЭКСМАШ
ЮрМаш
Модель
Не выбрано
B877 (2013)
B877 (2017)
G9138 (2020)
G9190 (2013)
L916 (2017)
L938F (2016)
L948 (2016)
L948F (2015)
L953N (2017)
L956F (2017)
L958F (2019)
LG6150E
LG6210E (2013)
LG918 (2008)
LG918 (2009)
LG933 (2008)
LG933 (2018)
LG933L (2011)
LG936 (2007)
LG936 (2007)
LG936L (2009)
LG936L (2013)
LG936L (2017)
LG938 (2006)
LG938 (2010)
LG938F (2015)
LG938L (2010)
LG944MSK (2015)
LG946L (2010)
LG952 (2007)
LG952 (2009)
LG952H (2009)
LG952H (2012)
LG952N (2016)
LG953 (2006)
LG953 (2008)
LG953 (2009)
LG953N (2015)
LG955N (2015)
LG956 (2005)
LG956F (2016)
LG956FH (2017)
LG956L (2009)
LG956L (2015)
LG956V (2015)
LG958 (2006)
LG958L (2009)
LG958L (2012)
LG958N (2013)
LG958N (2015)
LG968 (2007)
LG968 (2009)
LG969 (2007)
LG969 (2009)
LG969N (2015)
LGB680 (2007)
Схема
>
Не выбрано
DIESEL ENGINE SYSTEM
GOVERNOR CONTROL SYSTEM
RADIATOR ASSY
RADIATOR ASSY
AXLE SYSTEM
FRONT AXLE ASSEMBLY
FRONT AXLE MAIN DRIVE ASSY
REAR AXLE ASSEMBLY
REAR AXLE MAIN DRIVE ASSY
FINAL DRIVE ASSEMBLY
RIM AND TYRE ASSEMBLY
WORKING PUMP ASSEMBLY
HYDRAULICALLY CONTROLLED ASSEMBLY
LIFTING CYLINDER ASSEMBLY
DUMP CYLINDER ASSEMBLY
WORKING GEAR PUMP
DUMP CYLINDER
LIFT ARM CYLINDER
MULT I PLED IRECTIONAL CONTROL VALVE
TANDEM GEAR PUMP
PRIORITY VALVE
FUEL TANK ASSEMBLY
HYDRAULIC TANK ASSEMBLY
WORKING EQUIPMENT
BUCKET ASSEMBLY
STEERING PUMP ASSEMBLY
STEERING GEAR ASSEMBLY
STEERING CYLINDER ASSEMBLY
STEERING GEAR
STEERING CYLINDER
SERVICE BRAKE SYSTEM
DISK BRAKE
AIR RESERVOIR, BRAKE CONTROL VALVE, AIR DRYER
BRAKE BOOSTER
PARKING BRAKE SYSTEM
FRONT FRAME
REAR FRAME
COUNTER WEIGHT
CAB GROUP
CAB INTERIOR DECORATION
SEAT ASSEMBLY
HOOD OF DIESEL ENGINE ASSEMBLY
LEFT BENCH GROUP
RIGHT BENCH GROUP
LEFT RIGHT LAMP FRAME
LEFT RIGHT FRONT FENDER
AIR CONDITIONER SYSTEM
ELECTRIC SYSTEM
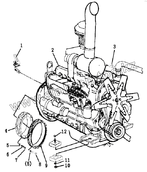
1
2
3
4
5
5
6
7
8
9
10
11
12
Позиция на иллюстрации
Заводской номер детали
Название детали
1
2901000752
GOVERNOR CONTROL SYSTEM
2
4190000536
DISESEL ENGINE SYSTEM
3
4120000067
VALVE-HEATER
4
2901001206
FLY WHEEL TRANSITION
5
4015000025
Washer
6
4012000021
DOUBLE END BOLT GB899-AM10x1-M10x35-8.8
7
4013000007
NUT
8
4011000085
BOLT
9
2901001207
FLY WHEEL COVER TRANSITION
10
4013000021
NUT
11
4015000167
WASHER GB97.1-24EpZn-300HV
12
4011000387
BOLT GB5782-M24x130EpZn-8.8
Содержащиеся в справочниках-каталогах запасные части и детали не предлагаются к продаже, а носят исключительно информационный характер
Дополнительная информация
×
Название:
Номер:
Примечание: