Каталог запасных частей к технике: SDLG LG958N. Torque conveter lubricating syste
1
2
2
3
4
5
6
7
8
8
9
9
9
9
9
10
10
11
12
12
12
12
13
14
15
15
16
16
16
16
16
16
16
16
17
18
19
20
21
22
23
24
25
26
27
28
29
29
30
31
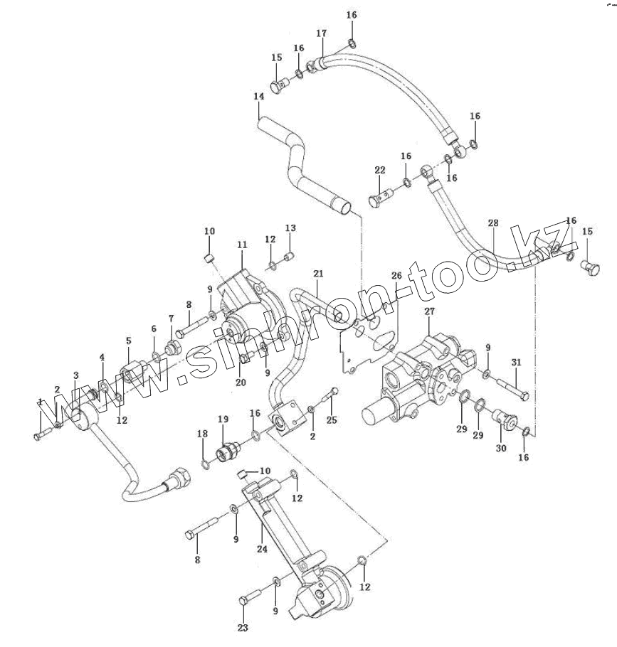
| Позиция на иллюстрации | Заводской номер детали | Название детали | |
|---|---|---|---|
| 1 | 4011000966 | Screw | |
| 2 | 29050015461 | Washer | |
| 3 | 29050013751 | Tube | |
| 4 | 4030000811 | O-ring | |
| 5 | 29050013791 | Nipple | |
| 6 | 4040000019 | O-ring | |
| 7 | 4041001459 | Plug | |
| 8 | 4011000717 | Screw | |
| 9 | 29050015471 | Washer | |
| 10 | 29050014701 | Plug | |
| 11 | 29050013581 | Connection block | |
| 12 | 4030000810 | O-ring | |
| 13 | 29050018421 | Pin | |
| 14 | 29050013621 | Tube | |
| 15 | 29050013121 | Screw | |
| 16 | 4030000056 | WASHER | |
| 17 | 29050013221 | Hose assembly | |
| 18 | 4030000809 | O-ring | |
| 19 | 29050014201 | Nipple | |
| 20 | 4011000723 | Bolt | |
| 21 | 29050013771 | Tube | |
| 22 | 29050012991 | Screw | |
| 23 | 4011000715 | Screw | |
| 24 | 29050013741 | Oil distributor | |
| 25 | 4011000713 | Screw | |
| 26 | 29050013151 | Gasket | |
| 27 | 29050012981 | Lubricating oil valve | |
| 28 | 29050013131 | Hose assembly | |
| 29 | 4030000058 | WASHER | |
| 30 | 29050014221 | Screw | |
| 31 | 4011000718 | Screw |
Содержащиеся в справочниках-каталогах запасные части и детали не предлагаются к продаже, а носят исключительно информационный характер