Каталог запасных частей к технике: SDLG LG958L. SIGN AND LOGO
1
2
3
4
5
5
6
7
8
9
10
11
12
13
14
15
15
16
17
18
19
20
21
22
23
24
24
25
25
26
27
28
29
30
31
32
33
34
35
36
37
38
39
40
41
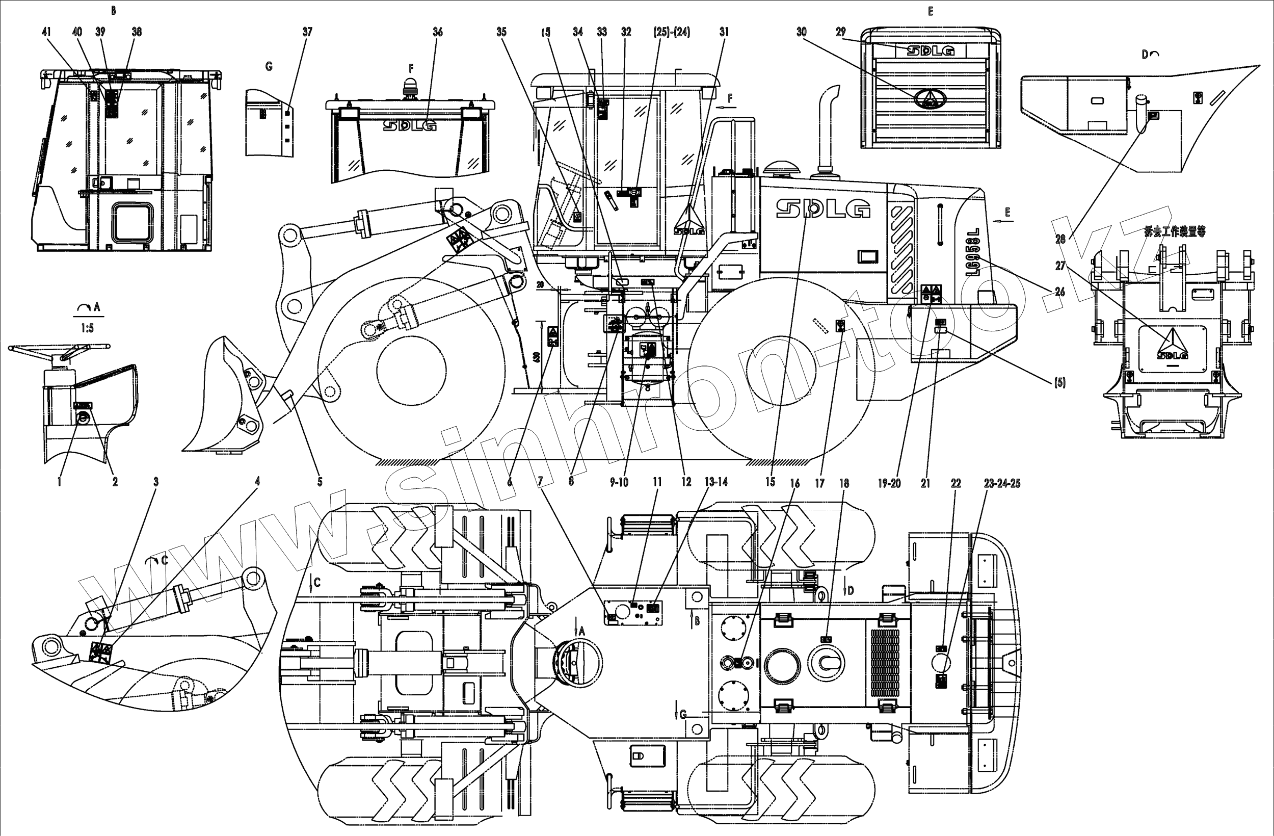
| Позиция на иллюстрации | Заводской номер детали | Название детали | |
|---|---|---|---|
| 1 | 29360015221 | Sign of | |
| 2 | 29360014411 | Start switch warning sign | |
| 3 | 29360014251 | Sign ofavoiding boom danger | |
| 4 | 29360008741 | ARM POSITION TO ENHANCE SAFETY SIGNS | |
| 5 | 29360008541 | REFLECTIVE SIGNS | |
| 6 | 29360008781 | GRAPHIC SIGNS ARTICULATED STEERING | |
| 7 | 29360014171 | Logo | |
| 8 | 29360009511 | LUBRICATION DIAGRAM | |
| 9 | 29360014261 | Air reservior | |
| 10 | 29360014271 | Air reservior offlet sign | |
| 11 | 29360009471 | PARKING BRAKE LOGO | |
| 12 | 29360014141 | Keep touch with 3 poinfts | |
| 13 | 29360010971 | POWER SELECTOR SWITCH TO CUT OFF MARK | |
| 14 | 29360011451 | WARNING SIGNS | |
| 15 | 29360011701 | SDLG-800 | |
| 16 | 29360009171 | HYDRAULIC TANK LOGO | |
| 17 | 29360015141 | Mark-slinging | |
| 18 | 28310002241 | HIGH TEMPERATURE WARNING SIGNS | |
| 19 | 29360014181 | Logo of safety distance | |
| 20 | 29360014221 | Warning signs rotary machines | |
| 21 | 29360014211 | Battery explosion-ban of any fires | |
| 22 | 29360014421 | High temperature liquid attention sign | |
| 23 | 29360015201 | Sign of antifreeze-adding | |
| 24 | 29360010631 | 35 ANTIFREEZE LOGO | |
| 25 | 29360010641 | 45 ANTIFREEZE LOGO | |
| 26 | 29360010881 | LG958L MODEL | |
| 27 | 29360012701 | Lingong logo-265 | |
| 28 | 29360010521 | FUEL TANK MARKING | |
| 29 | 29360011751 | SDLG-400 | |
| 30 | 29360010591 | SIGNS AFTER | |
| 31 | 29360012721 | Lingong logo-191 | |
| 32 | 29360014231 | Door notice sign | |
| 33 | 29360012851 | Sign for individual driving | |
| 34 | 29360012821 | Signs to avoid rolling-over | |
| 35 | 29360010571 | WATER JET WIND WINDOW | |
| 36 | 29360011741 | SDLG-450 | |
| 37 | 29360015211 | Sign | |
| 38 | 29360012841 | Signs for avoiding noise | |
| 39 | 29360012861 | Safty-mark before operation | |
| 40 | 29360012831 | Sign for wearing seatbelts | |
| 41 | 29360014191 | Logo of keeping distance from wires | |
| 42 | 29360013411 | Sign and logo | |
| 43 | 29360013410011 | Safety logos package |
Содержащиеся в справочниках-каталогах запасные части и детали не предлагаются к продаже, а носят исключительно информационный характер