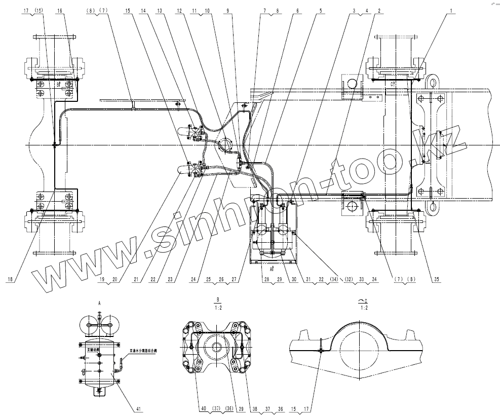
Каталог запасных частей к технике: SDLG LG958L. SERVICE BRAKE ASSEMBLY
1
2
3
4
5
6
7
7
7
8
8
8
9
10
11
12
13
14
15
15
15
16
17
17
18
19
20
21
22
23
24
25
26
27
28
29
30
31
32
32
33
34
34
35
36
36
37
37
38
39
40
41
| Позиция на иллюстрации | Заводской номер детали | Название детали | |
|---|---|---|---|
| 1 | 29220008801 | TUBE OF REEAR AXLE | |
| 2 | 4041000964 | TUBE LGB153-2021170 | |
| 3 | 4011000089 | BOLT | |
| 4 | 4015000186 | WASHER | |
| 5 | 4041001208 | TUBE LGB145-205120 | |
| 6 | 29220000971 | TUBE TO FRONT AXLE | |
| 7 | 4011000461 | BOLT | |
| 8 | 29010000031 | Clamp | |
| 9 | 29220001191 | CONNECTOR | |
| 10 | 4011000281 | BOLT GB16674-M6x40EpZn-8.8 | |
| 11 | 4120002025 | SHUTTLE VALVE VS22 | |
| 12 | 4041001248 | TUBE LGB145-205060 | |
| 13 | 4041001244 | TUBE LGB145-205036 | |
| 14 | 4030000055 | PLUG JB1000-M22x1.5-35 | |
| 15 | 4011000455 | BOLT | |
| 16 | 29220000861 | TUBE OF FRONT AXLE | |
| 17 | 29220000131 | CONNECTOR | |
| 18 | 29220000851 | TUBE OF FRONT AXLE | |
| 19 | 4120001795 | BRAKE CONTROL VALVE LY60F | |
| 20 | 4130000521 | SWITCH OF BRAKE LIGHT | |
| 21 | 29220001201 | JOINT | |
| 22 | 29220008771 | TEE OF THE OIL LINE | |
| 23 | 4041001210 | TUBE LGB145-205043 | |
| 24 | 4041001236 | TUBE LGB146-205140 | |
| 25 | 29220001241 | CONNECTOR | |
| 26 | 29220001231 | CONNECTOR | |
| 27 | 4030000551 | O-ring | |
| 28 | 29010000041 | BOLT | |
| 29 | 29220000811 | WASHER | |
| 30 | 29220000821 | TEE OF THE OIL LINE | |
| 31 | 4120000675 | BOOSTER | |
| 32 | 4011000084 | BOLT | |
| 33 | 29220000691 | SPLINT | |
| 34 | 4015000197 | WASHER | |
| 35 | 29220008811 | TUBE OF REEAR AXLE | |
| 36 | 29220001251 | CONNECTOR | |
| 37 | 4030000552 | O-Ring | |
| 38 | 29220001271 | TEE OF THE OIL LINE | |
| 39 | 29220001321 | TUBE | |
| 40 | 29220001261 | CONNECTOR OF BRAKE | |
| 41 | 29220012231 | Air reservoir |
Содержащиеся в справочниках-каталогах запасные части и детали не предлагаются к продаже, а носят исключительно информационный характер