Вернуться на главную
Поиск
Каталоги запчастей к технике
Спецтехника
SDLG
LG958
AIR CONDITIONER SYSTEM
Каталог запасных частей к технике: SDLG LG958. AIR CONDITIONER SYSTEM
zoom-in
zoom-out
enlarge
shrink
circle-right
circle-left
file-text2
info
cart
Тип техники
Не выбрано
Легковые автомобили
Грузовые автомобили и прицепы
Автобусы
Сельхозтехника
Спецтехника
Двигатели
Мототехника
Марка
Не выбрано
Ammann
BOMAG
CARMIX
CASE IH
Changlin
ChengGong
Dimex
Doosan
DYNAPAC
Foton
HAMM
Hidromek
Hitachi
Hyundai
JCB
JLG
John Deere
Komatsu
LIEBHERR
LiuGong
Lonking (LongGong)
Luneng
MANITOU
Mitsuber
New Holland
PENGPU
RM-Terex
SANY
SDLG
SEM
Shantui
Shehwa HBXG
Soosan
TIGARBO
VOGELE
Volvo
WAY
WIRTGEN
XCMG
XGMA
Xiamen
YTO
Yuchai
Zoomlion
Автокран
АЗСМ
Алтайлесмаш
Амкодор
АОМЗ
Атек
АТЗ
Балканкар Рекорд
БелАЗ
Беловеж
Борекс
Брянский Арсенал
Булат
ВЭКС
ГАЗ
Геомаш
Гидромаш
Донекс
Дормаш
Дормашина
Дорэлектромаш
ДЭЗ
ЕлАЗ
ЗЗГТ
Ижнефтемаш
Канаш-электрокар
КЗКТ
ККЗ
Клевер
Клинцовский автокрановый завод
КМЗ
КМЗ 1 Мая
Ковровец
Коммаш
Кранэкс
КЭЗ
КЭМЗ
ЛЗА
МАЗ
МЗИК
МЗКМ
МЗКТ
Михневский РМЗ
МоАЗ
Мозырский МЗ
МТЗ
ОЗП
Онежец
ПАО "ТЗА"
ППС Детва
Промтрактор
ПТЗ
Раскат
СпецАгрегат
ТВЭКС
ТТМ
УВЗ
Угличмаш
УЗТМ
ХТЗ
ЧЗКМ
ЧСДМ
ЧТЗ
ЭКСКО
ЭКСМАШ
ЮрМаш
Модель
Не выбрано
B877 (2013)
B877 (2017)
G9138 (2020)
G9190 (2013)
L916 (2017)
L938F (2016)
L948 (2016)
L948F (2015)
L953N (2017)
L956F (2017)
L958F (2019)
LG6150E
LG6210E (2013)
LG918 (2008)
LG918 (2009)
LG933 (2008)
LG933 (2018)
LG933L (2011)
LG936 (2007)
LG936 (2007)
LG936L (2009)
LG936L (2013)
LG936L (2017)
LG938 (2006)
LG938 (2010)
LG938F (2015)
LG938L (2010)
LG944MSK (2015)
LG946L (2010)
LG952 (2007)
LG952 (2009)
LG952H (2009)
LG952H (2012)
LG952N (2016)
LG953 (2006)
LG953 (2008)
LG953 (2009)
LG953N (2015)
LG955N (2015)
LG956 (2005)
LG956F (2016)
LG956FH (2017)
LG956L (2009)
LG956L (2015)
LG956V (2015)
LG958 (2006)
LG958L (2009)
LG958L (2012)
LG958N (2013)
LG958N (2015)
LG968 (2007)
LG968 (2009)
LG969 (2007)
LG969 (2009)
LG969N (2015)
LGB680 (2007)
Схема
>
Не выбрано
DIESEL ENGINE SYSTEM
GOVERNOR CONTROL SYSTEM
TRANSMISSION SYSTEM
TRANSMISSION ASSEMBLY
ENGINE CONNECT ASSEMBLY
POWER INPUT
POWER OUTPUT
LAYSHAFT
SAFETY VALVE
OIL PIPES
COUPLING CLUTCH 151
COUPLING CLUTCH 152
COUPLING CLUTCH 153
FILLER NECK
FILTER, EMERGENCY STEERING PUMP, SPEEDOMETER
POWER TANKE-OFF (I)
POWER TANKE-OFF (II)
GEARSHIFT SYSTEM (I)
GEARSHIFT SYSTEM (II)
INDUCTIVE TRANSMITTER
LOOSE PARTS
AXLE SYSTEM
FRONT AXLE ASSEMBLY
FRONT AXLE MAIN DRIVE ASSY
REAR AXLE ASSEMBLY
REAR AXLE MAIN DRIVE ASSY
FINAL DRIVE ASSEMBLY
RIM AND TYRE ASSEMBLY
IMPLEMENT HYDRAULIC SYSTEM
WORKING GEAR PUMP
DUMP CYLINDER
LIFT ARM CYLINDER
MULTIPLEDIRECTIONAL CONTROL VALVE
TANDEM GEAR PUMP
PRIORITY VALVE
FUEL TANK ASSEMBLY
HYDRAULIC TANK ASSEMBLY
WORKING EQUIPMENT
STEERING SYSTEM
STEERING GEAR
STEERING CYLINDER
SERVICE BRAKE SYSTEM
DISK BRAKE
AIR RESERVOIR, BRAKE CONTROL VALVE, AIR DRYER
BRAKE BOOSTER
PARKING BRAKE SYSTEM
FRONT FRAME
REAR FRAME
COUNTER WEIGHT
CAB GROUP
CAB INTERIOR DECORATION
SEAT ASSEMBLY
HOOD OF DIESEL ENGINE ASSEMBLY
LEFT BENCH GROUP
RIGHT BENCH GROUP
LEFT RIGHT LAMP FRAME
LEFT RIGHT FRONT FENDER
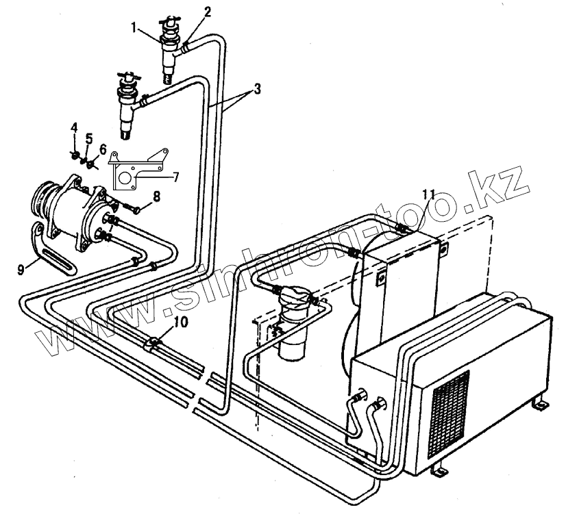
AIR CONDITIONER SYSTEM
WARMING MACHING
ELECTRIC SYSTEM
1
2
3
4
5
6
7
8
9
10
11
Позиция на иллюстрации
Заводской номер детали
Название детали
1
4120000067
VALVE-HEATER
2
4120000075
CLAMP
3
4120000136
HOSE
4
4013000007
NUT
5
4015000025
Washer
6
4015000162
Washer
7
2935000005
SUPPORT PLATE
8
4011000085
BOLT
9
2935000006
ADJUSTING PLATE
10
2935000002
PIPE NIP
11
4130000168
CONDITIONER ZG30L14
Содержащиеся в справочниках-каталогах запасные части и детали не предлагаются к продаже, а носят исключительно информационный характер
Дополнительная информация
×
Название:
Номер:
Примечание: