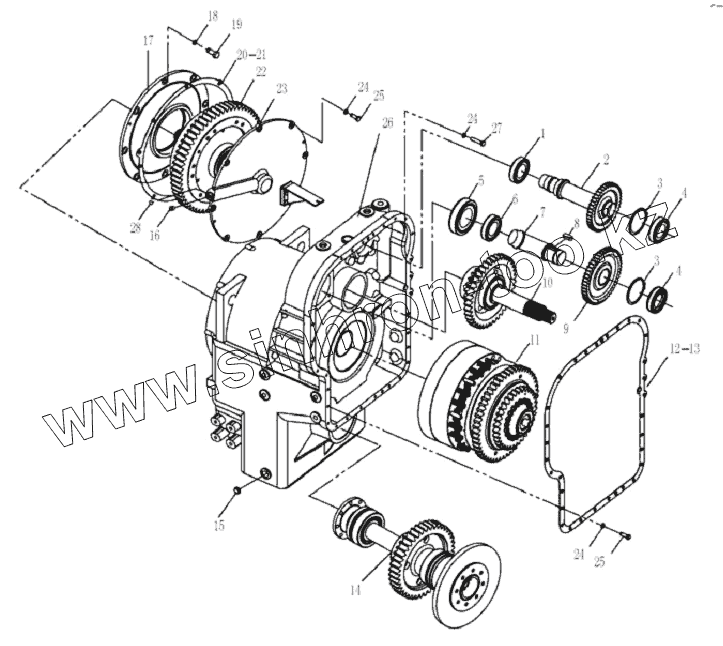
Каталог запасных частей к технике: SDLG LG956L. TRANSMISSION ASSEMBLE A305
1
2
3
3
4
4
5
6
7
8
9
10
11
12
13
14
15
16
17
18
19
20
21
22
23
24
24
24
25
25
26
27
28
| Позиция на иллюстрации | Заводской номер детали | Название детали | |
|---|---|---|---|
| 1 | 4021000012 | BEARING | |
| 2 | 3030900094 | SHAFT GEAR | |
| 3 | 4015000024 | RETAINNER RING | |
| 4 | 4021000019 | BEARING | |
| 5 | 29050000071 | BEARING COVER | |
| 6 | 4021000020 | BEARING | |
| 7 | 29050000081 | DRIVE SHAFT | |
| 8 | 4022000001 | KEY | |
| 9 | 3030900100 | DRIVE GEAR OF STEERING PUMP | |
| 10 | 2030900027 | 3RD SHAFT ASSY | |
| 11 | 2030900026 | 4TH SHAFT ASSY | |
| 12 | 29050011341 | SEALING SPACER | |
| 13 | 29050011351 | SEALING SPACER | |
| 14 | 29050012592 | OUTPUT SHAFT ASSY | |
| 15 | 4120000345 | PLUG SCREW | |
| 16 | 3030900102 | PLUG SCREW | |
| 17 | 3030900090 | COVER | |
| 18 | 4015000027 | WASHER | |
| 19 | 3030900089 | BOLT | |
| 20 | 29050011321 | SEALING SPACER | |
| 21 | 29050011331 | SEALING SPACER | |
| 22 | 2030900019 | 4TH SHAFT ASSY | |
| 23 | 3030900091 | END COVER | |
| 24 | 4015000025 | Washer | |
| 25 | 4011000017 | BOLT | |
| 26 | 29050012202 | CASE | |
| 27 | 4011000174 | BOLT | |
| 28 | 4030000011 | O-RING |
Содержащиеся в справочниках-каталогах запасные части и детали не предлагаются к продаже, а носят исключительно информационный характер