Каталог запасных частей к технике: SDLG LG956FH. Raidiator
1
2
3
3
3
4
4
5
5
5
6
6
6
7
8
8
9
9
10
10
10
10
11
12
12
13
14
15
16
17
18
19
20
21
22
23
24
25
26
27
28
29
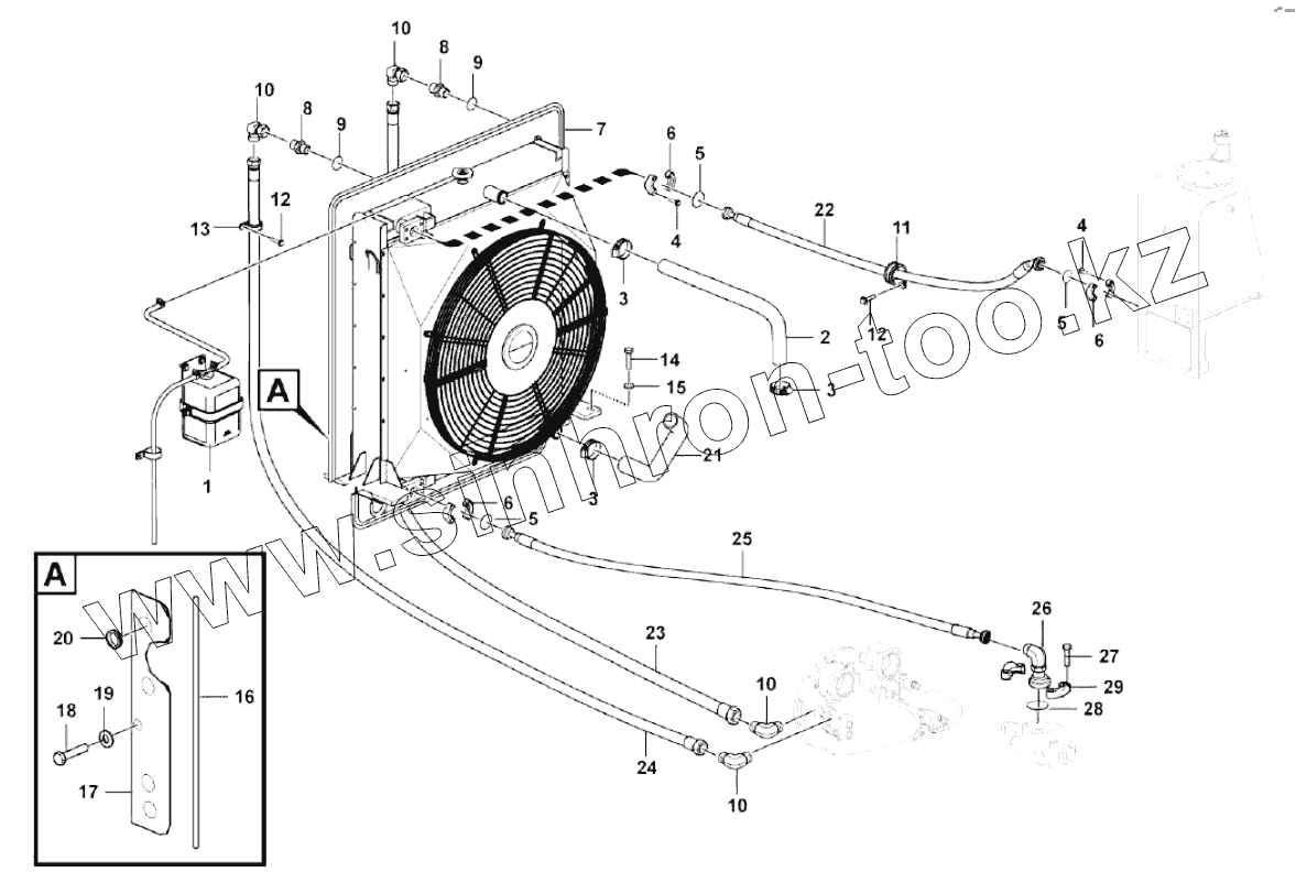
| Позиция на иллюстрации | Заводской номер детали | Название детали | |
|---|---|---|---|
| 1 | 29030036211 | Expansion tank | |
| 2 | 29030035601 | Hose | |
| 3 | 4017000007 | CLAMP | |
| 4 | 4011000477 | BOLT | |
| 5 | 4030000130 | O-RING | |
| 6 | 4041000011 | FLANGE | |
| 7 | 4110003617 | Radiator | |
| 8 | 4041001486 | Nipple | |
| 9 | 4030000211 | O-RING GB3452.1-30.0-2.65G | |
| 10 | 4041001211 | Nipple | |
| 11 | 29030000041 | CLAMP | |
| 12 | 4011001296 | Screw | |
| 13 | 29030010811 | Clamp | |
| 14 | 4011001328 | Screw | |
| 15 | 29100011031 | WASHER | |
| 16 | 4043000957 | Sealing strip | |
| 17 | 29030032941 | Plate | |
| 18 | 4011001247 | Screw | |
| 19 | 4015000425 | Washer | |
| 20 | 29030027171 | Rubber sleeve | |
| 21 | 29030035611 | Hose | |
| 22 | 29030034861 | Hose assembly | |
| 23 | 29030031841 | Hose | |
| 24 | 29030031831 | Hose assembly | |
| 25 | 29030032961 | Hose assembly | |
| 26 | 29030031961 | Nipple | |
| 27 | 4011000475 | BOLT | |
| 28 | 4030000029 | O-RING | |
| 29 | 4041000027 | FLANGE |
Содержащиеся в справочниках-каталогах запасные части и детали не предлагаются к продаже, а носят исключительно информационный характер