Вернуться на главную
Поиск
Каталоги запчастей к технике
Спецтехника
SDLG
LG956FH
Break caliper
Каталог запасных частей к технике: SDLG LG956FH. Break caliper
zoom-in
zoom-out
enlarge
shrink
circle-right
circle-left
file-text2
info
cart
Тип техники
Не выбрано
Легковые автомобили
Грузовые автомобили и прицепы
Автобусы
Сельхозтехника
Спецтехника
Двигатели
Мототехника
Марка
Не выбрано
Ammann
BOMAG
CARMIX
CASE IH
Changlin
ChengGong
Dimex
Doosan
DYNAPAC
Foton
HAMM
Hidromek
Hitachi
Hyundai
JCB
JLG
John Deere
Komatsu
LIEBHERR
LiuGong
Lonking (LongGong)
Luneng
MANITOU
Mitsuber
New Holland
PENGPU
RM-Terex
SANY
SDLG
SEM
Shantui
Shehwa HBXG
Soosan
TIGARBO
VOGELE
Volvo
WAY
WIRTGEN
XCMG
XGMA
Xiamen
YTO
Yuchai
Zoomlion
Автокран
АЗСМ
Алтайлесмаш
Амкодор
АОМЗ
Атек
АТЗ
Балканкар Рекорд
БелАЗ
Беловеж
Борекс
Брянский Арсенал
Булат
ВЭКС
ГАЗ
Геомаш
Гидромаш
Донекс
Дормаш
Дормашина
Дорэлектромаш
ДЭЗ
ЕлАЗ
ЗЗГТ
Ижнефтемаш
Канаш-электрокар
КЗКТ
ККЗ
Клевер
Клинцовский автокрановый завод
КМЗ
КМЗ 1 Мая
Ковровец
Коммаш
Кранэкс
КЭЗ
КЭМЗ
ЛЗА
МАЗ
МЗИК
МЗКМ
МЗКТ
Михневский РМЗ
МоАЗ
Мозырский МЗ
МТЗ
ОЗП
Онежец
ПАО "ТЗА"
ППС Детва
Промтрактор
ПТЗ
Раскат
СпецАгрегат
ТВЭКС
ТТМ
УВЗ
Угличмаш
УЗТМ
ХТЗ
ЧЗКМ
ЧСДМ
ЧТЗ
ЭКСКО
ЭКСМАШ
ЮрМаш
Модель
Не выбрано
B877 (2013)
B877 (2017)
G9138 (2020)
G9190 (2013)
L916 (2017)
L938F (2016)
L948 (2016)
L948F (2015)
L953N (2017)
L956F (2017)
L958F (2019)
LG6150E
LG6210E (2013)
LG918 (2008)
LG918 (2009)
LG933 (2008)
LG933 (2018)
LG933L (2011)
LG936 (2007)
LG936 (2007)
LG936L (2009)
LG936L (2013)
LG936L (2017)
LG938 (2006)
LG938 (2010)
LG938F (2015)
LG938L (2010)
LG944MSK (2015)
LG946L (2010)
LG952 (2007)
LG952 (2009)
LG952H (2009)
LG952H (2012)
LG952N (2016)
LG953 (2006)
LG953 (2008)
LG953 (2009)
LG953N (2015)
LG955N (2015)
LG956 (2005)
LG956F (2016)
LG956FH (2017)
LG956L (2009)
LG956L (2015)
LG956V (2015)
LG958 (2006)
LG958L (2009)
LG958L (2012)
LG958N (2013)
LG958N (2015)
LG968 (2007)
LG968 (2009)
LG969 (2007)
LG969 (2009)
LG969N (2015)
LGB680 (2007)
Схема
>
Не выбрано
Engine system
Block
Fule tank
Fuel tank assembly
Raidiator
Expansion tank
Radiator assembly
Torque converter system
Torque converter
Torque converter
Transmission assembly
Transmission
Quick gear
Output shaft
Planet gear kit
Shaft and clutch assembly
Control mechanism
Transmission system
Front axle system
Front axle assembly
Hub reduction
Final drive
Break caliper
Break caliper
Break caliper
Propeller shaft assembly
Rear axle system
Rear axle assembly
Rear axle assembly
Hub reduction
Final drive
Hydraulic fluid tank assembly
Hydraulic fluid tank assembly
Working hydraulic system
Working hydraulic pump assembly
Working hydraulic pump assembly
Working hydraulic pump assembly
Gear pump
Control lever assembly
Control lever assembly
Control lever assembly
Hydraulic control system
Control valve assembly
Control valve assembly
Control valve
Hydraulic control system
Lifting cylinder assembly
Lift arm cylinder
Tilt cylinder
Tilt cylinder assembly
Member system
Accessories
Steering pump assembly
Gear pump
Steering column
Diverter
Steering cylinder
Steering cylinder
Steering cylinder
Brake
Connecting pipe
Air pressure tank
Pneumatic cylinder
Water separator
Travel brake system
Parking brake syetem
Front frame
Accessories
Rear frame
Rear frame system
Counterweight
Cab system
Cab assembly
Cab assembly
Platform
Cab assembly
Trim panel assembly
Driver seat assembly
Driver seat assembly
Cab accessories
Fresh air inlet syetem
Control housing
Bracket
Bonnet
Bonnet
Cover accessories
Platform
Platform
Decal set
Air conditioner system
Evaporator
Condenser
Engine electric system
Cab electric system
Electric equipment
Power electric system
Front frame electric system
Rear frame electric assembly
Electrical assembly-engine
Engine hood electric system
Bucket
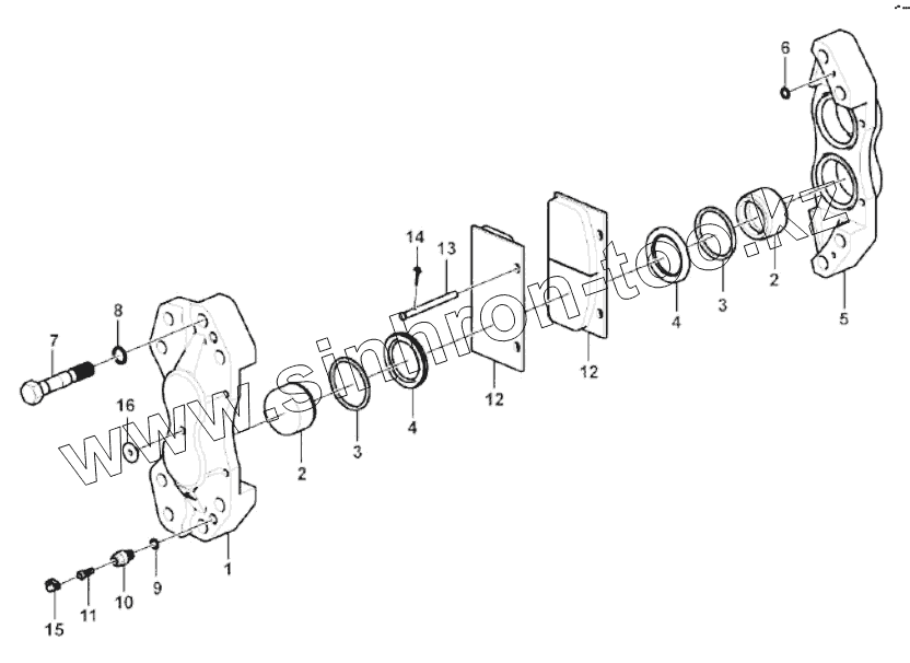
1
2
2
3
3
4
4
5
6
7
8
9
10
11
12
12
13
14
15
16
Позиция на иллюстрации
Заводской номер детали
Название детали
1
4120001739080
Internal pliers fy10754m.00001
2
4120001739081
Piston
3
4120001739082
Gasket
4
4120001739096
Sealing ring
5
4120001739084
External pliers fy10754m.00002
6
4120001739085
O-ring
7
4120001739086
Screw
8
4015000087
WASHER
9
4120001739087
Washer
10
4120001739088
Support fy10754m.00003
11
4120001740
VENT NOZZLE
12
4120001739089
Brake plate
13
4120001739090
Pin
14
4120001739091
Pin gb91-3.2*25epzn-q235a
15
4120001739092
Plug fy10754m.00008
16
4120001739093
Plug
Содержащиеся в справочниках-каталогах запасные части и детали не предлагаются к продаже, а носят исключительно информационный характер
Дополнительная информация
×
Название:
Номер:
Примечание: