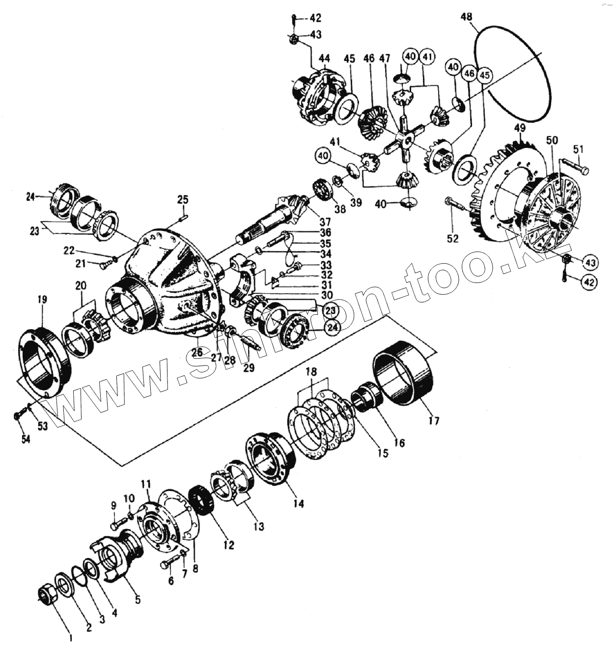
Каталог запасных частей к технике: SDLG LG956. REAR AXLE MAIN DRIVE ASS’Y
1
2
3
4
5
6
7
8
9
10
11
12
13
14
15
16
17
18
19
20
21
22
23
23
24
24
25
26
27
28
29
30
31
32
33
34
35
36
37
38
39
40
40
40
40
41
41
42
42
43
43
44
45
45
46
46
47
48
49
50
51
52
53
54
| Позиция на иллюстрации | Заводской номер детали | Название детали | |
|---|---|---|---|
| 1 | 4013000066 | NUT | |
| 2 | 2907000022 | WASHER | |
| 3 | 4030000035 | O-RING GB3452.1-53x5.30G | |
| 4 | 2907000024 | RING SNAP | |
| 5 | 2907000023 | INPUT FLANGE | |
| 6 | 4011000067 | BOLT | |
| 7 | 4015000027 | WASHER | |
| 8 | 2907000026 | GASKET | |
| 9 | 4011000166 | BOLT | |
| 10 | 4015000026 | WASHER | |
| 11 | 2907000025 | SEALING COVER | |
| 12 | 4030000049 | OIL SEAL | |
| 13 | 4021000030 | BEARING | |
| 14 | 2907000027 | BEARING SEAT | |
| 15 | 2907000053 | SPACER | |
| 16 | 2907000028 | SHAFT SLEEVE | |
| 17 | 2909000005 | SLEEVE | |
| 18 | 2907000015 | ADJUSTING SHIM | |
| 19 | 2909000006 | BUSHING | |
| 20 | 4021000032 | BEARING | |
| 21 | 4011000494 | BOLT M16x1.5x45EpZn-8.8 | |
| 22 | 4015000098 | WASHER GB93-16-65Mn | |
| 23 | 4021000036 | BEARING | |
| 24 | 2907000035 | ADJUSTING NUT | |
| 25 | 4016000124 | PIN | |
| 26 | 2907000032 | CARRIER | |
| 27 | 2907000031 | LOCKING LEAF | |
| 28 | 4013000052 | NUT | |
| 29 | 2907000030 | BOLT | |
| 30 | 2907000039 | CAGE | |
| 31 | 2907000040 | LOCKING LEAF | |
| 32 | 4015000025 | Washer | |
| 33 | 4011000009 | BOLT | |
| 34 | 4015000184 | WASHER | |
| 35 | 4090000014 | STEEL WIRE | |
| 36 | 4011000007 | BOLT GB32.1-M22x85EpZn-8. 8 | |
| 37 | 2909000007 | SPIRAL BEVEL GEAR PINION | |
| 38 | 4021000027 | BEARING | |
| 39 | 4015000020 | RING SNAP | |
| 40 | 2907000033 | WASHER THRUST | |
| 41 | 2907000034 | GEAR PINION | |
| 42 | 4016000122 | SPLIT PIN | |
| 43 | 4013000156 | NUT | |
| 44 | 2907000043 | LEFT CASE DIFF | |
| 45 | 2907000038 | WASHER THRUST | |
| 46 | 2907000037 | GEAR SIDE | |
| 47 | 2907000041 | SPIDER | |
| 48 | 4041000019 | O-RING LGB308-430x3.5 | |
| 49 | 2909000008 | LARGE SPRIAL BEVELGEAR | |
| 50 | 2907000036 | RIGHT CASE DIFF | |
| 51 | 2907000042 | BOLT | |
| 52 | 2907000044 | BOLT | |
| 53 | 4015000098 | WASHER GB93-16-65Mn | |
| 54 | 4011000244 | BOLT GB5786-M16x1.5x50EpZn-8.8 |
Содержащиеся в справочниках-каталогах запасные части и детали не предлагаются к продаже, а носят исключительно информационный характер