Вернуться на главную
Поиск
Каталоги запчастей к технике
Спецтехника
SDLG
LG955N
Gear pump (43803)
Каталог запасных частей к технике: SDLG LG955N. Gear pump (43803)
zoom-in
zoom-out
enlarge
shrink
circle-right
circle-left
file-text2
info
cart
Тип техники
Не выбрано
Легковые автомобили
Грузовые автомобили и прицепы
Автобусы
Сельхозтехника
Спецтехника
Двигатели
Мототехника
Марка
Не выбрано
Ammann
BOMAG
CARMIX
CASE IH
Changlin
ChengGong
Dimex
Doosan
DYNAPAC
Foton
HAMM
Hidromek
Hitachi
Hyundai
JCB
JLG
John Deere
Komatsu
LIEBHERR
LiuGong
Lonking (LongGong)
Luneng
MANITOU
Mitsuber
New Holland
PENGPU
RM-Terex
SANY
SDLG
SEM
Shantui
Shehwa HBXG
Soosan
TIGARBO
VOGELE
Volvo
WAY
WIRTGEN
XCMG
XGMA
Xiamen
YTO
Yuchai
Zoomlion
Автокран
АЗСМ
Алтайлесмаш
Амкодор
АОМЗ
Атек
АТЗ
Балканкар Рекорд
БелАЗ
Беловеж
Борекс
Брянский Арсенал
Булат
ВЭКС
ГАЗ
Геомаш
Гидромаш
Донекс
Дормаш
Дормашина
Дорэлектромаш
ДЭЗ
ЕлАЗ
ЗЗГТ
Ижнефтемаш
Канаш-электрокар
КЗКТ
ККЗ
Клевер
Клинцовский автокрановый завод
КМЗ
КМЗ 1 Мая
Ковровец
Коммаш
Кранэкс
КЭЗ
КЭМЗ
ЛЗА
МАЗ
МЗИК
МЗКМ
МЗКТ
Михневский РМЗ
МоАЗ
Мозырский МЗ
МТЗ
ОЗП
Онежец
ПАО "ТЗА"
ППС Детва
Промтрактор
ПТЗ
Раскат
СпецАгрегат
ТВЭКС
ТТМ
УВЗ
Угличмаш
УЗТМ
ХТЗ
ЧЗКМ
ЧСДМ
ЧТЗ
ЭКСКО
ЭКСМАШ
ЮрМаш
Модель
Не выбрано
B877 (2013)
B877 (2017)
G9138 (2020)
G9190 (2013)
L916 (2017)
L938F (2016)
L948 (2016)
L948F (2015)
L953N (2017)
L956F (2017)
L958F (2019)
LG6150E
LG6210E (2013)
LG918 (2008)
LG918 (2009)
LG933 (2008)
LG933 (2018)
LG933L (2011)
LG936 (2007)
LG936 (2007)
LG936L (2009)
LG936L (2013)
LG936L (2017)
LG938 (2006)
LG938 (2010)
LG938F (2015)
LG938L (2010)
LG944MSK (2015)
LG946L (2010)
LG952 (2007)
LG952 (2009)
LG952H (2009)
LG952H (2012)
LG952N (2016)
LG953 (2006)
LG953 (2008)
LG953 (2009)
LG953N (2015)
LG955N (2015)
LG956 (2005)
LG956F (2016)
LG956FH (2017)
LG956L (2009)
LG956L (2015)
LG956V (2015)
LG958 (2006)
LG958L (2009)
LG958L (2012)
LG958N (2013)
LG958N (2015)
LG968 (2007)
LG968 (2009)
LG969 (2007)
LG969 (2009)
LG969N (2015)
LGB680 (2007)
Схема
>
Не выбрано
Engine asembly
Upper cover
Accelerator pedal assembly
Fuel tank system
Radiator asembly
Expansion tank assembly
Cooling unit (321002)
Cooling unit (321008)
Cooling unit (320204)
Radiator assembly (370725)
Torque converter
Oil filter (410710)
Cleaner (410708)
Oil filter (320320)
Cleaner (371328)
Torque converter YJSW315-8A
Torque converter (370804)
Transmission assmly
Transmission BX50-03
Shaft
Output shaft
Planet gear kit
Clutch
3rd shaft assembly
Transmission system
Transmission system LG953N (130501)
Front axle assembly
Front axle assembly A512A
Hub reduction
Brake caliper assembly (371104)
Brake caliper assembly (371328)
Brake caliper assembly (360301)
Front final drive assembly
Drive shaft
Rear axle assembly
Rear axle assembly
Hub reduction
Rear final drive assembly
Hydraulic oil tank system
Hydraulic oil tank system
Hydraulic pump system
Gear pump (43272)
Gear pump (43803)
Gear pump (43468)
Hydraulic control assembly
Control valve (43329)
Control mechanism (130501)
Lift arm cylinder assembly
Lift arm cylinder (3713CH)
Cylinder assembly
Bucket cylinder (3713CH)
Tilt cylinder (371401)
Linkage structure
Lifting frame work parts
Steering pump assembiy
Gear pump (370142)
Steering gear assembly
Steering gear assembly
Steering cylinder assembly
Steering cylinder (3713CH)
Service brake assembly
Compressed-air tank assembly
Brake booster (330604)
Pneumatic cylinder assembly (340201)
Pneumatic cylinder (46455)
Parking brake assembly
Handbrake (43775)
Control mechanism (130501)
Front frame
Front frame accessory
Rear frame
Rear frame accessories
Counter weight
Cab
Cab
Cab framework assembly
Cab inner parts assembly
Cab trim assembly
Handle
Driver seat assembly
Driver seat assembly LG01C(321013)
Cab
Air distribution system
Engine hood assembly
Cover accessory
Left bench group
Right bench group
Rear steering lamp hood
Sign and logo
Warm machine
Electric system-power
Electrical assembly-front frame
Electrical assembly-rear frame
Electrical assembly-cab
Working lamp assembly (3713EE)
Fuse and relay unit (330602)
Fuse and relay unit (330602)
Electrical assembly-engine
Electrical assembly-rear hood
Bucket assembliy
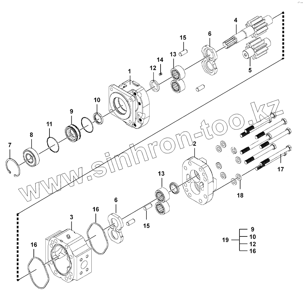
1
2
3
4
5
6
6
7
8
9
9
10
10
11
12
12
13
13
14
15
15
16
16
16
17
18
19
Позиция на иллюстрации
Заводской номер детали
Название детали
1
4120001715201
Cover
2
4120001715202
Cover
3
4120002513003
Pump body
4
4120002513004
Drive shaft gear
5
4120002513005
Shaft
6
4120002513006
Side board
7
4120005082210
Retaining ring
8
4120005082211
Beaing
9
4120001715207
Sealing ring
10
4120001058204
Sealing ring
11
4120001715208
O-ring
12
4120001715209
Sealing ring
13
4120001715210
Needle bearing
14
4120005082214
Screw
15
4120001715211
Pin
16
4120001715212
Sealing ring
17
4120001715213
Screw
18
4120005082221
Washer
19
4120002513011
Sealing ring kit
Содержащиеся в справочниках-каталогах запасные части и детали не предлагаются к продаже, а носят исключительно информационный характер
Дополнительная информация
×
Название:
Номер:
Примечание: